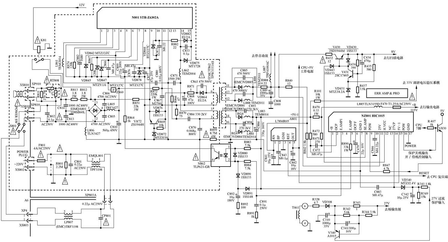
STR-Z4302A是日本三肯公司2001年推入市场的一种新型半桥式开关电源集成电路。它与普通电源厚膜块最大不同的是内部含有两只大功率MOS开关管,且工作在推挽状态,故自身损耗小,输出功率大,理论上可达700W,而普通单只开关管式厚膜块最大输出功率一般不超过250W,故广泛应用于34~48英寸大屏幕彩电开关电源。STR-Z4302A内含启动电路、逻辑电路、振荡控制电路、振荡器、激励电路、过压、过流、过热等保护电路。它与误差控制与保护集成电路HIC1015配合构成性能优良的大功率开关电源,电路如图1所示。表1是STR-Z4302A各引脚功能和在海信TC3400D彩电上的实测数据。表2是HIC1015各引脚功能和在海信TC3400D彩电上的实测数据。


下面以海信TC3400D彩电的开关电源为例介绍其原理及检修。
一、工作原理
1.启动振荡及各路输出
接通交流电源开关后,市电经R813、R812等限流后加入桥堆A801整流,经C810滤波得到约300V直流电压,然后经过流保护器P、电感L861加至N801(STR-Z4302A)1脚(上端开关管漏极)。同时市电还经R851、L806、桥堆在左上臂对C877充电(实际是半波整流),当C877上充电到约9V电压后,经N801的9脚(启动电压)送入内部的振荡电路,但这时振荡器并不立即工作,还要受7脚外接延时电容C866(0.47μF)正极电压控制。当C866充电达到一定数值后,振荡器才开始工作。振荡器工作后,N801的9脚电源再由VD864整流、C868滤波、V872稳压后提供,以避免对开关管造成大电流冲击。振荡器工作后,其输出脉冲经整形、放大后推动开关管轮流工作,经14脚向开关变压路T862注入电流。在电流为零时,开关变压器4-6绕组的感应电压经VD864整流、C868滤波、V872稳压成13V电压向N801的9脚供电,以取代开机时C877提供的启动电压。N801的3脚外接的R874和4脚外接的C862为振荡器定时元件,减小其数值可提高振荡频率。
电源工作后,开关变压器各次级绕组对外输出电压。其中VD885、VD886输出的25V电压分成5路:第一路供伴音功放电路;第二路送稳压器V430c极,稳压后得到8V电压,送至行扫描电路N501(TB1227N)4脚;第三路经R840限流,加至稳压块A801(L78MR05)1脚,稳压后由5脚输出5V供CPU的工作电压,4脚输出延迟5V复位电压供CPU使用;第四路经R842限流后,送给保护控制集成块NZ801(HIC1015)8脚;第五路送给NZ801的11脚。VD883、VD884整流输出得到的+B(115V)电压也被分成5路:第一路经R883送给光耦器N862的1脚;第二路经R890降压后送给NZ801的5脚;第三路经R472加至NZ801的1脚,同时经R101降压后去33V调谐电压稳压系统;第四路经R470和F470(1.25A)送往行输出电路;第五路经R471送至NZ801的2脚。
2.稳压过程
稳压控制电路主要由NZ801(HIC1015)内部Q1、ZD1(见图2)及光耦器N862等组成。其原理是:由R472送来的+B电压经NZ801内部的R2、R3分压后,为Q1提供取样电压,同时由5脚送来降压后的+B电压为Q1的e极提供6.2V基准电压。假如负载变重(比如亮度变亮、声音变大)使+B电压变低时加至Q1的b极电压↓,由于Q1的 e极电位不变,故c极电位↑、NZ801的3脚电位↑、光耦器2脚(发光二极管负极)电位↑、流过光耦器电流↓,其中光敏三极管内阻↑→N801的5脚流出电流↓、N801内部振荡器频率↓、输出+B电压回升至115V,反之亦然。
3.开/待机控制
开/待机控制电路主要由微处理器NA01(M37222M6-084SP)7脚、V830(C1815)及NZ801 9脚内部的Q3、Q4、ZD2、Q2等元件组成。其工作过程是:在开机状态下,NA01的7脚输出高电平,经RA07(1k,图1中已画出)送往V830的b极→V830导通→NZ801的9脚高电平→Q3导通(见图2)→Q4、ZD2、Q2截止(Q2截止不会影响稳压控制)→Q4的c极呈高电位→NZ801的12脚输出高电平→V430导通→小信号/行、场振荡集成电路N501 的4脚获得8V供电,整机正常工作。
待机时,NA01的7脚输出低电平→V830截止→NZ801内接Q3截止→从NZ801的8脚输入的约5V电压使Q4导通→Q4的c极呈低电位→NZ801的12脚输出低电平→V430截止→N501的4脚失电,整机无光无声。同时,由NZ801的8脚输入的电压还使ZD2击穿导通→Q2导通→NZ801的3脚接地→流过光耦器N862中发光二极管电流大增→内部光敏三极管内阻迅速下降→STR-Z4302A的5脚流出电流大增→内部振荡器变为低频振荡→各路输出电压降为原来的50%,这样五端稳压器A801(L78MR05)1脚输入电压不致于过低,从而使4、5脚仍有5V电压输出,可满足CPU复位及供电电压要求,从而省掉副开关电源。
4.保护原理
(1)电源输入过流保护
因主电源滤波电容C810(450V、560μF) 容量较大,为防止在接通电源瞬间,大电流损坏整流桥堆和保险管,故在主电源输入回路串接了R813、R812、L806、L805等构成的限流电路。当电源工作后,继电器KB1得电,常开触点闭合,将R813、R812短路,以避免不必要功耗。
(2)过压保护
STR-Z4302A的9脚既是电源启动端,又是过压保护电路信号输入端。当市电输入电压过高或9脚电源端的稳压系统失控,加至9脚电压大于18V时,内部过压保护电路会动作,通过逻辑电路使振荡器停振,整机得以保护。
(3)过流保护
STR-Z4302A的11脚为过流保护检测输入端。当开关电源本身短路或其他原因引起N801内部开关管输出过流时,取样电阻R866、R870两端电压必升高。当11脚电压大于0.5V后,过流保护电路将动作,振荡器停振,电源无输出。另外,若市电输入过高,将会使整流后的直流电压升高,则通过R872加至11脚电压必升高,当大于11脚保护动作的阈值电压时,同样会使过流保护电路动作,即形成双重保护。
(4)过热保护
当N801内部温度达150℃时,内部热保护电路将动作,致使振荡器停振,整机得以保护。
(5)+B(115V)电压过压保护
当+B(115V)电压过高时,经加至NZ801的2脚电压必升高,再经内部D2、R17、R18分压后,加至ZD5负极使其击穿导通→模拟晶闸管Q6、Q7导通→Q5导通→NZ801的16脚输出低电平→V830的b极低电平→V830截止→NZ801的9脚为低电平→整机处于待机保护状态。
(6)+B(115V)电源输出过流保护
R470为过流保护检测电阻。当行负截过重或短路时,R470两端压降大增,通过R471加至NZ801的2脚使Q8导通,Q8集电极电流将通过D1、R16向6脚外接的C470充电。当C470正极电压达12V时,ZD4击穿导通→模拟晶闸管Q6、Q7导通→Q5导通→NZ801的16脚输出低电平→V830截止→整机处于待机保护状态。
(7)场输出过流保护
场输出级所需27V电压是行输出变压器T461的6脚输出的行逆程脉冲经VD308整流、C310滤波后提供的,该电压经过流检测电阻R343送往场输出级。若场输出级发生过流故障(如场偏转线圈短路),则R343两端压降增大→V340因b极电压下降而导通→VD340击穿导通→NZ801的14脚电压升高→Q6、Q7被触发导通→Q5导通→16脚输出低电平→V830截止→NZ801的9脚为低电平→Q3截止,c极呈高电位→ZD2击穿导通→Q2导通→光耦器N862发光二极管电流大增→光敏三极管c、e极内阻大幅下降→N801内部振荡器频率降低许多→整机处于待机保护状态。
二、故障检修
1.检修思路
(1)电源无输出
若电源输出电压为零,可按下述步骤检查:
①先查C810两端是否有300V电压。若没有,说明故障在交流输入或整流滤波电路,应查交流输入保险管F801、限流电阻R813、R812是否有开路。若有开路,很有可能是整流桥堆一臂短路或C810、N801之一击穿。
②若C810上有300V电压,可再查N801的1脚有无300V电压。若无,则极有可能是保护元件Z860开路。若是开路,可能是N801内部大功率开关管击穿或C877、C871短路,可查N801的1脚与12脚、14脚与12脚之间电阻。若较小,则说明开关管短路或C870、C871击穿。
③若上述检查均末发现异常,可再查9脚有无约13V启动电压。若没有,可查启动电阻R851是否开路,稳压管VD878、VD872、电容C876、C877是否击穿。若9脚电压大于18V,则表明市电输入电压过高,保护电路已经动作。
④若查得N801的9脚电压正常,可继续查N801的3、4脚外接振荡定时元件R874、C882、7脚外接软启动电容C866是否损坏,5脚外接稳压管VD845、光耦器N862是否击穿。
⑤若上步检查均未发现异常,应再查N801的6、7脚外接的VD842、VD847及8脚外接延时关断电容C809是否击穿或严重漏电。若均无异常,则极有可能是N801损坏。
(2)电源输出电压为正常值的一半
从前文原理分析可知,这是电源处于待机状态,其可能原因有:
①五端稳压块A801损坏,使CPU工作条件不具备,导致CPU7脚未输出开机高电平,致使V830处于截止状态,使得NZ801的9脚无开机高电平输入而使机器处于待机状态。
②CPU的工作条件不具备或CPU本身有故障,从而使7脚无开机高电平输出。
③NZ801本身损坏,可断开NZ801的 2脚外接电阻R471及14脚外接稳压管VD340试验。若断开它们后NZ801的16脚电压小于1V,在确认CPU的7脚是高电平输入前提下,基本可判定NZ801损坏。
④+B(115V)输出过压或过流,从而引起保护电路动作,可断开保护信号传输电阻R471和保险管F470,并在+B115V电压输出端并接一只电压表然后开机。若电压表读数已超过115V许多,则表明彩电是过压保护,应对稳压系统作认真检查。若电压正常,恢复R471,在保险管F470位置串接一只电流表试机。若电流表读数开机瞬时,大于1.5A,则是行输出电路严重过流,故应对行输出变压器、行偏转线圈、行逆程电容、行输出管、行S校正电容作进一步检查。
⑤场输出电路严重短路,引起27V输出过流保护,可断开VD340予以判断。若断开VD340后,115V电压恢复正常,则可确认是场输出级短路,常见是场输出块短路或场偏转线圈匝间击穿。当然也不排除场保护控制管V340击穿损坏所致。
(3)开机后无光无声,只有电源指示灯闪烁
这是开关电源本身有短路(如开关变压器次级整流滤波系统短路),或是N801的9脚电源供给系统有开路(如VD864、R871、V872、C868开路)故障。其故障机理是:电源本身短路后,N801的11脚电压会上升至过流保护的阈值电压,从而使保护电路动作→电源停振,电源指示灯熄灭→电源停振后N801的11脚失去电压,过流保护解除→电源重新启动,指示灯点亮→过流保护电路动作→电源停振,电源指示灯熄灭。另外,若N801的9脚失去开关电源供给的电压,也会出现电源启动后又停振,然后又启动再停振而如此反复的现象。
2.检修实例
[例1]一台海信TC3400D型彩电通电后无光无声,电源指示灯也不亮。
首先测开关电源各路输出电压为零,再测C810两端无300V电压。经查,保险管F801(4A)已熔断发黑。据此说明电源输入电路存在严重短路,测C810两端电阻几乎为零,这说明C810或N801内部大功率开关管击穿。断开C810的焊点再测其两端电阻仍为零,显然C810已击穿,更换C810后试机,故障排除。
[例2]一台海信TC3418DB型彩电,开机后无光无声,但电源指示灯不断闪烁
由检修思路分析知道,这是因开关电源本身短路或由开关电源提供的13V(N801的9脚工作电源)电压丢失所致。首先测开关厚膜块N801的11脚电压,发现此电压在0到0.5V之间波动,说明开关电源本身存在短路故障。测电源的两个输出端(115V、25V)对地电阻,发现115V端对地电阻几乎为零。首先怀疑C884(330μF/160V)击穿,待焊下测量时却发现正常。再测 115V整流管VD883、VD884时,发现VD884已击穿,用快恢复管更换后机器恢复正常。
[例3]一台海信TC3400D彩电不能二次开机,一直处于待机状态,查电源输出电压约为正常值的一半。
由于导致该故障原因较多,故首先在按动二次开机键时测CPU的7脚电压,可以输出高电平,故可排除CPU或机内(如束电流过流等)保护。接着取下行电源保险管F470,并在此位置串接5A电流表,结果发现电流不足0.5A(最大时),显然可排除行输出过流。既然不是过流,那么是不是过压呢?于是断开F470,在C884(330μF/160V)两端并接一只1W120V稳压二极管和一只100W灯泡试机,结果二极管并未击穿,灯泡几乎不亮,说明故障在场输出电路或它的保护电路。于是,断开场保护电路稳压二极管VD340(2.4V)试机,发现光栅出现,接上电视信号线,图声正常,工作30分钟未见异常,说明故障在场过流保护电路。测VD340,发现已基本击穿,更换同规格稳压管开机,故障排除。
文/王绍华