压电陶瓷蜂鸣片是利用压电效应原理工作的,当对其施加交变电压时它会产生机械震动;反之,对其施加机械作用力时它也会产生电压信号。因此,我们可以将压电陶瓷蜂鸣片变通作为震动传感器使用。
一、压电蜂鸣片作震动传感器的连接方式
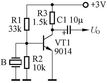
压电陶瓷蜂鸣片受到机械作用力时产生的电压信号很微弱,作震动传感器使用一般应连接电压放大器。图1所示为压电陶瓷蜂鸣片与晶体管放大器的连接形式,压电蜂鸣片B直接并接在晶体管VT1基极偏置电阻R2上。因为压电陶瓷蜂鸣片不通直流,所以不会对直流偏置电路产生影响。当有机械力作用于B时,B产生的信号电压叠加在偏置电压上进入VT1基极,放大后由VT1集电极经C1输出。C1的作用是隔离直流电压输出交流信号。改变R1可调整晶体管工作点,改变R2可调节震动传感器的灵敏度(同时工作点也受影响),增大R2可提高灵敏度,减小R2可降低灵敏度。

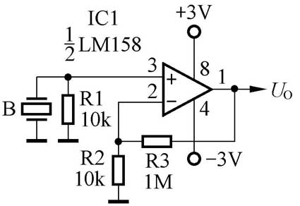
连接方式也可以用集成运放作为电压放大器。图2所示为压电陶瓷蜂鸣片与双电源集成运放的连接形式,压电蜂鸣片B与R1并联后接于集成运放IC1的“+”输入端,改变R1可调节震动传感器灵敏度,改变R3可调节放大器增益。图3所示为压电陶瓷蜂鸣片与单电源集成运放的连接形式,R1、R2分压将IC1“+”输入端偏置在1/2V\(_{CC}\)处,压电蜂鸣片B直接并接于R2上,改变R4可调节放大器增益,C2为隔直流耦合电容。


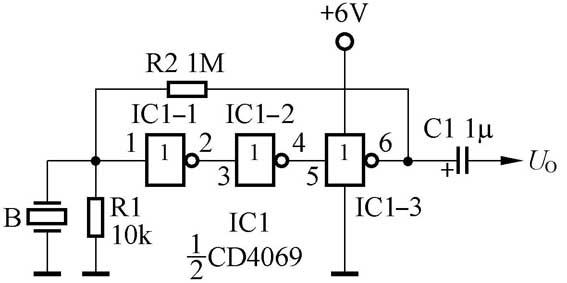
图4为压电陶瓷蜂鸣片与CMOS放大器的连接电路,三个CMOS非门构成模拟放大器,放大倍数A=R2/R1,压电蜂鸣片B直接并接于R1上,改变R2可调节放大器增益。C1为隔直流耦合电容。

二、压电蜂鸣片变通运用实例—— 震动报警器
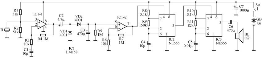
震动报警器的功能是在受到各种震动时发出持续一定时间的报警声。震动报警器电路如图5所示,采用压电陶瓷蜂鸣片B作为震动传感器,集成运放IC1-1为电压放大器,C3、R5、IC1-2等组成延时电路,时基电路IC2、IC3分别组成超低频振荡器和音频振荡器,图6为其方框图。


当震动等机械力作用于压电陶瓷蜂鸣片B时,由于压电效应,压电蜂鸣片B输出电压信号,从3脚进入IC1-1进行电压放大。集成运放IC1-1为单电源运用,R1、R2将其“+”输入端(3脚)偏置在1/2V
\(_{CC}\)处,放大倍数为100倍,可通过改变R4予以调节,放大后的信号电压由1脚输出。C2、VD1、VD2等组成倍压整流电路,将放大后的信号电压整流为直流电压,使C3迅速充满电。由于集成运放IC1-2的输入阻抗很高,C3主要经R5缓慢放电,可延时数分钟,在此期间,IC1-2输出端(7脚)为高电平,使超低频振荡器IC2起振,输出周期为2秒的方波。时基电路IC3组成音频振荡器,振荡频率约800Hz,经C6驱动扬声器发声。IC3的复位端(4脚)受IC2输出的方波控制,振荡1秒,间歇1秒。综上所述,当有震动发生时,震动报警器即发出间隔1秒响1秒的报警声,持续5~8分钟。
调试时,通过调节R4改变电压放大器增益来调整震动传感器的灵敏度,使其既能可靠报警又不致误触发。
该震动报警器可有多种用途。将压电陶瓷蜂鸣片B固定在门窗上或贵重物品上,可作防盗报警器。将压电陶瓷蜂鸣片B固定在墙壁上,可作地震报警器。将压电陶瓷蜂鸣片B固定在大门上,还可作震动触发式电子门铃。
文/莫恩