新型内建偏置控制输出晶体管NJL1302D/NJL3281D
NJL1302D/NJL3281D是安森美半导体(ON Semiconductor)公司推出的内建偏置控制输出晶体管。NJL1302D 为PNP晶体管,NJL3281D 为NPN晶体管。
特点:
NJL1302D/NJL3281D的耐压为230V,额定功率为200W。ThermalTrak器件无需输出驱动补偿电路,也无需人工偏置调整,从而简化了电路板的设计。
NJL1302D/NJL3281D采用的ThermalTrak技术并非在靠近输出器件的散热器上安装一个或多个偏置晶体管,而是将偏置补偿电路集成在一个输出晶体管中,从而可以精确检测并即时修正热变化,提高音质和偏置稳定性。此项技术具有传统分立偏置电路无法比拟的偏置补偿性能。
应用范围:
NJL1302D/NJL3281D可以消除冗长的预热时间,启用快速精确的温度调节功能,同时可以提高音质和偏置稳定性,适合于高端消费电子产品的音频放大器和接收器应用,同时也适用于剧场、电影院、露天大型运动场和公用广播系统等专业音频应用。
编者注:
NJL1302D/NJL3281D的详细资料见http://www.onsemi.com/pub/Collateral/NJL3281D.PDF。
低功耗单电源宽带电压反馈放大器OPA830
OPA830是德州仪器公司推出的高速电压反馈型放大器。
特点:
OPA830的工作电流只有3.9mA,+2V/V时的带宽增益超过100MHz,典型的0.1dB增益平坦度大于25MHz。当驱动 150Ω的负载时,输出摆幅在任一电源中均在25mV以内。输入范围扩展低于负电源,保持在正电源的1.7V范围内。另外,OPA830的带宽高达110MHz,转换速率高达600V/μs。
OPA830的工作电源为单+2.8~+11V,也可使用±(1.4~5.5)V的双电源。
应用范围:
OPA830具有优异的视频线路驱动器参数,是ADC 输入缓冲器、消费类电子产品以及测试仪器的理想选择。
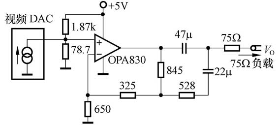
应用电路:
OPA830采用业界标准的 SO-8 封装或绿色环保的超小型无铅 SOT23-5 封装,各种封装的引脚排列如图2所示,典型应用电路如图3所示。


编者注:
OPA830的详细资料见http://www-s.ti.com/sc/ds/opa830.pdf。
新型音频编解码器WM8980/WM8982
WM8980/WM8982是欧胜微电子股份有限公司推出的音频编解码器芯片,以满足手持式多媒体设备日益增长的、对完美音响效果的需求。WM8980/WM8982的区别是WM8980带立体声,WM8982为单声道。
特点:
WM8980/WM8982的主要特点是包括增强的音频处理、一个视频缓冲器和一个扬声器驱动器。
WM8980和WM8982各带有一个视频缓冲器,可以和电视机相连直接播放图像。在既提供图像功能、又提供音频功能的许多便携式设备中,这一功能将越来越普及。而在过去,实现这些功能则需要一个外置视频运算放大器。
WM8980和WM8982都带有一个增强3D音效的5频段的均衡器来改进音频输出效果,另外,还集成了用于扬声器和耳机的驱动器,输出功率高达900mW,且有一个数字回放限制器可防止扬声器输出过载。WM8980和WM8982的模拟电路工作电压可以低至2.5V,数字电路工作电压可低至1.62V。
应用范围:
由于WM8980和WM8982可提供出色的音频效果,故是便携式数码摄像机、便携式DVD等产品的理想选择。
编者注:
WM8980和WM8982的详细资料见http://www.wolfson.co.uk/uploads/ documents/WM8980.pdf。
