LP系列音效集成电路是深圳联德合微电子有限公司(http://www.lpme.com/)产品,本文将介绍几款新颖的LP系列音效集成电路及其应用。
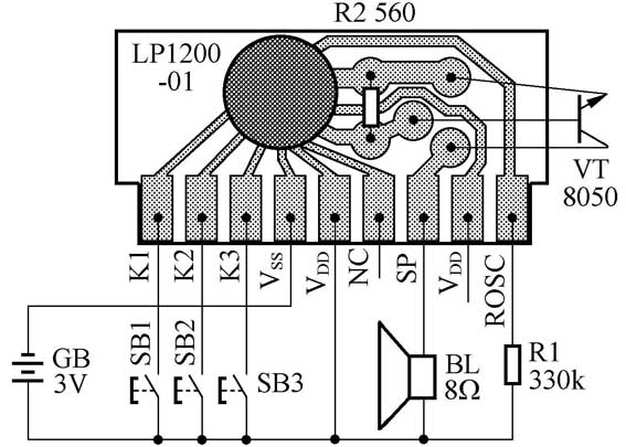
LP1200-01是一种内含三种音效的CMOS大规模集成电路,芯片采用COB黑膏软封装,外形尺寸为21mm×10mm。芯片内储的三种音效为:叮咚2声、致爱丽丝和西敏寺钟声,分别通过SB1~SB3三个按键触发,均为高电平触发有效,其典型应用电路和主要电参数分别见图1和表1。

图1中,SB1~SB3分别为三个常开型按钮,当按动SB1时,芯片输出“叮咚”2声,经三极管VT放大后推动扬声器BL放音;按动SB2时,扬声器发出的是“致爱丽丝”电子音乐声;按动SB3时,发出的将是西敏寺钟声。三极管VT及VT的基极电阻R2均可插焊在芯片的5个小焊孔内。R1为芯片的外接振荡电阻器,更改其阻值可以调整芯片输出音效声的音调。该电路可用于普通音乐门铃,实际使用时,SB1~SB3三个按钮可根据个人的喜爱任选其中一个。
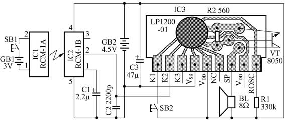
图2是一个用LP1200-01集成电路制作的双音遥控门铃电路,客人来访时,按动门框上的门铃按钮SB2,门铃就发出“叮咚”声,告知门外有客人来访;若家人回家,只要按动放在口袋里的遥控开关SB1,门铃即发出“致爱丽丝”电子音乐声,因此室内主人可以根据响声不同,轻而易举地区分是客人来访还是家人回家。

图2中,左部IC1(RCM-1A)、GB1与SB1构成一个随身携带的遥控发射器,右部是安装在室内的遥控门铃接收器,其中按钮SB2安装在室外门框上。平时模块IC2(RCM-1B)的2脚输出低电平,SB2也无人按动,门铃芯片IC3(LP1200-01)两个触发端K1与K2均无触发信号,故处于静止状态。当客人来访时按下门外的SB2,IC3的K1端受高电平触发,IC3即输出内储的“叮咚”信号,经VT放大后推动扬声器BL放音,告知门外有客人来访。如果家人回家,只要按动一下遥控发射器上的SB1,模块IC1即向外辐射无线电磁波,IC2接收到该电磁波信号后经内部电路解调2脚就输出高电平,此高电平直接加至IC3的触发端K2,IC3就输出内储的“致爱丽丝”乐曲信号经VT放大推动扬声器BL发声。该电路十分适宜家中有上学小孩的家庭使用,遥控器可供上学小孩随身携带,小孩放学回家时,他只要按一下口袋里的发射按钮SB1,家中的大人根据门铃发声不同,就知道是孩子回家了。
IC1与IC2采用国产配对的微型无线电发射与接收模块RCM-1A与RCM-1B,该模块深圳市商斯达电子有限公司(http://www.sunstare.com/)有货可供。GB1采用2节5号电池,专供IC1用电;GB2用3节5号电池串联,供IC2与IC3用电。VT可用8050型硅三极管,要求β≥100。其他元器件无特殊要求。
LP1600-01型集成电路内含“叮咚”2 声和鸟鸣两种音效,该芯片最大特点是它在输出鸟叫声的同时还可以驱动一只玩具电动机运转,因此本电路除可用于门铃外,还可用于鸟叫声电动玩具,使玩具在发出鸟叫声的同时通过电动机驱动小鸟摇头摆尾。该芯片采用COB黑膏软封装,其外形和电参数与LP1200-01完全相同。LP1600-01芯片典型应用电路见图3,由于该芯片已内置了功放三极管,所以其PWM1、PWM2端可以直接推动8Ω扬声器BL发声。当按下SB1,芯片TG1端受高电平触发,扬声器BL就发出“叮咚”2声;如按动SB2,BL发出的将是鸟叫声,同时MOT端还可以驱动玩具电动机M运转。
LP1630-01是一种实用的多音效集成电路,它采用COB黑膏软封装,外形与LP1200-01相同,主要电参数见表2。芯片内储12首乐曲主旋律(含“叮咚”声)和一种报警音效,12首乐曲名为:白兰鸽、快乐的农夫、“叮咚”2声、催眠曲(4音)、“叮咚”+Hello、黄玫瑰、“叮咚”1声、铃儿响叮铛、噢苏珊娜、小调、真假公主、紫竹调等。放音时,可以任选其中一种音效播出,典型应用电路见图4。
图4中,SB1为选曲键,每按键一次将依次选择下一首内储音效;SB2为触发按键,按动SB2,芯片即输出所选音效,经三极管VT放大后推动扬声器BL放音。R1为芯片的外接振荡电阻器,更改其阻值可以调整芯片输出音效的音调高低。该电路可用于音乐门铃或作报警器音源。
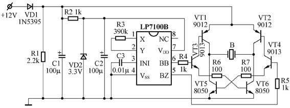
LP7100B是专为报警扬声器生产的单声报警音效集成电路,该电路采用DIP-8标准封装,各引出脚功能为:1脚X、2脚Y为振荡电阻器端;3脚INI为输入控制端,内置有上拉电阻,当该端接地时,禁止BB、BZ端输出;4脚Vss为电源负端;5脚BZ、6脚BB为报警音效信号输出端;7脚VDD为电源正端;8脚NC为空脚。LP7100B主要电参数见表3。
LP7100B可广泛应用于各种报警器作音源发生电路,其报警声有单边不平衡和双边平衡输出两种方式,图5是采用单边不平衡输出方式的应用电路。图中12V正电源直接为功放电路VT1、VT2供电,电源又经R2、VD2与C2降压限流稳压及退耦输出3.3V左右电压供LP7100B用电。本电路报警音效信号从5脚BZ端引出经VT1、VT2放大后推动扬声器BL发声。R3是LP7100B的外接振荡电阻器,阻值可在220kΩ~950kΩ选用,阻值愈大,报警声的节奏愈慢,反之则快,可根据需要进行调整。
双边平衡输出方式电路见图6,图中报警音效从LP7100B的BZ及BB端引出然后送至VT1~VT6组成的对称形功率放大器,以驱动专用的功率压电陶瓷片B发声,加上设计独特的谐振共鸣腔,可获得高达80dB的报警音量。本电路供电部分与图5完全相同。
文/陈有卿



