本文介绍的多波段端馈入式倒V天线成本低,容易制作,由1根20.91m长的漆包线和1个简单的天调(L型网路)构成。下面简单介绍一下具体制作方法。
天调的制作
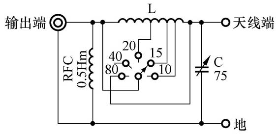
天调的电路见图1,天调的输出端接发射机。电感的外形尺寸、绕法如图2所示。高频扼流圈RFC可以防止暴风雨天气时在天线积累的电荷。它在频率最低端感抗应该比低阻输入端阻抗高20倍,这样这个扼流圈带来的损耗就可以忽略不计。可以看到,在40m时,波段开关的动触点没有和线圈接触,利用了整个线圈。在80m时,线圈被波段开关短路,天线直接接入。线圈共20匝,线径0.9mm间绕,线圈长度为38mm。从始端起,3=12匝处为10m抽头,5=\(\frac{1}{4}\)匝处为15m抽头,8匝处为20m抽头。


调谐电容C在40m时承受的电压最高,必须能耐受1500V电压。动片与定片之间的距离有0.5mm就足够了。由于容量不大,可以采用体积小一些的。整个电路可以装在1个127mm×77mm×51mm的塑料壳里,布局见图3。没有必要用金属壳。如果采用金属壳,线圈与四周必须有25mm的距离。天线端和接地端可以用两个接线柱,输出端采用同轴电缆接头。

天线的架设
天线用的导线直径要求不严,典型的为1.2mm。由于有一部分天线在房间里,所以可以考虑使用带绝缘皮的导线,单股、多股都可以。
把导线一端固定在天线绝缘子上(可用一条有机玻璃板在两端钻孔代用),截取20.91m长,典型的安装方法见图4。X-Y之间的长度为20.91m。如果你住在楼上,可以采用斜坡式架设方法(图5)。


天线的固定
在工作间一端,天线还剩下几米时,用一段尼龙绳和绝缘子把天线固定在墙上,然后通过通风口把天线引入工作间。如果从窗户引入,不要靠近铝合金窗框,最好能在玻璃上钻孔。天调应靠近天线的引入点,发射机也尽可能靠近天调,尽量缩短同轴电缆的长度。同轴电缆的典型长度为600mm。这个天线系统要有可靠的地线。
天调的调整
要把这种天调调整到对于发射机呈现纯电阻,就在天调与发射机之间串入合适阻抗的驻波表。把收发信机与天调接好,调到40m段,将天调的波段开关置于40m的位置,调节天调的可变电容C,使收到的信号最强,也就是峰点处。把驻波表的开关置于反射波(REF)的挡位,发射一个小功率载波,微调天调的可变电容C,使反射波的读数最小。不要动可变电容,把发射机调到最大功率发射一个载波,微调天调的可变电容C,检查一下是不是反射波最小,记下这个位置。20m、15m、10m的调整方法完全相同,分别标上刻度。最后,把可变电容调到容量最小的位置,波段开关置于80m,如果驻波很大,那就是地线的问题了。调好后就可以使用了。
译者的话
这种天线取材、架设都容易。线圈的骨架可采用相同尺寸的PVC管。住在楼上地线是个头痛的事,译者分别试过接在暖气管道、自来水管道、金属窗框上,感觉接在窗框上效果不错,接在阳台的金属栏杆上也能很好地工作。但应该使栏杆与连接导线有良好的电气接触,连接处要包上胶布。此外地线与天调之间的连线要尽可能短。
值得注意的是,由于架设环境不同,抽头的位置可能会有小变化。如果反复调节都无法使驻波最小,可试着改变一下抽头的位置再试。在初次调整驻波时一定要用小功率,以免驻波太大损坏发射机。
文/赵辉 编译