在一些宾馆、饭店的房间中,为了安全和节约用电,通常都在房间的门口处,安装一个利用“房卡”进行“光电”控制的小机构(常被称为“取电口”),将“房卡”插入“取电口”中,房间内的照明灯、电视机等用电设备才能够被开启;拔出插在“取电口”中的“房卡”,房间内的各种电器均会自动断电。此外,房间内的各种用电控制开关,大多集中安装在床头柜的面板上,使客人能方便地控制房间内的各种照明灯具和电视机的开启与关闭。上述的控制电路可利用单片机进行综合控制。本文介绍一个用AT89C2051单片机作房间电器综合控制的实用电路,该电路的软、硬件均已调试完成并实际运行通过。通过该电路,读者可以进一步了解到单片机的功能扩展和指令应用技巧。
电路的主要功能
1. 具有对“取电口”状态自动识别的“智能”功能。当插入“房卡”时,能使房间的“床头灯”、“镜前灯”自动点亮;当拔出“房卡”时,电路经过15秒钟的延时,再自动切断房间内的所有电器电源,以确保安全和节约用电。
2.具有独立控制的开关6个。
3.各开关均仅控制5V的直流低电压,可采用“薄膜印制式轻触开关”。
4.各控制开关均工作在“双稳态触发器”方式下。
5.本电路采用了光电耦合的隔离输出控制方式。
6.各种工作状态和延时时间等参数,均可通过修改相应的指令进行调整。
电路硬件
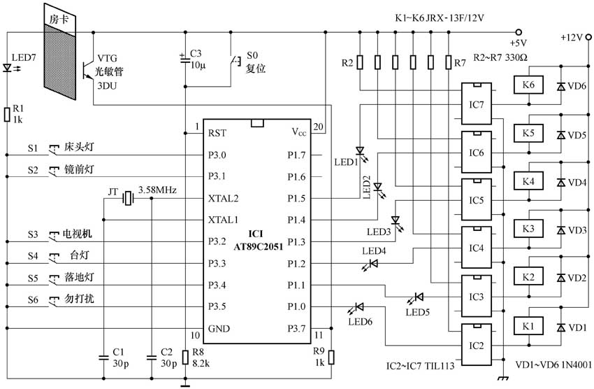
电路如图1所示。AT89C2051单片机为本电路的核心。C3和R8构成了简易的上电自动复位电路。JT、C1、C2与IC1相关引脚构成了单片机的时钟电路。单片机I/O口中的P3.7作为“取电”控制口,在该端口上,外接了一个由光敏三极管VTG和发“白色光”的发光二极管LED7组成的简易光控电路(中间留有1cm的缝隙,以便于插入“房卡”),当“房卡”未插入时,光敏三极管受LED7光照射而导通,P3.7口为高电位;当插入“房卡”后,LED7发出的光被阻挡,光敏三极管因无光照射而截止,P3.7口则会变为低电位(经R9接地)。这样,通过与程序配合,即可完成对该“取电口”状态的检测并适时完成相应的控制功能。P3.0~P3.5口作为6个独立开启和关闭各负载(各照明灯具和电视机)的输入控制口使用,分别受6只自复位型“按钮开关”的控制;P1.0~P1.5口作为6个输出控制口使用,其控制关系分别与P3.0~P3.5口相互对应。P1.0~P1.5端口各被接至光电耦合器IC2~IC7的输入端上,在光电耦合器的输出端分别接有一只继电器。这样,当P1.0~P1.5中的某一个(或几个)口为低电位时,IC2~IC7输出端对应的继电器就会吸合,其接点闭合,控制负载接通电源。反之,当P1.0~P1.5中的某一个(或几个)口为高电位时,IC2~IC7输出端对应的继电器就会释放,其接点断开,控制负载切断电源。串接在各光电耦合器输入端的LED1~LED6用于指示各输出开关的工作状态,其亮灭与否与各开关接通与断开同步。

电路中所需元件的规格参数均如图1所标注,其中,光敏三极管应选用灵敏度较高的3DU系列或其他性能相似的型号;LED7发光二极管最好选用能发白光的新型高亮度发光二极管,并且在安装时一定要注意与光敏三极管的受光面对准,以确保“光控”稳定、可靠。另一点需提醒读者注意的是,光电耦合器输出端的继电器工作电源+12V,最好不要与单片机系统的+5V工作电源共“地”,以确保隔离效果。
程序介绍
本程序使用汇编语言编写,其流程图如图2所示。为了提高电路的抗干扰性能,确保系统工作稳定、可靠,按键处理子程序中,在对各按键信号的输入识别时,分别加入了按键接点的软件延时除颤功能。
本电路的应用程序已编制完毕并实际调试运行通过,但限于篇幅,本文对此从略。读者如需源程序可到本刊网站www.radio.com.cn上下载。
文/张继辉 张婧