反馈是把放大器输出信号的全部或一部分通过一定的方式送回到放大器输入端,使放大电路由原来的开环变成了闭环。反馈可分为正反馈和负反馈:放大器引入一定深度的正反馈可以形成各种不同的振荡电路;放大器合理地使用负反馈,可以使电路性能得到改善。本文对负反馈的类型和对放大器性能的影响进行浅显的分析,使初学者对放大器中的负反馈能有初步的了解。
大家知道,放大器有两个输入端和两个输出端,两个输入端中有一端接“地”,两个输出端中有一端也接“地”,可见放大器的输入端与输出端都有一端接“地”。反馈电路(常称为反馈网络)也有两个输入端和两个输出端(它是一个四端无源网络),在这一点上和放大器很相似,也是输入端与输出端都有一端接“地”。放大器和反馈网络相互连接形成闭合环路需要有一个基本原则:放大器的输出端与反馈网络的输入端连接,放大器的输入端与反馈网络的输出端连接。根据连接方式的不同,再满足负反馈形成的相位条件,便产生了负反馈的四种类型:电压串联型、电压并联型、电流串联型和电流并联型。反馈类型名称中,前边的“电压”或“电流”是指放大器的输出端与反馈网络的输入端的连接方式,如果是并联连接,则为“电压”类型,如果是串联连接,则为“电流”类型。后边的“串联”或“并联”,是指放大器的输入端与反馈网络输出端的连接方式,如果是串联连接,则为“串联”类型,如果是并联连接,则为“并联”类型。放大器输出端与反馈网络输入端的连接方式,并不影响放大器输入端与反馈网络输出端的连接方式,反过来也是同样的道理。“电压”、“电流”与“串联”、“并联”分别组合成负反馈的四种类型。放大器运用负反馈后,可以使几个方面的性能得到改善:首先是减小了放大器的波形失真,使保真度更高了;其次是改善了放大器的频率响应特性,展宽了放大器的通频带;再次是提高了放大倍数的稳定性,但比开环时的放大倍数要有所降低。这三点是四种类型负反馈的共性。值得注意的是负反馈对放大器输入或输出电阻的影响就与负反馈类型有关了:“电压”类型负反馈会使放大器的输出电阻减小;“电流”类型负反馈会使放大器的输出电阻增大;“并联”类型负反馈会使放大器的输入电阻减小;“串联”类型负反馈会使放大器的输入电阻增大。从物理意义上理解,放大器输出电阻减小,输出性能更接近“恒压源”,可使带负载能力增强;放大器输出电阻增大,输出性能更接近“恒流源”,输出电流更加稳定。放大器输入电阻减小,为电子线路提供了一种阻抗变换的手段;放大器的输入电阻增高,在用作放大器或多级放大器的前级时,会降低对信号源的要求。
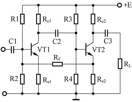
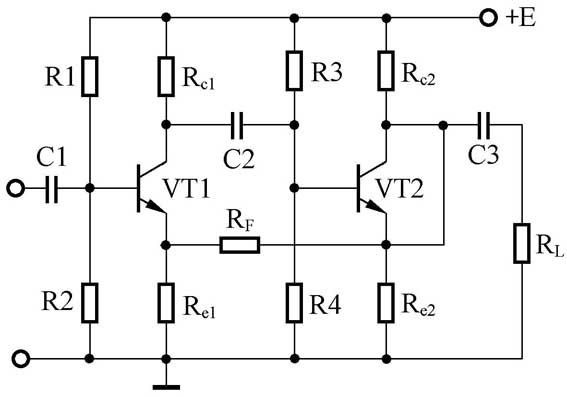
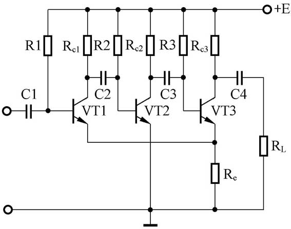
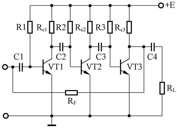
下面分别给出四种不同类型负反馈放大电路的实例。图1是电流并联型负反馈放大电路;图2是电压串联型负反馈放大电路;图3是电流串联型负反馈放大电路;图4是电压并联型负反馈放大电路。图中R\(_{L}\)是负载电阻。R\(_{F}\)是反馈网络中的反馈元件(确切地说是反馈电阻)。图3中R\(_{e}\)既是VT3的发射极电阻,也是反馈网络的组成元件。




文/李楷