高精度、高速CMOS放大器OPA727/OPA2727
OPA727/OPA2727是德州仪器公司推出的带宽20MHz高精度、高速CMOS 放大器。其中,OPA727为单通道放大器,OPA2727为双通道放大器。
特点:
OPA727/OPA2727采用了先进的e-trimTM技术,可以提供出色的失调电压(最大值为150μV)以及极低的失调电压漂移 (1.5μV/℃)。
OPA727/OPA2727的带宽为 20MHz,压摆率为 30V/μs,噪声系数为6nV/√Hz,并且谐波失真仅为 0.0003%,工作电压范围为3.5~13.5V,指定工作温度范围为-40~+125℃。
应用范围:
OPA727/OPA2727特别适用于对动态特性要求比较高的领域,如有源滤波器、音频、测试设备以及工程控制等。
应用电路:
OPA727/OPA2727的典型应用电路如图1所示。
微型2A升压式DC/DC转换器LTC3426
LTC3426是凌特公司(Linear Technology)推出的2A、6V、1.2MHz升压式DC/DC转换器。
特点:
LTC3426内置2A的MOSFET开关,具有1.6~4.3V的宽输入电压范围,可在两节碱性/镍氢金属/镍镉电池和单节锂离子电池供电时正常工作,输出电压高达5.5V,效率超过90%,输出电压VOUT=1.22×(1+R1/R2)。其1.2MHz恒定开关频率有助于设计工程师防止开关噪声进入噪声敏感的电路,且可以使用微小的电容器和电感器。
LTC3426内部的100mΩ开关在重负载时能够提供高效率。在输入电压为3.3V,输出电压为5V时,可提供800mA输出电流。
应用范围:
由于LTC3426具有高效率的开关电路和小体积的ThinSOT封装,故能以紧凑的外形提供大电流升压能力,适用于消耗功率较大而空间又有限的场合,如MP3播放器、DVD影碟机、手机、无绳电话等。
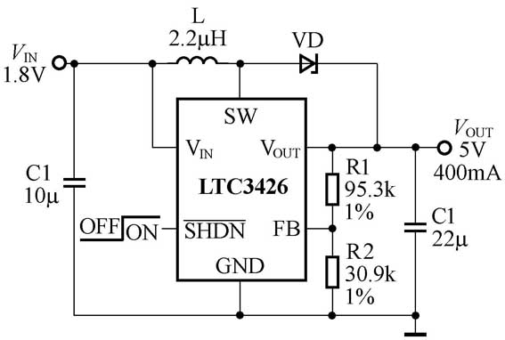
应用电路:
LTC3426的典型应用电路如图2所示。
大功率DC/DC稳压器MIC2295
MIC2295是Micrel Semiconductor公司推出的一款高功率DC/DC稳压器,该器件能提供高达34V的输出电压,以及超过1.2A的输入开关电流,适合于大负荷应用。
特点:
MIC2295的输出电流比上一代产品MIC2288高20%,输入电压为2.5~10V,待机电流约1μA。它采用一种专有的内部补偿技术,使输出电容器可从4.7μF缩小为2.2μF。MIC2295还提供输出电压保护功能。
应用范围:
MIC2295采用2mm×2mm的MLF-8L封装和薄型SOT23-5L封装,可用于有机EL显示器、LCD显示器和数码相机等设备。
应用电路:
MIC2295的典型应用电路如图3所示。


