目前,家庭用电保安装置多无报警功能,发生断电是由于保险丝熔断或停电,还是因触电漏电保护装置动作往往分不清楚,需经进一步检查确认;另外保护装置动作后重新工作需手动复位,给使用带来不便。本文介绍的“自复式触电漏电保安报警装置”,可在实行保安保护的同时发出报警声,不但能及时防止事故发生或扩大,而且根据报警声的有无可断定有无电。当人体脱离电源或故障排除后经5~8秒,装置自动恢复供电,报警声终止。
电路组成及工作原理
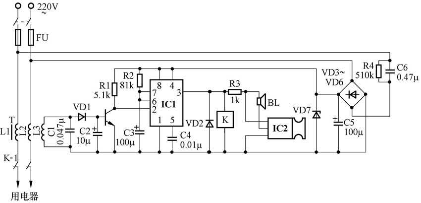
自复式触电漏电保安报警装置电原理图如图1所示。电路由信号检测、电子开关、单稳态触发器、控制报警及电源部分组成。

图中,线圈L1、L2、L3组成信号检测电路(又称零序互感器)。正常情况下,因瞬时流过L1、L2的电流大小相等,频率相同,相位相反,则互感器中的总磁通量为零,线圈L3中无感应电流。当发生触电漏电或短路故障时流过L1和L2中的电流不再相等,L3中便感应出一交变电压,作为检测信号输出。
二极管VD1、晶体三极管VT及电容C1、C2组成电子开关电路,用来把零序互感器检测到的漏电信号送至单稳态触发器,使其翻转,促使执行电路工作。
时基电路IC1和电阻R2、电容C3组成单稳态触发器,R2与C3为定时(亦称延时)元件。
继电器K和IC2组成控制报警电路。220V交流电源由K的常闭触点K-1控制,IC2与扬声器BL构成报警器。一旦用电设备发生触电漏电或短路事故,继电器K立即吸合,常闭触点断开交流电源,同时发出报警声响。
电容C6、二极管VD3~VD6,滤波电容C5及稳压二极管VD7,组成电容降压、整流滤波及稳压电源电路,向保安报警电路提供6V直流工作电压。
元器件选择
IC1为时基电路555,可选任意型号。IC2为音乐三极管,可选VT66A型,不必外接元器件,只接扬声器即可,声音宏亮。VT选NPN型三极管,选用9014等型号,β≥80。VD1~VD6为整流二极管,选1N004,或选1A/200V全桥整流块。VD7为稳压二极管,选2CW14。K为6V直流继电器,可选JRF-13F等型,双组触点,电流大于2A。扬声器BL选小口径簿型8Ω/0.25W,亦可用加助声腔的压电陶瓷片。电阻R1~R4,均选用0.25W金属膜或碳膜电阻器。C1、C4选用耐压不小于10V的无极性瓷介电容,C6选用耐压630V的CBB型电容。C2、C3及C5选用耐压不小于16V普通电解电容器。
零序互感器T是制作本装置电路的关键部件。制作时,选用20mm×10mm×5mm的铁氧体磁环,先绕L3绕组,后绕L1、L2绕组。L3用单股漆包线,直径为φ0.2~0.5mm。绕45~55匝;L1、L2选φ1.2mm高强度漆包线,双线并绕5~7匝,且绕向一致、均匀,相互绝缘良好。
安装和调试
自复式触电保安报警装置的印制电路如图2所示。只要元器件良好,安装无误,焊接牢固可靠,一般均能正常工作。

延时时间决定于R2和C3的数值,图示值延时时间为6~7秒。可依其需要予以调整。
若本装置动作不够灵敏,即检测的漏电电流过小时,可适当增加L3的匝数或加大线径。
安装调试好的电路板,安装在大小适宜的绝缘盒体中。为装拆输入输出线方便,最好在盒体后侧设置接线柱。当出现用电器无电时,可及时听到报警声;若室内突然无电又未听到报警声,说明电网停电或是保险丝出了问题,可重点检查保险丝。
文/杨国治