步进继电器具有以下特点:
1.不需要维持电流
步进继电器状态的改变受脉冲电流控制,每来一个脉冲改变一次状态并保持住这种状态。
2.具有记忆功能
步进继电器从一种状态变换到另一种状态后,依靠机械结构能保持“自锁”,因此具有记忆功能。
3.有简单的编程功能
单触点的步进继电器只有“0”和“1”两种状态(触点分断为“0”,接通为“1”)。而双触点的步进继电器则有4种不同状态,如果再把它们恰当地组合和编排,可以做出多种不同步序功能的产品。目前台湾和可公司已开发出9种不同的步序,见附表。因此它有简单顺序控制功能,或者说是有简单编程功能的控制部件。

4.可以直接使用交流电源
步进继电器既有直流电源、也有交流电源的产品。直接使用交流电源可使电路变得更为简单。
5.可实现多点遥控
在步进继电器的线圈控制端并联若干个自复式按钮开关,把开关分别安装在不同地点,便可实现多点遥控。如果把步进继电器用在红外遥控或无线遥控器中,就可以实现红外遥控或无线遥控。
6.有较强的负载能力
普通的继电器触点负载电流是3A,步进继电器的触点负载电流可达10A。
如果把步进继电器和相应的电子电路结合起来,就可以充分发挥上述各种优点,在电气照明、家电控制和工业自动化方面设计出各种安全、节能、可靠、成本低、性能好的控制电路。
广告灯箱定时控制器
用步进继电器和电子时间继电器可以做成灯箱定时控制器,根据冬夏不同光照,人为地调整和控制开灯时间和关灯时间,既可节约电能又能延长设备使用寿命。
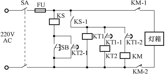
图1是控制器的电原理图。KS为台湾和可公司生产的步进继电器,选用的是BF01A7型。单触点,有“0”和“1”两个步序,用交流220V电源。KT1、KT2也是该公司的AFH3B-S8-30H型电子时间继电器。8脚插座式,线性刻度指针式指示,有2组延时转换触点,最长延时时间为30小时,使用电源为24~240V,AC/DC。KM为交流接触器,用来接通灯箱的电源。

使用前应该先设定时间,也就是将时间继电器的定时指针拧到设定时间上。例如下午5时下班,冬天定在下午6时开灯,半夜1时关灯,则从启动到灯亮的设定时间T1为1小时;从灯亮到灯灭的设定时间T2为7小时。
灯箱定时控制器的工作过程如下:
(1)下班时按一下自复式按钮开关SB,KS跳一步,触点状态从“0”变成“1”:KS-1接通,KT1得电,开始计时。
(2)KT1定时时间到,KT1-1接通,KT2得电,开始计时;KT1-2接通,KM得电,KM1-1、KM1-2接通,点亮灯箱。
(3)KT2定时时间到,KT2-1接通,KS跳一步,触点状态从“1”变成“0”,KS-1分断,切断所有继电器和接触器的电源,灯箱熄灭。电路恢复到初始状态。
这个定时控制器直接使用交流电源,电路组成非常简单,操作也非常简便,开关时间设定好后下班时只需按一下按钮开关就能启动自动工作。而且设定时间还可以随着季节不同及时变动,非常灵活。
这个定时控制器除了用作灯箱定时控制外,同样可用于霓虹灯、彩灯的定时控制以及其他自动化系统的中小功率电器的定时控制。
塑料袋封装控制器
步进继电器可以用于塑料包装袋的封装控制。塑料袋半成品是成卷的,由电动机带动滚桶拉出和成形,滚桶的周长就是每个塑料包装袋的长度。滚桶的一端装有一个金属块,正对金属块的前方装有一只电感式接近开关。每次装入物品后启动控制器,滚桶便转动—周拉出塑料袋,当滚桶转回到起始点时,接近开关检测到金属定位标记而动作,给热封装置发去指令,驱动热封装置完成封口。这个封口同时也是下一个包装袋的底部,已拉出并成形的塑料袋成为下一个包装袋。
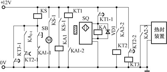
控制器的电原理图见图2。KS为09D1型步进继电器,双触点,3个步序是“00-11-01”,直流12V。SQ是直流三线式NPN型电感式接近开关,型号为ATL-E5NE1。KA1、KA2是一般的直流12V电磁继电器。KT1、KT2、KT3为电子时间继电器。M为拖动滚桶的12V直流电动机。

控制器的工作过程如下:
(1)按下自复式按钮开关SB后,KS跳一步,从“00”变成“11”:①KS-1接通,KA1得电,KA1-1分断,断开按钮支路,防止在整个运转过程中有人再按按钮造成误动作,起到保护作用。②KS-2接通,电机M带动滚桶转动拉出塑料袋。③KA1-2接通,KT1得电,开始计时。
(2)KT1延时2秒后,在滚桶转动使金属定位标记脱离接近开关SQ的感应范围后,KT1-1才接通SQ的电源,为SQ的检测作好准备。目的是为了防止接近开关的误动作。
(3)滚桶转回到起始点,SQ检测到金属标记而动作,KA2得电:①KA2-1接通,KS跳一步,从“11”变成“01”。于是,KS-2分断,电机M停转;KS-1仍接通,KA1仍保持吸合(防止误按SB,保持SQ电源)。②KA2-2接通,KT2得电,KT2延时2秒后动作,KT2-1分断,为KS下一次跳步作好准备。③KA2-3接通,给热封装置发去启动指令,热封装置就对塑料袋进行高频热压封口,热封时间为3~4秒。④KT2-2接通,KT3得电,开始计时。
(4)KT3延时5秒(此时封口已完成)后动作,KT3-1接通,KS再跳一步,从“01”变成“00”。于是,KA1释放,切断KT1电源;KT1释放,切断SQ电源;KA2、KT2、KT3释放。电路恢复到起始状态,等待下一次操作。
以上操作程序,从按下SB后都是自动按顺序进行的。
这个控制器的操作程序并不复杂,用1只步进继电器即可解决控制程序的问题;又因为电路中的定时时间都不长,而且是固定值,可以使用简单的定时电路或一般的时间继电器,从而使电路大大简化,成本降低,操作简单,抗干扰性能好,安全可靠。
有关本文更详细的技术问题读者可与本文作者联系,电话:025-84600428, E-mail: njhwgs@21cn.com。
文/于鹤飞