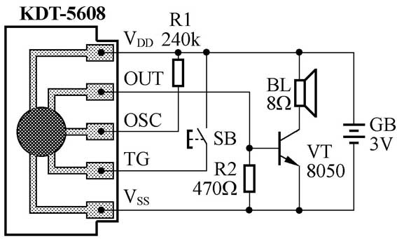
KDT-5608流水声音效集成电路,内储流水声音效,采用一个触发端TG控制,高电平触发有效,该芯片工作电压范围为2.4~5V,典型应用电路见图8。每按SB一次,芯片即输出内储的流水声音效,经VT功率放大后推动扬声器BL放音。R1是芯片的外接振荡电阻器,阻值范围为240kΩ~270kΩ,改变其阻值可以调整芯片输出语音声的音调高低。本电路可用于动态流水画屏装饰等场合。KDT-5608除了有内储流水声外,还有多种其他音效及语音等可供用户选择。

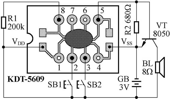
KDT-5609是专为银行生产的语音集成电路,芯片采用COB黑膏软封装,尺寸为18mm×10.5mm,芯片内储“请输入密码!”和“请再输入一次!”两句语音,采用两个触发键控制,均为高电平触发有效。其典型应用电路见图9,芯片共有8个焊盘引脚:1脚为电源正端VDD;2脚与3脚分别为触发端TG1、TG2; 4脚为电源负端Vss; 5脚为输出端OUT;6脚与7脚为空脚;8脚为外接振荡电阻器端OSC。R1是KDT-5609的外接振荡电阻器,更改其阻值可调节芯片输出语音声的音调。R2阻值与芯片供电电压有关: 当GB为3V时,R2取值为680Ω;当GB为4.5V时,R2取值为470Ω;当GB为6V时,R2取值为330Ω。当按下SB1,TG1端受高电平触发,扬声器BL即播放芯片内储的“请输入密码!”语音声;按动SB2时,TG2端受高电平触发,则播放“请再输入一次!”语音。
KDT-995B是一种新颖高音质双音和弦“叮咚”门铃音效集成电路,芯片采用COB黑膏软封装,尺寸为20.5mm×15.5mm,工作电压为3V。该芯片内储三种音效: “叮咚!”声、“叮叮!”声及西敏寺双音乐曲声,采用四个触发端控制输出,均为低电平触发有效,其典型应用电路见图10。
KDT-995B芯片下面共有8个引脚:1脚与8脚为电源负端Vss;2脚为音效输出端BZ;3~6脚分别为四个触发端K1、K2、K3与PS;7脚为电源正端VDD。在芯片上方另有两个带孔小焊盘,用来插焊振荡电阻器R1。当按下SB1时,触发端K1受低电平触发,BZ端即输出内储的“叮咚!”门铃声,经R2加至三极管VT的基极进行放大后推动扬声器BL放音;按动SB2时,K2端受低电平触发,扬声器播放的是“叮叮!”响声;如按动SB3,K3端受低电平触发,扬声器播放的是西敏寺双音乐曲声;如果按动SB4,PS端受低电平触发,扬声器将播放三种音效的复合音。更改芯片外接振荡电阻器R1的阻值,可以调节芯片输出音效的音调高低。本电路可用于有几扇门进出的住宅,如用于独门独院的住宅,可根据各人喜好任选其中一个触发端进行控制。
7.KDT-995C多音效“叮咚”门铃音效集成电路
KDT-995C是一种多音效“叮咚”门铃音效集成电路,芯片采用COB黑膏软封装,尺寸为20.5mm×10mm,工作电压范围为2.4~5.1V,典型值为3V。该芯片内储三种音效:“叮咚!”1声、报警声及“叮咚!”2声,分别由三个触发端控制,均为高电平触发有效。该芯片最大特点是内置了功放三极管,可以直接驱动8Ω小型电动扬声器放音,其典型接线图见图11。
图中,PWM1与PWM2可以直接接8Ω扬声器BL放音,如果从芯片OUT焊盘引出音效信号,则需要通过外接功放三极管放大后才能推动扬声器发声。按下SB1,TG1端受高电平触发,扬声器BL将发出“叮咚!”1声;如果按动SB2,扬声器将发出报警声响;如果按动SB3,TG3端受高电平触发,扬声器将发出“叮咚!”2声。R1是KDT-995C的外接振荡电阻器,更改其阻值可调节芯片输出语音声的音调。
图12是用KDT-995C制作的“叮咚!”报警两用门铃。图中,K为常开型干簧管,它与小磁铁组成门控传感器,门关上时,小磁铁对准干簧管K,所以K内两触点闭合;门打开时,K内两触点因自身弹性跳开。SA1、SA2为一个2×2双刀双掷拨动式小开关,不需要报警功能时,将SA1、SA2拨向图示位置①,此时不管房门打开或关闭,因VT1基极通过R3与开关SA2接地,VT1始终处于截止状态,报警触发端TG2永远为低电平,不会触发工作。SB为安装在门外的按钮,客人来访时,按下SB,TG3即受到高电平触发,扬声器BL就播放芯片内储的“叮咚!”2声,主人闻讯后就可开门迎客。
晚上睡觉时,可以将开关SA1、SA2拨向右边即位置②,此时门铃就具备了报警功能。因房门关着,VT2基极通过干簧管K接地,所以VT2、VT1均处于截止状态,门铃无声。如果有小偷用自配或盗来的钥匙打开房门,因小磁铁离开干簧管K,VT2迅速导通,正电源就通过VT2向C1快速充电,并通过R3加至VT1的基极,使VT1也随之导通,KDT-995C的TG2端受到高电平触发,扬声器BL即播放芯片内储的报警声响,呼唤室内主人并对盗贼有威慑作用。如果盗贼关闭房门,VT2虽然恢复截止,但C1储存电荷可通过R3继续向VT1放电,所以报警声响仍能维持数分钟之久。本机为提高扬声器发声音量,所以电源GB采用三节电池串联供电。
8.KDT-12/768十二曲音乐集成电路
KDT-12与KDT-768均为单键触发的十二曲音乐集成电路,芯片均采用COB黑膏软封装,封装形式相同,尺寸为29.5mm×12.5mm,工作电压范围为1.3~3.6V,典型值为3V。此两系列芯片均内储12首名曲的主旋律,触发一次就输出一首内储乐曲,再次触发,即换下一首乐曲,依次循环。只是KDT-12内储的为中文歌曲,曲名为:常回家看看、有一个姑娘、心太软、妈妈的吻、爱拼才会赢、月亮惹的祸、健康歌、涛声依旧、拨浪鼓、今天是个好日子、读书郎等,而KDT-768内储的是12首英文歌曲。KDT-12与KDT-768典型接线图一样,见图13。图中,SB为门铃按钮,每按键一次,扬声器BL就播放芯片内储的一首乐曲。R为外接振荡电阻器,更改其阻值可以调节芯片输出乐曲声的音调。
文/陈有卿


