LM3886是美国NS公司生产的高性能集成功放,该功放具有过压、欠压、过载、短路、超温保护及开关机静噪功能,其主要电气参数见附表。

LM3886采用T0-220封装,市场上有两种型号:一种为LM3886TF,其背面散热片与电源一端绝缘,可直接安装在散热器上; 另一种为LM3886T,其散热片与电源一端相通,安装时应与散热器之间采取绝缘措施。现介绍三款采用LM3886TF制作的功放电路。
200 W BTL功放电路
200W BTL功放电路图及电源电路见图1,其印制板图见图2。每声道采用两块LM3886TF组成BTL电路,IC1组成同相放大器,IC2组成增益为1的反相放大器,IC1输出的信号经20kΩ电阻进入IC2的反相输入端进行放大,形成桥接推挽电路。它的优点是在较低的电源电压下能得到较大的输出功率,BTL电路在工作时,能在负载上得到比普通单端推挽电路高一倍的输出电压,即负载两端的输出电压峰峰值最高可达电源电压的两倍。单端功放的输出功率为48W/(采用±32V供电);而组成BTL电路时输出功率为48W×4=192W。如果负载为4Ω时,电源电压可降为±23V。本功放由于输出功率较大,电源供应应充沛才能达到额定的输出功率,双声道时需用600W环形电源变压器。自制时应给功放块配上足够大的散热器,以避免输出功率较大时过热保护而关机。调试时,测量IC1、IC2输出端对地直流电压小于20mV即可。由于BTL电路是IC1、IC2推挽进行工作的,所以每声道中两IC的对称性非常关键,测量两只IC的静态电流,越接近越好。如静态电流相差20%时,应更换IC以达到良好的配对,同相输入端与反相输入端之间所接电容为消振电容,容量可在50~500 pF间选用,本机选用220pF。

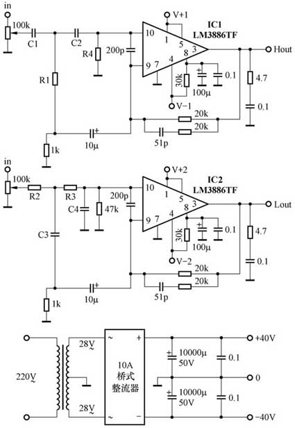
电子分频功放电路
电子分频功放电路及电源电路见图3,其印制板见图4。

前级电子分频的功放电路具有很多优点,但以往的电路大多采用运放或三极管组成分频电路,将信号送入功率放大器。本例将分频电路与功放集成块有机的结合,使电路更为简化。图3中IC1与C1、C2、R1、R4组成高通滤波器,并进行功率放大,IC2与R2、R3、C3、C4组成低通滤波器并进行功率放大。分频点可根据图5中的计算方式进行选取,由于每个人的音箱中扬声器单元的参数不一样,所以在自制时C1、C2、C3、C4、R1、R2、R3、R4的值需自行计算。

如果音箱是采用三分频结构,可将IC1的分频点取得低一点,包含中频部分,输出后再接中、高音分频器即可,这样高中音的功率为50W。低音由IC2提供50W的输出功率。
采用电子分频的功放电路,在许多方面性能都优于采用L、C分频的系统。调试方法与前面介绍的BTL电路一样。
适用人声重放功放电路
一般情况下男声频率范围为100Hz~6kHz,女声为150Hz~8kHz。本机设计的适用人声重放功放电路,其带宽为100Hz~8kHz。
现在很多场合都涉及到人声重放,但重放效果均不理想,例如现在大多歌厅里面的音箱均为大型专业音箱,这种音箱一般使用号角高音和大口径低音组成二分频系统。当演唱卡拉OK时,人声与伴奏音乐均由这种音箱共同重放,由于号角高音的指向性较强,往往会引起话筒回授啸叫,而且二分频专业音箱对中频段重放效果不理想,使演唱者感到效果不太好。另外在一些会议场合,往往使用立体声重放系统来为会议扩音,但立体声重放人声时也是有缺点的,在听音区范围的每一个听音点的立体声波均存在时间差、相位差、强度差,人在不同的听音位置上对声源信息的理解有偏差,所以有人在歌厅唱卡拉OK时觉得效果不理想,在听会议报告时觉得很累很费劲。
本机就是为解决这些问题专门设计的,电路见图6,图7为其印制板图。
由C1、C2、C3、C4、R1、R2、R3组成带通滤波器,经滤波后的信号送入由LM 3886TF组成的BTL功放电路进行放大。功放采用单声道,配上图8专门为该功放设计的音箱。该音箱没有采用高音单元,使用性能非常不错的惠威S8-PLVS中低音单元,该单元的上限频率高达7kHz,足以满足需要。4只扬声器采用两并两串的接法,使阻抗等于5Ω,该机的输出功率为200W/5Ω,使用时必须配上足够大的散热器。制作与调试方法与前述一样,照图装配,只要元件质量上乘,一装即响。笔者曾为多家300平米以上的歌厅和会议场所制作了该系统,收到非常好的效果,使用时将卡拉OK机的输出信号送入本功放即可,音乐信号用原立体声系统重放。
文/田凯