首页
全文搜索
分类目录
作者目录
资料
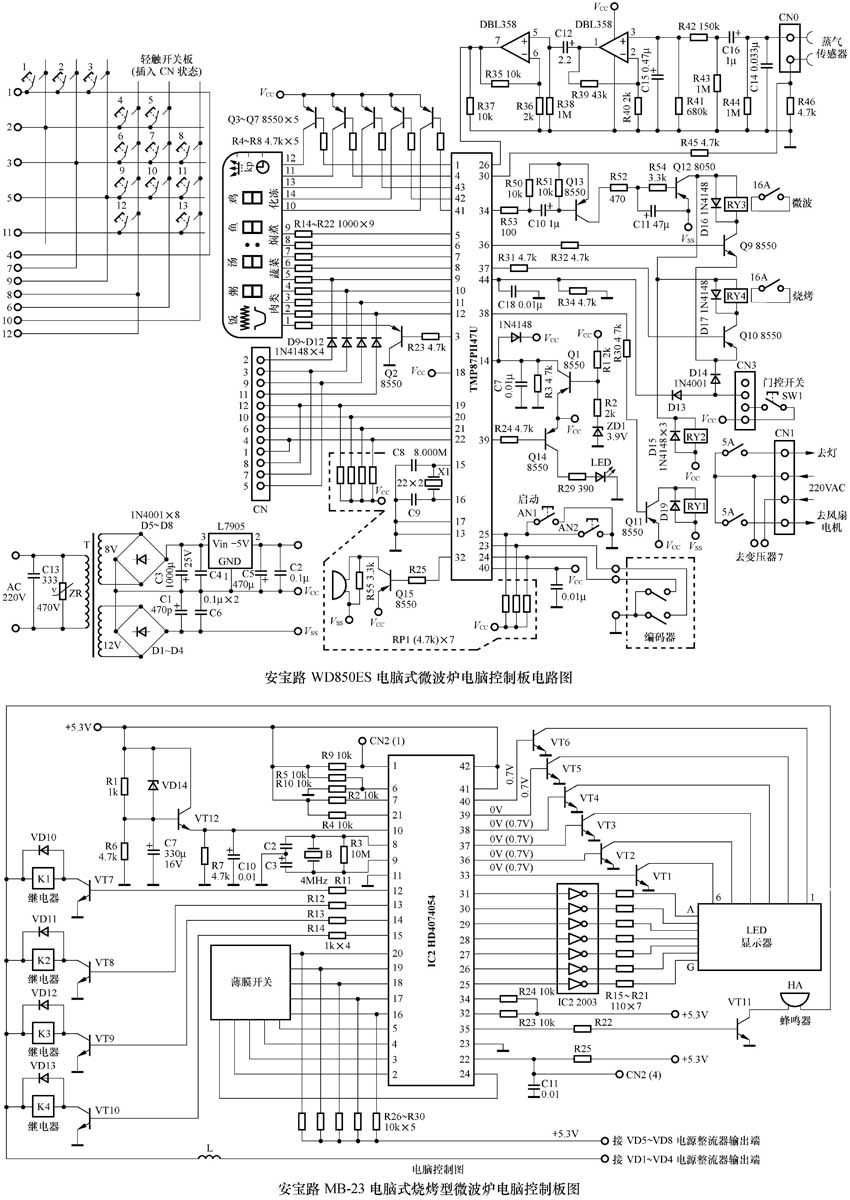
小家电电路精选 两款安宝路微波炉电路图
🏠 首页
《无线电》杂志
2005年 🔗
第3期 🔗
第28页
分类:
家电与维修 🔗
许亚军 🔗
文\许亚军
图1
🔍原图 (850×1200)