TEA1504是飞利浦公司开发的一款被称之为“绿色芯片(GREEN CHIP TM)”的新型主电源PWM控制集成电路。由该集成电路组成的开关电源可以不设交流电源总开关,不设外部启动电路,加上独特的节电待机模式,使开关电源具有较好的节能效果,而且保护功能比较完善。目前该芯片在飞利浦(PHLIPS)、戴尔(DELL)和IBM等新型彩显上都得到了应用。
以TEA1504为核心的开关电源工作原理
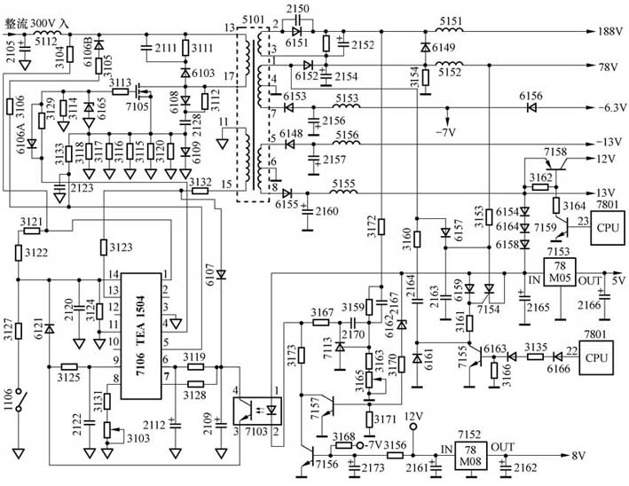
本文以飞利浦107P彩色显示器为例介绍其工作原理,有关电路见附图。

启动、振荡与输出:
该机开关电源采用整流电压直接启动,省去了外部启动电路。开机后整流电压一方面加至开关管7105(2SK1940)的漏极,为其提供供电电压;另一方面通过电阻3104(10Ω)加到7106(TEA1504)的启动脚1脚,1脚内部是启动电流源电路,该电路和6脚内部的“VAUX管理”电路相连,并通过该电路对6脚外接的电容2112充电,当该脚电压达到11V时,TEA1504内部的振荡电路开始工作,从4脚输出驱动电压,加到开关管7105的栅极,主电源进入工作状态。主电源工作后,从开关变压器5101的11~15绕组输出感应电动势,经6107整流、2109滤波后,得到12.2V电压,加到6脚作为持续的电源供电电压,以代替启动电路提供的启动电压为7106供电,从而维持了开关电源的工作状态。
开关电源共有8路电压输出,分别为:188V,为二次电源供电;78V,为视频输出电路和行激励电路供电;-6.3V,为灯丝供电;-13V,为场输出级提供负压;13V,为场输出电路提供正电压。以上5个电压都是在开关变压器的次级输出绕组接入二极管整流、电解电容滤波后获得。12V电压(受控)是在13V的输出端接入稳压控制器件7159、7158获得,为整机小信号处理电路供电。还有两个电压即8V和5V,其中8V电压是在受控的12V输出端接入三端稳压器件7152(MC78M08)后获得,为整机提供8V供电;5V电压是在13V的输出端接入三端稳压器件7153(MC78M05)后取得,负责为CPU电路供电。
7155和7154等元件组成5V电压输入端切换电路。因为当处于关闭模式时,开关电源的各路输出都大幅度降低,其中5V的输入端(即13V)变为2V左右,不可通过7153(MC78M05)继续输出5V电压。此时,CPU的22脚变为低电平,使7155截止,晶闸管7154的A、K极导通,7153的供电端由13V输出端变为由78V输出端提供。在关闭模式下,78V电压虽已大幅降低,但仍高于6V,故7153输出端仍可正常输出5V电压,因此保证了此时CPU的正常供电,以便在主机开机后再次使彩显进入工作状态。
稳压电路原理:
取样电压来自于188V输出端。当某种原因使开关电源输出电压升高时,188V升高,经电阻3172、3159、3163、可调电阻3165取样分压后的电压也升高,加到误差电压取样放大器7113(TL431)的基准极R的电压升高,K极电压下降,因此使得流过光电耦合器7103的1、2脚之间的电流增大,所以此时发光二极管的发光亮度增强。光电耦合器内部的另一部分为光敏三极管,受到变亮的光线照射后,光敏三极管导通增强,其E、C极之间的电阻值变小。整流二极管6107负极电压(该电压在188V升高的同时也已经升高)经过光敏三极管的C、E极后再经电阻3125限流送到TEA1504的9脚,使9脚电压升高。9脚是开关管驱动脉冲控制输入端(CTRL),该脚电压升高后经内部电路自动检测、处理,使7106的4脚输出的驱动脉冲宽度变窄,从而缩短了开关管的导通时间,开关变压器各绕组的感应电压降低,使各路输出电压降低,起到了稳压的作用。当某种原因引起开关电源各路输出降低时,188V电压降低,稳压过程与此相反,读者可自行分析。
后备模式(待机)的实现:
当鼠标或键盘在规定的时间内无动作时,主机停止向显示器输送行同步信号,经CPU/7801(P83C380AER/F)识别以后,令其23脚输出低电平,使三极管7159截止,从而使得三极管7158截止,12V供电消失,行场扫描电路停止工作,整机功耗大幅度降低,此时的实际功率小于10W。如果移动鼠标或者敲击键盘,主机会恢复行同步信号的输出,7801识别判断后,令其23脚变为高电平,12V电压恢复,显示器重新进入工作状态。
关闭模式的实现:
当用程序关机后,主机停止向显示器输出行同步信号和场同步信号,CPU/7801接收并判断后,其23脚和22脚同时输出低电平,其中23脚的低电平使行场扫描电路停止工作;22脚变为低电平后,使7155截止→7154导通→6162导通→7157导通→7103(光电耦合器)内部发光管亮度剧增,光敏三极管内阻变得很小,发射极电压大幅度升高。该电压一方面加至7106的9脚,使4脚的输出脉宽大幅度降低;另一方面,该电压还加到7106的14脚,并使该脚电压大于5.5V,通过14脚内部电路使开关电源转换为间歇振荡方式,4脚的输出脉宽很微弱,开关电源进入关闭模式。此时,开关电源的各路输出均降为正常工作时的15%左右,整机功率大大降低。7106的5脚内部有一个频率控制单元,可以根据负载的轻重自动调节开关电源的工作频率。当整机功率低于最大功率的1/9时,经5脚内部电路识别后,7106将自动切换到低频工作模式。输出功率进一步降低,最终使得整机功耗小于2.3W。
保护电路原理:
⑴交流过(欠)压保护 7106的14脚是电源开/关的控制端,又是交流输入电压检测端。当交流输入电压过低时,整流电压经电阻3104、3121、3122、3127分压后的电压低于2.5V,经14脚内部电路判别后,使开关电源关闭,实现了欠压保护;若此电压大于5.5V,则使开关电源进入间歇振荡状态,实现了过压保护。⑵直流过(欠)压保护 7106的6脚作为电源供电脚,同时还是开关电源的直流输出过压、欠压保护检测端。当某种原因引起开关电源输出电压升高时,7106的6脚电压也会升高,当高于14V时,开关电源进入间歇振荡状态;当6脚电压低于8.0V时,开关电源关闭。⑶开关电源过流保护 7106的5脚是过流检测端,当某种原因使开关管7105的源极电流增大时,流过取样电阻3115、3116、3117、3118、3120的电流增大,7106的5脚电压升高,当该脚电压高于0.49V时,过流保护电路动作,开关电源进入间歇振荡状态,保护了主电源。⑷灯丝电压异常保护 当灯丝电压异常时,7156导通,光电耦合器7103内的发光管亮度剧增,使开关电源处于间歇振荡状态,输出电压大幅度降低,从而起到了保护作用。
检修中的关键技术数据
7106(TEA1504)在各脚功能和正常工作时的电压如表1所示,7113(TL431)的各脚功能与电压如表2所示,7103(TCET1101G)的各脚功能与正常电压值如表3所示。这三个表格中的电压值是衡量电路工作是否正常的主要依据,如发现某个或某些电压异常,根据工作原理以及其中的控制与被控制关系进行检查,一般可顺利地找到故障根源。


故障检修实例
一台飞利浦107P彩色显示器,联机后无显示,指示灯不亮。
分析与检修:
根据故障现象,判断主电源无输出的可能性较大。开机测量开关电源的各路输出电压,都为0V,而整流300V电压正常。测量7106的各脚电压,发现其1脚为300V,而与之同源的14脚却为0.1V,这是很不正常的。围绕可能造成该脚电压变低的原因,逐一检查了电源开关1106对地无漏电现象,供电电阻3121、3122未断路或变值,二极管6121未击穿,但测得电容2120的在路电阻值接近0Ω,拆下测量,证实2120已近乎击穿,更换一只100n电容,故障排除。
14脚是开关电源的开/关控制脚,由于2120近乎击穿,使得该脚电压被钳位于接近0V,开关电源处于关闭状态。在实际维修中,这个故障已经遇到过数例,应引起注意。
文/华雷广