LM311比较器
LM311是单比较器、LM393是双比较器、LM339是四比较器。它们都是晶体管结构,输出级是集电极开路结构。LM311是一种多用途的电压比较器,它具有失调电压平衡调节端(或用作选通端),并且具有连接负载多样性及输出电流可达50mA的特点。
该器件工作于单电源5V~30V或±15V双电源; 正电源工作电流为 2.4mA(典型值)、负电源工作电流为-1.3mA(典型值);输入失调电压典型值为2mV;输入失调电流典型值为1.7nA;输入偏置电流典型值为45nA;电压增益典型值为200V/mV;响应时间典型值为200ns; 输入电压范围为-14.7~13.8V。
LM311的基本电路如图13~18所示。
(1)失调电压平衡(图13)。调平衡时两输入端接地,调5kΩ电位器,使输出为最小电压值(接近0V)。

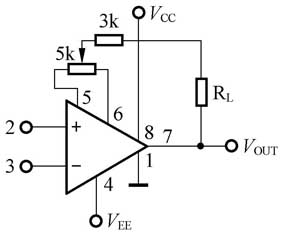
(2)单电源供电(图14)。此时V\(_{EE}\)与G\(_{ND}\)连接。图13、14中,负载电阻R\(_{L}\)接在V\(_{CC}\)与Output之间。

(3)R\(_{L}\)接在1脚与地之间(图15)。按图15接法输入极性是颠倒的(即3脚作为同相端)。

(4)R\(_{L}\)接在1脚与V\(_{EE}\)之间(图16)。按图16接法输入极性是颠倒的。

(5)正负电源时R\(_{L}\)的一般接法(图17)。

(6)选通比较器接法(图18)。在6脚接一个三极管作选通接法。在三极管基极接TTL高电平时,比较器被选通(正常工作); 基极加低电平时比较器不工作。

LM393及LM2903比较器
LM393及LM2903是一种低失调电压双比较器,管脚排列见图19。此两器件主要性能相同,但工作温度范围不同:前者为0~70℃; 后者为-40℃~105℃。它的主要特点为:工作电压范围宽,单电源工作电压2V~36V、双电源工作电压±(1V~18V); 工作电流小,典型值为0.4mA; 输入偏置电流典型值为25nA; 输入失调电流为5nA; 输入失调电压为±1mV(LM2903为±2mV);输入共模电压范围可到地电平; 差动输入电压范围等于电源电压; 输出电压与TTL、CMOS逻辑电平兼容;输入端有ESD保护; 电压增益典型值为200V/mV;大信号响应时间为300ns。

LM339及LM2901比较器
LM339及LM2901是四比较器,其管脚排列见图20。该两器件主要参数性能相同,但工作温度范围不同:LM339的工作温度范围为0~70℃,而LM2901的工作温度范围为-40℃~+105℃。此两器件主要特点: 可单电源供电,也可双电源供电,供电电压范围宽,为2V~36V或±(1V~18V)。工作电流低(与电源电压无关),典型值为0.8mA;输入偏置电流典型值为25nA;输入失调电流典型值为±5nA; 输入失调电压典型值为2mV; 输入共模电压范围包括地电平; 差动输入电压等于电源电压; 饱和电压与电源电压之差低; 输出电压与TTL、CMOS逻辑电平兼容;大信号响应时间典型值为300ns;电压增益为200V/mV。

文/方佩敏

