编者注:
为了提高青少年的电子技术素养,促进学生全面发展,培养创业意识和创造技能,本刊特约多年从事科普教育的特级教师,北京市有特殊贡献的专家孙心若撰写“电子控制技术入门”系列文章。他根据丰富的电子技术、发明创造教学体验,结合青少年的身心特点,进行有趣的“做中学”和“学中做”电路实验,引导青少年由表及里、由浅入深、循序渐进,获得“操作”体验,熏陶科学情感、发展技术能力,特别提供电子技术发展信息,增强创新意识并为他们展示创造能力营造条件。在内容选择上以电子控制技术内容为中心,以基本电路实验为基础,以数字集成电路为重点,并涉及实验所必需的基本理论及技能技巧,同时介绍青少年感兴趣的一些电子器件、小制作和小发明实例。配刊光盘中将用活动图像的形式讲解和演示这些电路实验的过程和现象,光盘中还加入了一些生活中的应用实例。&
一、了解面包板
1.面包板的构造
面包板(集成电路实验板)是电路实验中一种常用的具有多孔插座的插件板,在进行电路实验时,可以根据电路连接要求,在相应孔内插入电子元器件的引脚以及导线等,使其与孔内弹性接触簧片接触,由此连接成所需的实验电路。图1为SYB—118型面包板示意图,为4行59列,每条金属簧片上有5个插孔,因此插入这5个孔内的导线就被金属簧片连接在一起。簧片之间在电气上彼此绝缘。插孔间及簧片间的距离均与双列直插式(DIP)集成电路管脚的标准间距2.54mm相同,因而适于插入各种数字集成电路。

2.面包板使用注意事项
插入面包板上孔内引脚或导线铜芯直径为0.4~0.6mm,即比大头针的直径略微细一点。元器件引脚或导线头要沿面包板的板面垂直方向插入方孔,应能感觉到有轻微、均匀的摩擦阻力,在面包板倒置时,元器件应能被簧片夹住而不脱落。面包板应该在通风、干燥处存放,特别要避免被电池漏出的电解液所腐蚀。要保持面包板清洁,焊接过的元器件不要插在面包板上。
3.面包板实验套材
电子控制电路基本实验所用的元器件包括:电池组2组(3V、6V,带电池卡、电极引线)。面包板(SYB-130或118、SYB—46型)。电阻器27只(47Ω、100Ω、390Ω×8、1kΩ×6、2.2kΩ×5、3.3kΩ、10kΩ、15kΩ、47kΩ、330kΩ、2.2MΩ),小型直滑电位器(47kΩ),电容器7只(1000pF、0.022μF、47μF、100μF×2,220μF×2)。光敏电阻器(MG45-1),光电二极管,开关二极管(1N4148),发光二极管4只(红、绿、黄、橙),三极管4只(8050、9013×2、9014),数码管(LC5011)。数字集成电路10块(74LS00、74LS02、74LS04、74LS08、74LS32、74LS73、74LS74、74LS86、4511、4518)。继电器(JRC-21F),双金属复片(启辉器),磁控开关1套(条形磁铁、干簧管开关),压电陶瓷片(φ27mm,带共鸣壳体),电子蜂鸣器(3V或6V),小电灯1个(3.8V),玩具直流电动机(3V,带小螺旋桨)。接钮开关2个,导线若干和元器件盘。此外,还需要准备常用的工具,如镊子、桃形钳和一字小改锥,自选实验所需添加的一些元器件等。
二、面包板实验入门
实验是通向科学成功的桥梁,正是由于实验造就了19世纪最伟大的实验物理学家、实验大师M·法拉第,为近代物理的发展奠定了基础。在了解面包板的构造之后,通过面包板电路搭接实验来了解其使用的方法。
1.省电指示灯电路
图2为省电指示灯电路,它由电池组GB(6V)、按钮开关SB、限流电阻器R(390Ω)、红色发光二极管和导线组成。电池组用4节5号电池串联而成,开关选用电铃按钮开关,接线用1芯导线,电阻器上面的四条色环为橙色、白色、棕色及金色,标称阻值为390Ω,允许偏差±5 %。发光二极管采用直径3mm的红色发光二极管。限流电阻器R为390Ω时,发光二极管中电流约10mA,亮度已经很高了。如用高亮度发光二极管,限流电阻器可以适当加大(1k~3.9kΩ),工作电流仅为1~3mA,成为名副其实的省电指示灯电路。

看起来图2省电指示灯电路很简单,在面包板上搭接电路却是新的尝试,需要掌握在面包板上连接电路的方法,了解电阻器和发光二极管的使用方法,迈出面包板电路实验的第一步。建议初学者使用SYB—46型面包板,按图3示范连接方法进行实验。常见的错误是把电阻器、发光二极管的两条管脚插在同一列的5个方孔内造成短路,或者发光二极管正负极管脚接反。
在初步掌握省电指示灯电路面包板连接后,不妨在电路中再串联一只发光二极管,连成图4、图5所示的两种不同的串联方法。

图6为并联电路,可以把它视作两路省电指示灯电路,只是共用一只电阻器。在面包板上连接并联电路时,一路省电指示灯电路搭接点亮之后,再连接第二路,连接示意图见图7。其特点是各元器件连接紧凑,节省面包板使用面积,在插接元器件较多时具有实用的意义。如果每只发光二极管各串联一只电阻器,特别是发光颜色不同的发光二极管,两路指示灯就不会互相牵制了。如果把发光二极管串联的开关、电阻器互相换个位置,都能把相应的电路搭接出来,说明已经初步掌握了面包板电路搭接的方法。要重视在实验操作过程中培养技巧能力,而不仅仅是得到实验现象的结果。


2.电码模拟器
电码是一种电报通信用以传输字母、数字和标点等的代表符号。1838年,美国科学家S·莫尔斯发明了由点和划两个符号组合而成的电码,这就是在电报通信中广泛应用的莫尔斯电码。1844年,建成通信线路开始通电报,揭开人类通信历史上的新篇章。
图8所示的电路是收发电码的简易模拟器,它分为左右两个独立的带按钮开关的讯响器。在一块面包板上搭接左边的讯响器电路。注意蜂鸣器端面上的正极标志,相应一侧的管脚(长管脚)为正极,在插接蜂鸣器时,正极与电源正极相连。再用另一块面包板来搭接右边的电路,最后将两块面包板上最上行X长条簧片用长导线连接起来,最下行Y长条簧片连接起来,形成通信线路,进行电码收发报练习。通过电码模拟器实验,在面包板上搭接“声光讯响器”,熟悉电路的并联,了解国际电码表及电报通信,增强面包板实验的兴趣。

附表为数码读音及电码符号表。1~9和0这10个数字是用“短码”或“长码”的电码符号来传递的,而这些电码符号都是由点“·”和划“-”组成的。电码表中的“·”口读为“的”(di),读时发音要短促清脆,“-”口读为“达”(dá),读时要均匀平稳。在进行电码发报按键(按钮开关)练习时,按键时间短的产生“·”的电码信号,蜂鸣器发出短促清脆“的”的声音,按键长时,产生响亮“-”的持续声。通常“-”的发声时间是“·”发声时间的3倍,“·”和“-”或“-”和“·”之间间歇的时间是一个“·”的发声时间。在发两个数字电码信号之间要留出3个“·”的不按电键的间歇时间,也就是一个“-”的间歇时间,以示区分开两个数字电码,一组电码与另一组电码之间间歇的时间为5个“·”不间断的发声时间。当甲方发出自己生日日期的电码信号,乙方根据接收的电码信号译出甲方的生日日期,完成电码收发练习。

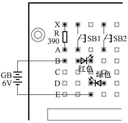
3.电容器的充电及放电作用
1745年,荷兰莱顿大学P·穆森布罗克发明“莱顿瓶”,这是一种最原始的电容器,在玻璃瓶内外贴上金属箔作为板极,这样就构成了由两个金属板相互靠近并用玻璃介质绝缘的电容器。顾名思义,电容器最主要的特征是能够存储电荷,具有充电和放电作用,并有隔断直流电和允许交流电通过的能力。通过图9所示的电容器的充电与放电电路来了解电容器的使用方法; 观察电容器的充、放电现象; 实验定时电阻器、电容器的时间常数对电容器充电、放电的影响。
在图9的实验电路中,电容器C1(220μF)和C2(220μF)并联,总电容量等于两个电容器的电容量之和(440μF)。电路左方由电源GB、按钮开关SB1、电阻器R1和并联的电容器C1、C2组成RC(阻容)充电电路,充电电流由红色发光二极管的发光亮度显示出来。当SB1闭合接通电源瞬间,红色发光二极管闪亮一次。R1的电阻值越大,红色发光二极管瞬间电流(最大电流)越小,向电容器充电的时间越长。在向电容器充电的过程中,充电电流和电压的变化见图10。
在图9电路中,右方为电容器的放电电路,由SB2、R2、绿色发光二极管和并联的电容器C1、C2组成。当C1、C2充足电后,断开SB1,电容器C1、C2与电源GB脱离,这时再按下SB2,绿色发光二极管发生闪亮现象,这是由于电容器C1、C2存储的电荷放电造成的,说明电容器能够存储电荷。电容器放电时,随着电容器中存储的电荷不断减少,其两端电压急剧减小,放电电流也随之按指数规律急剧减小,其电容器两端电压、放电电流变化与图10充电电流变化曲线一样。显然,电阻器R的电阻值与充电电容器C的电容量两者的乘积R·C越大,充放电所需要的时间也越长,因此把R·C叫做阻容充放电电路的时间常数,用希腊字母τ来表示,即
τ=R·C
当电阻的单位为欧姆,电容的电容量为法拉时,τ的单位为秒。在图9电路中,R=1kΩ,C=440μF时,τ=1×10\(^{3}\)×440×10\(^{-}\)6=0.44(秒)。在实验时,发光二极管为什么只能瞬间闪亮,通过计算时间常数τ就可以得到证明。
电容器充放电电路面包板连接示意见图11,在面包板左下角进行连接。电容器选用工作电压10~16V的小型电解电容器,由于其体积较大,在面包板上要留有一定的空间,并需要一条导线将两个电容器的正极并联在一起。电解电容器在使用时要注意极性,长引脚为正极,短引脚为负极,通常电容器壳体负极引脚一侧有“-”的标志。
文/孙心若