本文介绍的大屏幕数字显示抢答器有如下特点: (1)采用自制的数字大屏幕显示组号,形象直观,可供大会场千余名观众观看;(2)路数多,可扩为10个小组同时使用(图中只画出6组);(3)采用脉冲扫描方式,任何情况下都不会出现两组以上同时抢答;(4)性能价格比高,该装置只用了三块CMOS集成电路及部分常用元器件,总造价低,适合电子爱好者自制。下面介绍其工作原理和安装使用方法。
一、 工作原理
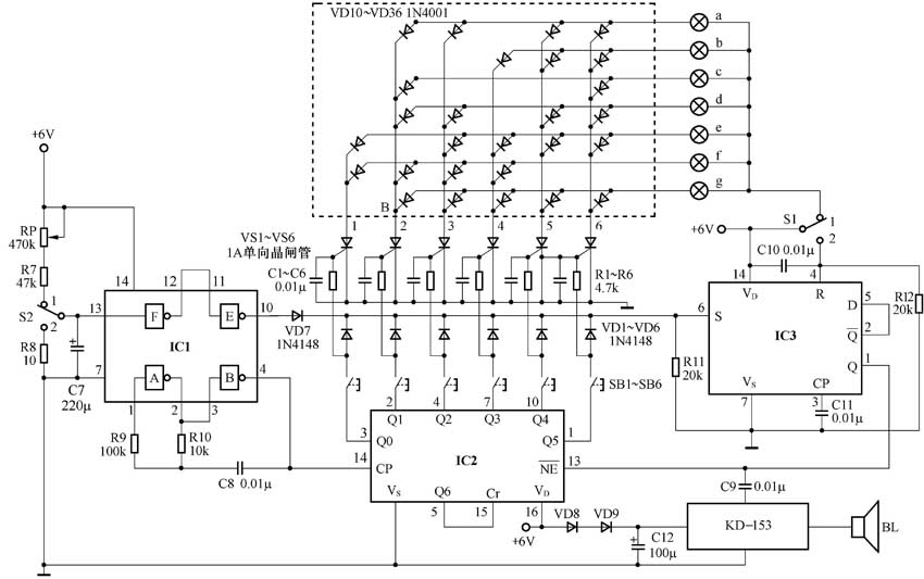
电路如图1所示, IC1的两个非门A、B和R9、R10、C8构成振荡器,产生约5kHz的时钟信号,送入IC2的CP端。IC2为十进制计数译码器,它在NE端为低电位、CP端接收正脉冲信号时,唯一的高电平端依顺序Q0、Q1……向下轮换,当轮到Q6时,因Q6与Cr(复位端)相接,高电平端又从Q0开始向下轮换,循环进行。直至NE为高电位时,高电平端保持不变。在电源接通时,由于IC3的复位使NE为低电位,IC2的CP端接收IC1送来的计数脉冲,Q0~Q5输出端以每秒5000次左右的速度顺序循环输出高电平。若此时按下某一按钮,例如SB2被按下(即第二组先抢答),Q1端的高电平,一路通过VD2使IC3的6脚S为高电平,使IC3接成的双稳态触发器电路置位(在接通电源瞬间,通过C10已给R端一正脉冲,使触发器处于复位状态)。Q端变为高电平,一方面触发音乐片KD-153发出“叮咚”声,另一方面使NE=1,使IC2停止工作,保持住Q1端为高电平。Q1端这个高电平的另一路通过R2、C2触发晶闸管VS2,VS2由截止变为导通,B点呈低电位。通过虚线框内的译码电路,使a、f、g、c、d五个灯泡发光。在图2所示结构的数字显示屏中,显示出五段笔划组成的“2”。由于IC2除Q1外其他各输出脚均为低电平,所以其他按钮再按下,也不能触发相应晶闸管导通。把开关S1按一下,接触常开触点“2”,使电路复位,为下次用做好准备,同时使各灯泡断电,停止显示。


若在规定的时间内(例如10秒),各组均未抢答,则由IC1的E、F两个非门及RP、R7、C7等构成的定时器输出高电平,通过隔离二极管VD7使IC3置位,NE为高电位,IC2停止工作,音乐片发出“叮咚”声表示时间已到。此时,因无触发晶闸管导通,所以屏幕不会显示。改变RP可使定时时间在10秒至90秒连续可调,不仅可用于抢答定时,还可作回答问题限时之用。定时器用后应把S2打向“2”的位置,使C7通过R8放电,以备下次使用。
若有两路以上的按钮同时按下,则取决于IC2在IC1计数脉冲作用下,首先扫描到哪一路上,不会出现同显现象。IC1的时钟脉冲为5kHz左右,使IC2每一Q输出脚的频率近900Hz,由于扫描频率很高,所以抢答器会对抢答动作做出足够迅速准确的反映。
二、 安装使用
电路中的IC1是一块六非门CD4069, 只用了其中的A、B、E、F四个。IC2为一块BCD计数器/时序译码器CD4017。IC3为一块双D触发器CD4013,只用了其中的1/2。KD-153为一“叮咚”声音乐片,触发一次,连响三声“叮咚”声,也可用其他音乐片代替。显示台号的七个灯泡放在框架中,建议框架高、长、厚分别为45cm、30cm、5cm左右,笔划宽度以5cm为宜,其前面用半透明塑料板或毛玻璃遮盖。灯泡为6.3V/0.15A,也可将每段笔划采用三只高亮度发光二极管串联使用。电源采用6V蓄电池或直流电源。若要加大屏幕或增加屏幕亮度,可每段笔划采用四只1.5V/0.2A灯泡串联使用,效果更佳。所有电阻均为1/8W碳膜电阻,电容除C7、C12为电解电容外,其余均为普通瓷片电容,元器件参数见图1。
整个电路安装在一块约9.5cm×6.5cm的印制电路板上。设计制作外壳,安装上RP、S1、S2作为主控器,显示屏与主控器间可用多芯电缆连接,以便安放在高处。抢答按钮SB1~SB6各用2~6m不等的电线从主控器引到各参赛台上。只要电路安装无误,无需调试即可工作。
使用时,接上6V电源,旋转RP选择合适的定时时间。当用于抢答时,S1、S2均由位置“2”复位后拨向位置“1”,在抢答的有效时间内,当某一组抢答时,显示屏显示号码,同时扬声器发出“叮咚”声(在有效时间之内无抢答,定时一到,只发出“叮咚”声,显示屏无号码显示)。再次用于抢答时,S1、S2仍需由位置“2”复位后拨向位置“1”。当用于限时回答问题时,旋转RP选择定时时间(如30秒),S1拨在位置“2”,S2由位置“2”拨向位置“1”,等限时时间一到,即发出“叮咚”声给予警示。
文/薛居宝 杨善迎