在电话机的维修过程中,如果有一台维修电源,脱开市话电源线的束缚,会给维修工作带来极大的方便。
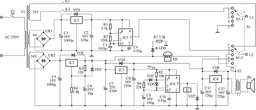
电话机维修用的电源电路原理如附图所示。T1为一个8~10W的电源变压器,它有三组次级绕组,第一组35V交流电压,它是振铃电路的检修电源。由继电器K通过两组触点K1、K2,将电路接通1秒,再断开2秒,如此循环,模拟程控交换机送来的铃流信号,将35V/50Hz的交流电压送入振铃电路。第二组9V交流电压经UR1全桥整流,C1滤波,IC1(AN7806)稳压后,供给由IC5(时基电路555)及R1、R2、C3、C4组成的多谐振荡器直流电压,振荡器输出一个450Hz左右的音频信号,用来模拟拨号音,可以在话机修理前作一次简单的测试。第三组24V交流电压经UR2全桥整流,C5滤波,由IC2(LM317)稳压,输出20V直流电压。此输出分成三路,第一路,由R7限流,VD9发光二极管发光,组成电源指示电路。第二路,经AH一部正常无故障按键电话机接到S1-2的位置5上,准备在检修中用于与被修理电话机对讲,以测试通话电路工作状态的好坏。第三路,将此电压送入IC3(AN7812)再降压后输出12V电压,把这12V电压供给一个多谐振荡工作,振荡器以IC6(时基电路555)为核心,外围由R5、R6、C9、C10、VD5及VD6组成,共输出脉冲宽度为1秒,脉冲周期为3秒的脉冲波,继电器K得电,则吸合1秒,释放2秒,不断循环。这12V电压,再经IC4(AN7809)降压后输出9V电压,在9V电源电路中串接一个音频输出变压器T2(尽量选用直流电阻小、交流阻抗较大的,这样效果较好),次级接有扬声器,可以将电源馈线上的音频信号反映出来。当S2接通后,可以将T2短路掉,直接输出9V直流。

本电源所用元器件无特别要求。电源变压器是一个次级有三组绕组的单相变压器,或在厂家订制加工,有条件自己绕制也可。UR1、UR2为100V/1A的两个全桥,或用1N 4001~4007四只组成全桥电路,效果一样。电阻全部使用1/8W碳膜电阻。电解电容要选用漏电小的,以减轻电源变压器的无功消耗。C3、C4、C10用涤沦纸介等电容器。IC2、IC3需各加一个2W以上的散热器,IC1、IC4可不加散热器。VD1~VD8都可用1N4001~4007,VD9是一只红色发光二极管。VD1、VD2、VD4、VD8是用来保护稳压集成电路的。VD7是用来保护时基电路IC6(时基555)的。K是有两组以上触点,触点容量在1A以上,电磁铁线圈电压为12V的任何型号继电器。S2、S3、S4为钮子开关。S1是一个双刀五掷开关。将要检修的电话机引入线分别接在L1、L2两个接线柱上,不需要区分正负极性。特别需要说明AH为一部没有故障的按键式电子电话机,当被检修的电话机已经修理完毕,为了检验一下通话功能质量,将AH接入线路,与被修电话机试通话。找一个或自制一个外观漂亮、大小合适的外壳,L1、L2两个接线柱,S1、S2、S3、S4开关,扬声器,VD9电流指示发光二极管,相应S1五个位置指示的数码管等全安排在外壳面板上,这样简易维修电源就装好了。
本简易电源对被检测的电话机进行的是定性检验,这在一般情况下已经够用了,如果需要对性能指标作定量的检测,应到有关部门使用专业仪器设备进行性能测试。
文/李楷