波导GC600型手机是一款GSM900/1800MHz/GPRS频段彩屏手机。它具有自动双频、10级GPRS容量、256色液晶屏幕、90秒语音录音、40和弦铃声、红外线接口、内置Modem、数据传真 EFR、STK服务等功能,笔者为您介绍该手机的部分检修方法。
⒈按“END-ON-OFF”开关机键不能开机
⑴首先直观检查电池板触点、主板的电池接触簧片、外部连接器是否存在氧化或接触不良。该部分电路见图1。

⑵用万用表检查主板的电池接触簧片到U201(MAUSICA-CS)电源处理芯片第E5脚、第K3脚、第D2脚、第G9脚、第J1脚、第E2脚是否存在开路(参见图2,见本期配刊光盘),与接地之间是否存在漏电或短路,常见有电池板触点、主板的电池接触簧片存在氧化或接触不良,V100、V101压敏电阻存在漏电或短路。
⑶检查“END-ON-OFF”开关机键是否存在氧化或接触不良(参见图3),对于进水机“END-ON-OFF”开关机键氧化的情况比较多见。

⑷检查U201电源处理芯片输出的Vdd-RTC、VR1、VR2B、V1B、VR3、VR2各路电压是否正常(参见图2),如不正常,重点检查相关的滤波电容是否存在漏电,U201电源处理芯片本身是否性能不良。
⑸用示波器检查U606(VC-TCXO)13MHz主时钟晶体的振荡输出信号是否正常(参见图4,见本期配刊光盘),如果13MHz主时钟信号不能顺利送到U200(CALYPSO)微处理芯片第E13脚,手机也不能正常开机。对磕碰过的手机,U606主时钟晶体损坏的情况比较多见。
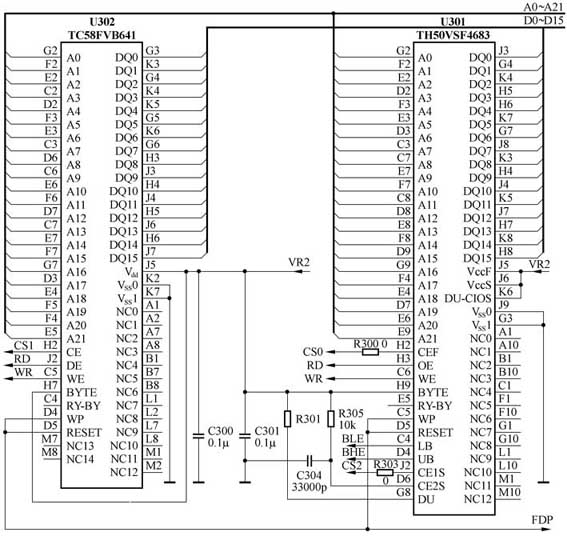
⑹如果上述检查正常,应考虑对手机重写软件,否则应检查U200微处理芯片、U301(TH50VSF4683)版本存储器芯片(参见图5)、U302(TC58FVB641)暂时存储器芯片是否存在不良,多见上述芯片虚焊或芯片引脚之间存在漏电。

⒉无信号条指示或信号条指示小
首先直观检查ANT天线触片与ANT天线的接触是否良好(参见图4),在DCS频段用频谱分析仪检查U603(SHS-M090B)天线开关芯片第4脚、第6脚,BPF600接收滤波器第2脚、第5脚、第4脚、第6脚,U604(TRF6165)射频信号处理芯片第44脚、第43脚;在GSM频段用频谱分析仪检查U603天线开关芯片第4脚、第2脚,BPF601接收滤波器第2脚、第5脚、第4脚、第6脚,U604(TRF6165)射频信号处理芯片第37脚、第36脚的接收信号是否正常。常见有ANT天线触片与ANT天线接触不良,BPF600、BPF601虚焊或漏电,U604芯片虚焊。如果上述检查没有发现问题,应考虑重写软件或更换U604芯片。
⒊三色信号灯某灯或所有的灯不亮
该机三色信号灯电路由LED1~LED3三色发光二极管、Q502~Q504驱动管、U502(MAX4599)电子开关芯片组成(参见图4)。某灯不亮,应重点检查该灯本身和对应的该灯驱动管以及来自U200微处理芯片的该灯驱动信号。所有的灯均不亮,重点检查三灯共用的供电线。
⒋液晶显示异常
首先直观检查液晶显示屏是否存在破损或漏气,再检查液晶显示接口排线是否存在暗断,L103~L114滤波电感是否存在虚焊开路(参见图6),排线连接器是否存在氧化、虚焊或漏电。一般来说,液晶显示缺行多由液晶显示屏内部显示矩阵开路引起。
⒌不识SIM卡
出现不识SIM卡,首先应检查SIM卡本身是否存在性能不良,SIM卡安装是否到位,J100(LG-AMP-SIM)卡座接触簧片是否存在氧化、失去弹性等(参见图7)。检查J100卡座与U201电源处理芯片第A2脚、第D4脚、第B4脚、第D5脚连接是否正常。
⒍使用中掉电
应重点检查以下几点: ⑴电池板触点与主板电池接触簧片接触是否良好,电池接触簧片是否存在虚焊。⑵重写软件资料一试。⑶重点检查U200微处理芯片、U201电源处理芯片是否存在虚焊。
⒎呼入时无铃声或铃声异常
首先检查铃声设置是否正确,然后判断是主板部分的问题还是翻盖部分的问题: ⑴翻盖部分问题,应重点检查SPK振铃器本身是否良好,有无焊接不良。如果正常,再检查翻盖排线第29脚、第30脚到SPK振铃器是否形成通路(参见图6),若不是应更换排线,应急时可以直接用漆包线将其沟通。⑵主板部分问题,应首先看翻盖排线连接器是否有明显虚焊或短路现象,再测量U403(YMU762)和弦音芯片第17脚、第18脚到翻盖排线连接器之间是否形成通路(参见图8),如正常应检查U403芯片是否存在虚焊及来自U200微处理芯片第F12脚的时钟信号是否送到U403芯片第1脚。如上述检查均没有发现问题,应重写软件一试。如故障不能排除,应考虑更换U403芯片。如更换U403芯片后还是没有铃声,则一般是到U200微处理芯片之间的数据线存在不良。⑶如果有音乐铃声,但音乐铃声异常,应检查C424、C425、V402压敏电阻、L119、L120及SPK振铃器是否存在不良。
特别提示:
更换U403芯片必须重写软件,因为音乐程序是写在U403芯片里的。
文/周立云