彩管管颈击穿一般是由高压过高所致,而引起高压过高有两个原因:一是彩电电源电压过高; 二是彩电行振荡频率突变。当彩管管颈击穿后,卸下偏转线圈,可发现显像管颈部有一米粒状的裂痕。下面列举几个在维修实践中常见的典型实例。
用户告知此机已送修过,说是显像管漏气。经查保险丝管已断,厚膜STR6020击穿。为了安全起见,断开行输出管和高压帽。该彩电的电源是串联型开关电源,当厚膜STR6020击穿,或稳压性能变差,会使输出电压(110V)升高。福日HFC-321彩电还设有Q751晶闸管(可控硅)保护电路,但本机的Q751被人断开了,致使彩管管颈被过高的高压击穿。最后更换STR6020,还原Q751晶闸管(可控硅)保护电路,更换彩管,故障排除。
经查电源110V正常,行输出管击穿。断开高压帽,更换行输出管,通电试机,这时高压帽还未挂上,高压帽发出正常的放电声,但显像管尾部内有放电现象,卸下偏转线圈,发现管颈击穿,显然这又是被高压击穿。检查时无意中碰动线路板,听到行频叫声变尖,高压帽有异常的放电响声,接着行输出管又烧毁了。经检查TA7698的行振荡供电端(33脚)的滤波电容C707有虚焊,具体电路如图1所示。当摆动C707时,行频有明显的变化,使得高压突然升高。重新焊接C707,更换显像管,一切正常。注意:当发现电视机的电源电压正常,而显像管被不明原因击穿时,请检查行供电端的滤波电容是否虚焊,或者容量变小。如: 厦华XT-5101彩电,当C239虚焊,引起管颈击穿。
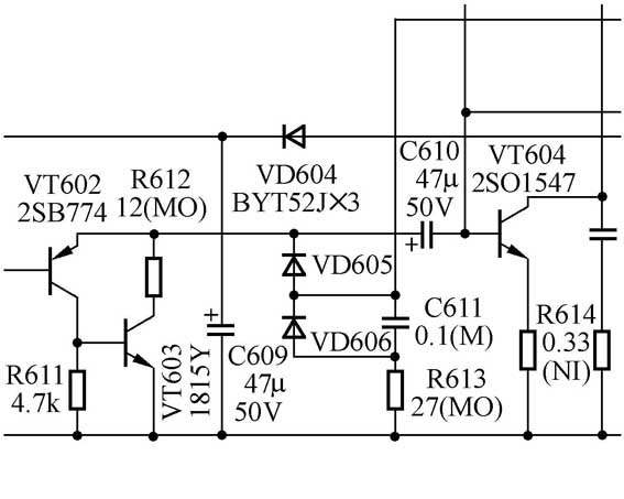
经查行输出管击穿,拆下行输出管,给电源接上40W灯泡作为假负载,测量电源输出高达200V,创维2150彩电的电源类似三洋83P机芯电源,具体电路如图2所示。显然是C610电容(47μF/50V)变值。根据资料介绍,只要把C610换上较好的50V47μ或100μ电容,电源即输出110V正常电压。换上好的行输出管,开机,发现显像管尾部发蓝光,大事不好,彩管管颈要击穿,只好更换显像管。建议同行,对采用83P机芯电源的电视机,在电源的输出端并接一只110V的稳压管(如R2M),以防不测。
例4:东芝289X6M彩电三无。
一台东芝289X6彩电,电源指示灯亮,无法开机。检修发现行输出管已短路。拆下行输出管,给主电源接上40W灯泡作为假负载,开机检测电源电压145V,正常。更换行输出管,为了完全起见,拔掉高压帽,试机,高压帽发出正常的放电声,但显像管尾部内有放电现象,卸下偏转线圈,发现管颈已击穿。根据以往经验,检查TA8659行振荡供电端(40脚)的滤波电容有否虚焊,或者容量是否减少,具体电路如图3所示,发现行供电电阻R413有明显的虚焊,测量C408(100μF/16V),容量变小了。更换C408,补焊R413、IC501(TA8659)集成块各脚,再更换28英寸彩管,故障排除。
文/李志强


