索尼W系列机芯彩电的代表机型有索尼KV-W28MH11、KV-W32MH11等。该机芯彩电采用了高清晰度特丽珑16∶9新型显像管、100/120Hz双制倍频扫描电路、双调谐器数码画中画与双画面处理电路,16∶9宽屏显示电路和数字式梳状滤波器及新型的准谐振中桥式开关电源。
该机芯开关电源主要由交流输入、自动电压切换、整流滤波、主开关电源、自动保护、整流滤波输出几部分组成。其特点如下:
1.采用推挽双端式输出,输出功率达240W(理论值700W)这是普通单端式电源所不及的。
2.采用STR-83159厚膜电路作倍压/桥式整流自动切换,使交流输入范围扩展至110~240V。
3.采用光电耦合器实现稳压与待机控制及冷/热电路隔离,使整个机器底板除电源外均不带电,即所谓冷底板。
4.采用专门的消磁控制电路,使消磁效率提高,降低不必要的功耗。
5.具有过压、欠压、过流等多种保护功能。
6.输出采用它激调频调宽控制方式,在待机或行、场扫描电路出现故障时,电源各组输出电压降为额定值的一半,并省掉了遥控电路所用的副开关电源。
下面以索尼KV-W28MH11彩电为例具体介绍该机芯的工作原理与检修方法。
工作原理
1.桥式/倍压整流与消磁工作过程
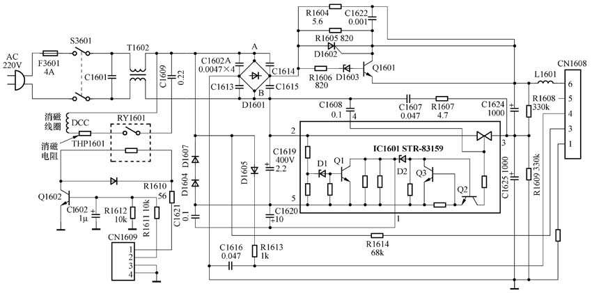
索尼KV-W28MH11彩电开关电源输入、整流及切换电路,如图1所示。接通主电源开关后,市电经T1602滤波后加至全桥D1601的交流输入A、B端进行整流。在C1619两端,即IC1601(STR-83159)的2、5脚之间得到直流电压,供内部检测电路判别。当输入市电在145V以上时,2、5脚间电压大于160V,内部检测电路检测后,触发电路不动作,即2、3脚之间的双向晶闸管不导通,此时整流电路工作于桥式整流方式。在滤波电容C1624正极与C1625负极两端得到260V直流电压。

当市电输入电压在145V以下时,IC1601的2、5脚间直流电压小于160V,于是IC1601的2、3脚间的双向晶闸管被触发导通,整流电路工作于倍压整流方式。即交流电A点为正,B点为负时,电流通道是:A→D1601右上臂二极管→D1602→C1624→IC1601的3、2脚→B;市电A点为负,B点为正时,电流通路为:B→IC1601的2、3脚→C1625→地→D1601左上臂二极管→A。显然,在交流电一个周期内,电源整流后的输出电压为C1624、C1625两端电压相加,仍为260V。
该机的消磁电路原理是:接通电源,开关电源工作后产生的13.5V电压经插座CN1609的1脚送给Q1602的c极,与此同时,微处理器(编号IC003,型号为CXP85340A)3脚输出高电平,经CN1609的2脚送给Q1602的b极,于是Q1602导通,继电器RY1601常开触点闭合,对显像管进行消磁。3秒钟后,微处理器3脚输出低电平→Q1602截止→RY1601触点断开→消磁结束。这种新颖设计的优点是: 一是避开了消磁电阻在消磁工作结束后仍有残余电流通过而增加的电源功耗。二是消磁工作结束后,消磁电阻便很快处于冷态状态,使下次开机的消磁效果更好,并大大延长了消磁电阻的使用寿命。
2.开关电源主控部分工作原理
索尼KV-W28MH11彩电开关电源主控部分电路,如图2所示。主要由脉宽调制电路IC601(MC33025P)、半桥驱动电路IC602(IR2112)、大功率场效应开关管Q605、Q606及开关变压器(T650)等构成。
IC601内含锯齿波振荡器、误差放大器、电流限制器、PWM比较器、触发器及输出放大电路。其工作任务是由驱动脉冲去推动半桥驱动电路IC602正常工作,并担任电源过压、欠压、过流等保护及稳压重担。
刚开机时,市电(假定B点为正,见图1)经C1619、D1604、D1607半波整流及R1614限流降压后,通过插座CN1608的3脚及CN601的3脚、R613给IC601的15脚提供14V的脉动直流电压,待电路启动后再由开关电源经D611向15脚提供14V供电电压。15脚得电后,送入内部的稳压电路,经稳压后一方面从16脚输出5.1V基准电压;另一方面向振荡电路输出工作电压,使振荡电路迅速启振。IC601的5、6、7脚为锯齿波形成振荡端,6脚外接电容C605为定时电容,5脚外接电阻R612为定时电阻。IC601的6脚产生的锯齿波电压送至内部的PWM(脉宽调制)比较器,并与误差放大器送来的电压进行比较,从而产生PWM脉冲,经触发器整形后经11、14脚送至IC602的10、12脚。
需说明的是,IC601的1、2、3脚分别是内部误差放大器的反相输入端、同相输入端和输出端。调整1脚电压可改变输出驱动脉冲宽度,实现稳压控制。但本机芯1~3脚却是用于过流保护输入,稳压控制反而接在5脚,其5脚通过R634与光耦器IC651的4脚相连,其稳压原理是:
相关电路如图3所示。当电源负载变轻(如画面亮度变暗、声音变小)时,电源+B(135V)电压↑→经R661使IC650(DM-48)的1脚电压↑→内部基准电压与1脚取样电压比较后,从4脚输出的控制电压↑→该电压经D656、R662加至精密稳压器IC652(TL431)的1脚,同时经R658加至光耦器IC651(PC123FZ)的2脚,即2脚电压↑→流过1、2脚电流↓→3、4脚间光敏管内阻↑→4脚电压↑→IC601的5脚电位↑(这部分电路见图2)→5脚输出电流↓→C605充电时间↑→锯齿波频率↓→11、14脚输出的驱动脉冲宽度↓→开关电源输出电压回至正常值,反之亦然。在上述控制电路中,R669、D655、C663等组成IC651的1脚13.5V电源的退耦电路,R669、D665的另一作用是使C663在开机时充电速度加快,关机时放电速度变慢。这样可使稳压电路在开机后快速建立,关机后缓慢停止,提高了电源的安全性。
(2)半桥式驱动与输出电路工作过程
半桥式驱动电路IC602(IR2112)的3、9脚为14V电源供电端(其内部电路见图4),在启动时,与IC601一样均是由F1电源板经CN601的3脚为IC602的3、9脚提供启动电压(见图2),待电源正常工作后,再由开关变压器T650的7-8绕组感应电动势,经D613整流、C613滤波后得到27.7V电压,然后经D614、Q612稳压成14.6V,最后由D610为IC602的3、9脚提供正常工作电压。
IC602的功能是将IC601的11、14脚送来的触发脉冲进一步进行变换、整形和放大,最后由1、7脚向末级场效应功率开关管Q605、Q606提供相位差为180°的驱动脉冲,推动它们轮流工作。由图2可看出Q605、Q606两管的源、漏极串联后接到市电整流滤波电路送来的260V直流电源上,故每管源、漏极静态时压降为130V。当IC602的7脚有正脉冲输出时,Q605导通,此时1脚为负脉冲输出,Q606截止。260V电压经Q605、T650的2-4绕组给电容C615充电;同时C616上所充的上正、下负电荷也经Q605、T650的2-4绕组放电。这一过程均使得2-4绕组感应电动势方向为2正、4负。当IC602的1脚输出正脉冲时,Q606导通,此时7脚为负脉冲输出,Q605截止。C615上的电荷经T650的4-2绕组、Q606、R626放电。与此同时,260V电压也经T650的4-2绕组、Q606、R626给C616充电。显然,C615的放电和C616充电这一过程,均会使4-2绕组产生2负、4正的感应电动势。因此,在一个周期里。流过T650的2-4绕组的电流大小相等、方向相反,形成电流准谐振,故C615、C616也称为谐振电容。这种电路形式的优点在于整个过程中开关变压器2-4绕组中均没有直流成分电流通过,故不会因偏磁而产生磁饱和,并有效降低了开关管截止时产生的高次谐波辐射。由于流过T650的2-4绕组的电流总是大小相等、方向相反,故T650各绕组产生的感应电动势也必是大小相等、方向相反的双向感应电动势,因此T650次级绕组的电压输出均采用全桥整流方式。这样不仅降低了损耗,大大提高了电源工作效率,而且对开关管耐压要求也降低,使开关管工作安全可靠。
文/王绍华
