典型应用电路
这里举两个简单的比较器电路为例来说明其应用。
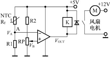
一些大功率器件或模块在工作时会产生较多热量使温度升高,一般采用散热片并用风扇来冷却以保证正常工作。这里介绍一种极简单的温度控制电路,如图7所示。负温度系数(NTC)热敏电阻R\(_{T}\)粘贴在散热片上检测功率器件的温度(散热片上的温度要比器件的温度略低一些),当5V电压加在R\(_{T}\)及R1电阻上时,在A点有一个电压V\(_{A}\)。当散热片上的温度上升时,则热敏电阻R\(_{T}\)的阻值下降,使V\(_{A}\)上升。RT的温度特性如图8所示。它的电阻与温度变化曲线虽然线性度并不好,但是它是单值函数(即温度一定时,其阻值也是一定的单值)。如果我们设定在80℃时应接通散热风扇,这80℃即设定的阈值温度T\(_{TH}\),在特性曲线上可找到在80℃时对应的R\(_{T}\)的阻值。R1的阻值是不变的(它安装在电路板上,在环境温度变化不大时可认为R1值不变),则可以计算出在80℃时的V\(_{A}\)值。

R2
与RP组成分压器,当5V电源电压是稳定电压时(电压稳定性较好),调节RP可以改变VB的电压(电位器中心头的电压值)。V\(_{B}\)值为比较器设定的阈值电压,称为V\(_{TH}\)。
设计时希望散热片上的温度一旦超过80℃时接通散热风扇实现散热,则V\(_{TH}\)的值应等于80℃时的VA值。一旦V\(_{A}\)>V\(_{TH}\),则比较器输出低电平,继电器K吸合,散热风扇(直流电机)得电工作,使大功率器件降温。V\(_{A}\)、V\(_{TH}\)电压变化及比较器输出电压V\(_{OUT}\)的特性如图9所示。这里要说清楚的是在VA开始大于V\(_{TH}\)时,风扇工作,但散热体有较大的热量,要经过一定时间才能把温度降到80℃以下。

从图7可看出,要改变阈值温度TTH十分方便,只要相应地改变VTH值即可。V\(_{TH}\)值增大,T\(_{TH}\)增大;反之亦然,调整十分方便。只要R\(_{T}\)确定,R\(_{T}\)的温度特性确定,则R1、R2、RP可方便求出(设流过R\(_{T}\)、R1及R2、RP的电流各为0.1~0.5mA)。
窗口比较器常用两个比较器组成(双比较器),它有两个阈值电压V\(_{THH}\)(高阈值电压)及V\(_{THL}\)(低阈值电压),与V\(_{THH}\)及V\(_{THH}\)比较的电压VA输入两个比较器。若VTHL≤V\(_{A}\)≤V\(_{THH}\),VOUT输出高电平;若V\(_{A}\)<V\(_{THL}\),V\(_{A}\)>V\(_{THH}\),则V\(_{OUT}\)输出低电平,如图10所示。图10是一个冰箱报警器电路。冰箱正常工作温度设为0~5℃,(0℃到5℃是一个“窗口”),在此温度范围时比较器输出高电平(表示温度正常);若冰箱温度低于0℃或高于5℃,则比较器输出低电平,此低电平信号电压输入微控制器(μC)作报警信号。
温度传感器采用NTC热敏电阻R\(_{T}\),已知R\(_{T}\)在0℃时阻值为333.1kW;5℃时阻值为258.3kW,则按1.5V工作电压及流过R1、R\(_{T}\)的电流约1.5μA,可求出R1的值。R1的值确定后,可计算出0℃时的V\(_{A}\)值为0.5V(按图10中R1=665kW时),5℃时的V\(_{A}\)值为0.42V,则V\(_{THL}\)=0.42V,V\(_{THH}\)=0.5V。若设R2=665kW,则按图11,可求出流过R2、R3、R4电阻的电流I=(1.5V-0.5V)/665kW=0.0015mA,按R4×I=0.42V,可求出R4=280kW;再按0.5V=(R3+R4)0.0015mA,则可求出R3=53.3kW。

本例中两个比较器采用低工作电压、低功耗、互补输出双比较器LT1017,无需外接上拉电阻。
文/方佩敏

