变压器通常包括两组以上的线圈(这个线圈又称绕组),并且彼此以电感耦合方式组合在一起。
变压器是由铁芯或磁芯和绕在绝缘骨架上的漆包线线圈构成,线圈中间用绝缘纸隔离。变压器是利用电磁感应原理从它的一个绕组向另几个绕组传输电能量,线圈绕好后将许多铁芯(或者磁芯)薄片插在塑料骨架的中间,这样就能够使线圈的电感量显著增大。变压器在电路中具有很重要的功能:电压变换、电流变换、阻抗变换(利用变压器使电路两端的阻抗得到良好匹配,以获得最大限度的信号传送功率)、隔离、稳压(磁饱和变压器)等。
变压器的种类
变压器可以根据其工作频率、用途及铁芯形状等进行分类。
按工作频率可分为高频变压器、中频变压器和低频变压器;按用途可分为电源变压器(包括电力变压器)、音频变压器、脉冲变压器、恒压变压器、耦合变压器、自耦变压器、升压变压器、隔离变压器、输入变压器、输出变压器等多种;按铁芯(磁芯)形状可分为“EI”形变压器(或“E”形变压器)、“C”形变压器和环形变压器。
音频推动级和功率放大级之间使用的变压器通常称为输入变压器,它主要起信号耦合、传输的作用,也称推动变压器,主要应用在早期的半导体收音机中。输入变压器有单端输入式和推挽输入式。若推动电路为单端电路,则输入变压器也为单端输入式变压器;若推动电路为推挽电路,则输入变压器也为推挽输入式变压器。
输出变压器通常接在功率放大器的输出电路与扬声器之间,主要起信号传输和阻抗匹配的作用。输出变压器也分为单端输出变压器和推挽输出变压器两种。
常见变压器的外形图如图1所示。

变压器的工作原理
当有交流电流(具有某一已知频率)流过变压器中的一组线圈时,另外的一组(或者多组)线圈中将感应出具有相同频率的交流电压。通常情况下,连接高压交流电源的线圈称之为“一次线圈”或“初级绕组”,而跨于此线圈两端的电压称之为“一次电压”或“初级电压”;另外的感应线圈称为“次级线圈”或“次级绕组”,该线圈中感应的电压则被称为“次级电压”。
“次级线圈”两端的感应电压是由“一次线圈”与“次级线圈”之间的“匝数比”所决定的,因此在“次级线圈”两端的感应电压可能大于或小于“一次电压”,故变压器有升压与降压变压器两种。
大部分的变压器均有固定的铁芯,其上绕有初级与次级线圈。基于磁性材料的高导磁性,大部分磁通量局限在铁芯(或磁芯)里,因此,两组线圈就可以获得相当高程度的磁耦合。在一些变压器中,线圈与铁芯(或磁芯)二者间紧密地结合,其初级与次级电压的比值几乎与二者的线圈匝数比相同。因此,变压器的匝数比一般可作为变压器升压或降压的参考。
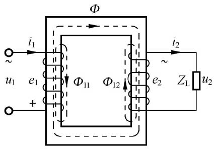
变压器的原理简图如图2所示。当一个正弦交流电压u\(_{1}\)加在“一次线圈”两端时,线圈中就有一个交变电流i\(_{1}\),并产生交变磁通φ\(_{l1}\),φ\(_{l1}\)沿着铁芯穿过“一次线圈”和“次级线圈”形成闭合的磁路。在“次级线圈”中就会感应出互感电势u\(_{2}\),同时φ\(_{l1}\)也会在初级绕组上感应出一个自感电势e\(_{1}\),e\(_{1}\)的方向与所加电压u\(_{1}\)方向相反且幅度相近,故可以限制i\(_{1}\)的大小。为了保持磁通φ\(_{l1}\)的存在就需要有一定的电能消耗,并且变压器“一次线圈”本身也有一定的阻抗,尽管此时次级没有接负载,初级绕组中仍有一定的电流,这个电流称为“空载电流”。

如果次级绕组接上负载ZL,次级线圈就产生电流i2,并因此而产生磁通φl2,φl2的方向与φ11相反,起了互相抵消的作用,使铁芯中总的磁通量有所减少,从而使初级自感电压e1减少,其结果使i1增大,可见初级电流与次级负载有密切关系。当次级负载电流加大时i1增加,φl1也增加,并且φl1增加部分正好补充了被φl2所抵消的那部分磁通,以保持铁芯里总磁通量不变。如果不考虑变压器的损耗,可以认为一个理想的变压器次级负载消耗的功率也就是初级从电源取得的电功率。
变压器的主要参数
对不同类型的变压器都有相应的参数要求,电源变压器的主要参数有:电压比、工作频率、额定电压、额定功率、空载电流、空载损耗、绝缘电阻和防潮性能等;一般低频音频变压器的主要参数有:变压比、频率特性、非线性失真、磁屏蔽和静电屏蔽、效率等。
电压比:
设变压器两组线圈圈数分别为N1和N2,N1为初级绕组,N2为次级绕组。在初级绕组上加一交流电压,在次级线圈两端就会产生感应电动势。当N2>N1时,其感应电动势要比初级所加的电压还要高,这种变压器称为升压变压器;当N2<N1时,其感应电动势低于初级电压,这种变压器称为降压变压器,初级、次级电压和线圈圈数间具有下列关系:
u\(_{2}\)/u\(_{1}\)=N\(_{2}\)/N\(_{1}\)=n
上式中n称为电压比(圈数比)。当n<1时,则N1>N2,u1>u2,该变压器为降压变压器,反之则为升压变压器。变压器能根据需要通过改变次级线圈的圈数而改变次级电压,却不能改变允许负载消耗的功率。需要注意的是电压比有空载电压比和负载电压比的区别。
效率:
在额定功率时,变压器的输出功率和输入功率的比值,叫做变压器的效率,即η= P2/P1×100%。
式中η为变压器的效率,P1为输入功率,P2为输出功率。当变压器的输出功率P2等于输入功率P1时,效率η等于100%,此时变压器将不产生任何损耗,但实际上这种变压器是不存在的,变压器传输电能时总要产生损耗,这种损耗主要有铜损及铁损。
铜损是指变压器线圈电阻所引起的损耗,当电流通过线圈电阻发热时,一部分电能就转变为热能而损耗掉了,由于线圈一般都由带绝缘层的铜线(漆包线)缠绕而成,因此称为铜损。
变压器的铁损包括两个方面:一是磁滞损耗,当交流电流通过变压器时,通过变压器硅钢片磁力线的方向和大小随之变化,使得硅钢片内部分子相互摩擦,放出热能,从而损耗了一部分电能,这便是磁滞损耗;另一是涡流损耗,当变压器工作时,铁芯中有磁力线穿过,在与磁力线垂直的平面上就会产生感应电流,由于此电流自成闭合回路形成环流,且成漩涡状,故称为涡流,涡流的存在也会使铁芯发热,消耗能量,这种损耗称为涡流损耗。
变压器的效率与变压器的功率等级有密切关系,通常功率越大,损耗就越小,效率也就越高;反之,功率越小,效率也就越低。
工作频率:
由于变压器铁芯损耗与频率关系很大,故应根据使用频率来设计和使用,这种频率称工作频率。
额定电压:
该参数是指在变压器的初级线圈上所允许施加的电压,正常工作时变压器初级绕组上施加的电压不得大于规定值。
额定功率:
额定功率是指变压器在规定的频率和电压下长期工作,而不超过规定温升时次级输出的功率。
空载电流:
当变压器次级绕组开路时,初级线圈中仍有一定的电流,这个电流称为空载电流。空载电流由磁化电流(产生磁通)和铁损电流(由铁芯损耗引起)组成。对于50Hz电源变压器而言,空载电流基本上等于磁化电流。
空载损耗:
变压器次级开路时,在初级测得的功率损耗即为空载损耗。
绝缘电阻:
该参数表示变压器各线圈之间、各线圈与铁芯之间的绝缘性能。绝缘电阻的高低与所使用的绝缘材料的性能、温度高低和潮湿程度有关。
变压器的磁芯
根据不同的使用场合(不同的用途),变压器的绕制工艺以及材料会有不同的要求,其中,区别最大的是变压器的磁芯材料。变压器的磁芯主要有高频、低频和整体磁芯三种。
最常用的高频磁芯是铁粉磁芯,这种磁芯主要用于高频变压器。它是一种带有尖晶石结晶状结构的磁体,此种尖晶石为氧化铁和其他二价的金属化合物,如kFe2O4(k代表其他金属,目前常使用的金属有锰Mn、锌Zn、镍Ni、镁Mg、铜Cu)。这种磁芯具有高导磁率和阻抗性的特性,其使用频率范围为1kHz~200kHz。
常用的低频磁芯就是硅钢片。我们通常称加了硅的钢片为硅钢片,钢片中加入硅能降低钢片的导电性,增加电阻率,并可减少涡流,使其损耗减少。变压器的质量与所用的硅钢片的质量有很大的关系,硅钢片的质量通常用磁通密度B来表示,一般黑铁片的B值为6000~8000、低硅片为9000~11000,高硅片为12000~16000。
硅钢片主要用于低频变压器,其种类很多,按其制作工艺不同可分为A——煅烧(黑片)、N——无煅烧(白片)两种。按其形状不同可分为EI形、UI形、口形和C形。
EI
形硅钢片是我们常见的磁芯,如图3所示。EI形硅钢片又称“壳形”或“日形”硅钢片,它的主要优点是初、次级线圈共同一个线圈骨架,有较高的窗口占空系数(占空系数Km为铜线净截面积和窗口的面积比);硅钢片对绕组形成保护外壳,使绕组不易受到机械损伤;同时硅钢片散热面积较大,变压器磁场发散较少。但是它的初次级漏感较大,外来磁场干扰也较大。此外,由于绕组平均周长较长,在同样圈数和铁芯截面积条件下,EI形铁芯的变压器所用的铜线较多,故通常在普通变压器中使用。
口形硅钢片常在功率较大的变压器中使用,它绝缘性能好,易于散热,同时磁短路,主要用于功率为500~1000W和大功率变压器中。
C
形铁芯性能优异,用它制作的变压器体积小、重量轻、效率高,从装配的角度来看,C形硅钢片零件很少,通用性强,因此生产效率高,但是C形硅钢片加工工序较多,制作较复杂,需用专用设备制造,因而目前成本还较高。
由两个C形硅钢片组成的一套硅钢片称为CD形硅钢片,用CD形硅钢片制作的电源变压器,在截面积相同的条件下,窗口越高,变压器功率越大,在铁芯两侧可以分别安装线圈,因此变压器的线圈匝数可分配在两个线包上,从而使每个线包的平均匝长较短,线圈的铜耗减小。另外如果把要求对称的两个线圈分别绕在两个线包上,可以达到完全对称的效果。
由四个C形硅钢片组成一套硅钢片称为ED形硅钢片,ED形硅钢片制成的变压器外形呈扁宽形,在功率相同的条件下,ED形变压器比CD形变压器短些,宽度大些,另外由于线圈安装在硅钢片中间,有外磁路,因此漏磁小,对整体干扰小。但是它所有线圈都绕在一个线包上,线包较厚,故平均匝长较长,铜耗较大。
常用的硅钢片厚度有0.35mm和0.5mm两种。硅钢片的组装方式有交叠法和对叠法两种:交叠法是将硅钢片的开口一对一交替地分布在两边,这种叠法比较麻烦,但硅钢片间隙小,磁阻小,有利于增大磁通,因此电源变压器都采用这种方法。对叠法常用于通有直流电流的场合,为避免直流电流引起饱和,硅钢片之间需要留有空隙,因此对叠法将E片与I片各放一边,两者之间的空隙可用纸片来调节。
整体磁芯分三种类型:环形磁芯(T CORE),这种磁芯是将O形磁性材料层叠而成,或由硅钢片卷绕而成;棒状铁芯(R CORE);鼓形铁芯(DR CORE)。常见的整体磁芯如图4所示。
变压器的识别与检测
在电路原理图中,变压器通常用字母T表示。如“T1”表示编号为1的变压器。常见的变压器在电路原理图中的符号如图5所示,其中有黑点的一端表示变压器绕组的同名端。
检测变压器时首先可以通过观察变压器的外貌来检查其是否有明显的异常。如线圈引线是否断裂、脱焊,绝缘材料是否有烧焦痕迹,铁芯紧固螺丝是否有松动,硅钢片有无锈蚀,绕组线圈是否有外露等。
绝缘性能的检测:
用兆欧表(若无兆欧表则可用指针式万用表的R×10k挡)分别测量变压器铁芯与初级、初级与各次级、铁芯与各次级、静电屏蔽层与初次级、次级各绕组间的电阻值,阻值应大于100MW或表针指在无穷大处不动。否则,说明变压器绝缘性能不良。
线圈通断的检测:
将万用表置于R×1挡检测线圈绕组两个接线端子之间的电阻值,若某个绕组的电阻值为无穷大,则说明该绕组有断路性故障。电源变压器发生短路性故障后的主要现象是发热严重和次级绕组输出电压失常。通常,线圈内部匝间短路点越多,短路电流就越大,而变压器发热就越严重。当短路严重时,变压器在空载加电几十秒钟之内便会迅速发热,用手触摸铁芯会有烫手的感觉,此时不用测量空载电流便可断定变压器有短路点存在。
初、次级绕组的判别:
电源变压器初级绕组引脚和次级绕组引脚通常是分别从两侧引出的,并且初级绕组多标有220V字样,次级绕组则标出额定电压值,如15V、24V、35V等。对于输出变压器,初级绕组电阻值通常大于次级绕组电阻值且初级绕组漆包线比次级绕组细。
空载电流的检测:
将次级绕组全部开路,把万用表置于交流电流挡(通常500mA挡即可),并串入初级绕组中。当初级绕组的插头插入220V交流市电时,万用表显示的电流值便是空载电流值。此值不应大于变压器满载电流的10%~20%,如果超出太多,说明变压器有短路性故障。
各绕组同名端的判别:
在使用电源变压器时,有时为了得到所需的次级电压,可将两个或多个次级绕组串联起来使用。采用串联法使用电源变压器时,进行串联的各绕组的同名端必须正确连接,不能搞错,否则,变压器将烧毁或者不能正常工作。判别同名端的方法如下:按照图6所示在变压器任意一组绕组上连接一个1.5V的干电池,然后将其余各绕组线圈抽头分别接在直流毫伏表或直流毫安表的正负端。接通1.5V电源的瞬间,表的指针会很快摆动一下,如果指针向正方向偏转,则接电池正极的线头与电表正接线柱的线头为同名端;如果指针反向偏转,则接电池正极的线头与接电表负接线柱的线头为同名端。另外,在测试时还应注意以下两点:

(1)若电池接在变压器的升压绕组(既匝数较多的绕组),电表应选用最小的量程,使指针摆动幅度较大,以利于观察;若变压器的降压绕组(即匝数较少的绕组)接电池,电表应选用较大量程,以免损坏电表。
(2)接通电源的瞬间,指针会向某一个方向偏转,但断开电源时,由于自感作用,指针将向相反方向倒转。如果接通和断开电源的间隔时间太短,很可能只看到断开时指针的偏转方向,而把测量结果搞错。所以接通电源后要等几秒钟后再断开电源,也可以多测几次,以保证测量结果的准确。
文/赵理科