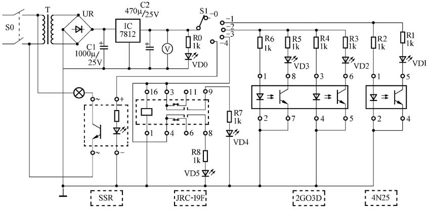
在广播电台的调频广播发射机控制电路中,使用了不少光电耦合器4N25和2GO3D、固态继电器SSR、小型电磁继电器JRC-19F/012M等器件。一般我们在怀疑这些元件有问题时,只能将其从线路板上拔下,用替换法试验,这样每更换一次都需要重新开机,有时更换多次才能找到故障部位,这样既浪费时间,又对机器安全性无保障,很可能烧毁其他元器件。对此我们设计安装了光耦、固态继电器、小型电磁继电器测试仪。此测量仪原理图如附图所示,元件少,选材方便,无需调整,只要连线准确无误,装成后即可使用。
交流220V市电经电源开关S0加到电源变压器T上,输出15V低压交流电,然后经UR桥式整流,C1滤波,再经稳压集成电路IC输出+12V电压,电压表指示直流电12V的读数,VD0作为电源指示灯,R0是限流电阻。R1~R8的阻值和作用均与R0相同。+12V电源接到测量选择开关S1上,平时此开关置于空脚。
如果测量的是光耦4N25,此元件共有6个脚,1脚和2脚是输入端(1脚接正,2脚接地),4脚和5脚是输出端(4脚接地,5脚接高电位)。将其插到相应的管座上,注意管脚与管座对应(最好在管座上做上标记),否则元件将被烧坏,然后将测量开关S1旋到S1-1上,再打开电源开关S0,此时发光二极管VD1不亮,说明4N25损坏(开路或短路)。若VD1发光,说明光耦4N25是好的,测完后再将选择开关S1-1退回S1-0位置。
同理,S1-2挡是测量光电耦合器2GO3D,此光耦是两个耦合导通器件,1脚(正)和2脚(地)是输入端,相应的8脚(高电位)和7脚(地)是输出端;3脚(正)和4脚(地)是另一个输入端,6脚(高电位)和5脚(地)是输出端。插上被测元器件,若VD2和VD3都亮,说明2GO3D完好;若VD2和VD3两个都不发光或者有一个不亮,说明元件损坏或部分损坏,必须将其更换。

选择开关S1-3挡是测量小型电磁继电器JRC-19F/012M。1脚和16脚接+12V线包电压,3脚和9脚、4脚和8脚为两组常开接点。当测量此器件时,先插上JRC-19F,将选择开关旋到S1-3位置,打开电源开关S0。若VD4和VD5都亮,说明此继电器吸合正常;若一个发光管不亮,说明对应的接点没有吸合上;若两个指示灯都不亮,证明两组接点吸合不好或线包损坏。
选择开关S1-4挡是测量固态继电器SSR器件,我们使用的是交流固态继电器SSR,输入端接+12V电源,输出端接交流220V控制回路,这里用小功率照明灯泡代替,将固态继电器插入相应的自制管座(一定不要插错位置),将开关旋至S1-4上,打开电源开关S0,220V灯泡亮,说明SSR工作正常,否则此元件损坏。
在我们使用的调频发射机控制电路中,还使用了很多CMOS集成控制元件,如MC1413七非门驱动器、CC4069六反相器、CC4011B二输入四与非门、CC4081B二输入四与门以及晶闸管等,这些元器件根据各自的输入和输出控制特性,都可以在原测量仪上增加,使测量仪更具有多器件测量的使用价值。
好书推荐
充分发挥数字万用表的检测功能
这几天,笔者读了《数字万用表检测方法与应用(世纪新版)》一书,该书对数字万用表的基本测量原理及使用注意事项进行了系统全面的介绍。书中重点阐述的利用数字万用表检测电子元器件的方法,笔者觉得非常受启发。从简单的二极管、三极管参数测量,到耦合器、固态继电器、数字电位器、数字电容器测量,全书共列举了65个应用实例。书中数字万用表功能扩展及应用部分的介绍,更是让人耳目一新,比如介绍了给数字万用表增加方波信号发生器、增加占空比可调的矩形波信号发生器和增加峰值读数保持等功能,而且作者对提高万用表的稳定性、改善频率特性、扩展测量量程的简便方法和提高抗干扰能力等都作了详细的介绍。
(任可)
读者可汇款至我杂志社购买此书,该书邮购价及汇款地址见本期第27页。
文/韩照训