NCP346是安森美公司(ON Semiconductor)2004年2月推出的器件,可用来作过压保护电路以防止电子产品因过压(或瞬态过压)而损坏,也可用于防止使用简易充电器充电使电池过充而损坏。
该器件主要特点:有两种精确的过压阈值电压,即4.45V(型号后缀为SN1T1G)和5.5V(型号后缀为SN2T1G);另外,可外设两电阻扩展过压阈值;组成的过压保护电路简单,主要是一个P沟道功率MOSFET(它起过压关断电源作用),关断时间极快,小于1μs,负载或负载电路可靠地保护;另有一个由微处理器(μP)控制的CNTRL端,它可控制P管通、断(高电平大于1.8V时可使P管截止);新型无铅封装器件(型号最后的G表示是无铅封装)。
该器件主要应用于手机、数码相机、便携式计算机、PDA、便携式CD及其他消费类电子产品。
该器件为5管脚SOT-23-5封装,其管脚排列如图1所示。IN(4脚)为检测电压输入端;OUT(1脚)为控制外接P管栅极电压的输出端;V\(_{cc}\)及GND(5脚及2脚)为电源的正、负端;CNTRL(3脚)由μP控制P管通、断的控制输入端。

结构与工作原理
由NCP346组成的过压保护电路见图2。该器件由稳压器、R1和R2组成的分压器、基准电压源、电压比较器、或门、开关型输出驱动器组成。

V\(_{cc}\)端输入工作电压(2.5~25V),被检测的电压从IN端输入,CNTRL端输入μP来的控制电平信号,OUT输出电平控制信号,用来驱动外接P沟道功率MOSFET:OUT输出高电平(>V\(_{cc}\)-1V)时,MOSFET截止;OUT输出低电平(<0.1V)时,MOSEFT导通。
当输入IN端的电压未超过器件内部设定的阈值电压V\(_{tn}\)时,电压比较器输出低电平,若CNTRL端输入低电平,则或门输出低电平,OUT端输出低电平,-V\(_{GS}\)=V\(_{cc}\),MOSFET导通,负载得电;当输入电压一旦上升到大于阈值电压时,比较器输出高电平,或门输出高电平,OUT端输出大于V\(_{cc}\)-1V电压,使MOSFET的-V\(_{GS}\)<1V,则MOSFET截止,负载电路得以保护。关断MOSFET的速度极快(小于1μs);另外,当μP向CNTRL输入高电平(>1.8V)时,或门输出高电平,OUT输出大于V\(_{cc}\)-1V电压,MOSFET被截止,即μP可控制电源的通、断。
IN端输入的电压及CNTRL输入的电平信号对OUT的输出及P管通断如附表所示。

主要技术参数
NCP346的主要技术参数:电源电压V\(_{cc}\)=2.5~25V;静态电流典型值为700μA;阈值电压V\(_{th}\):NCP346SN1T1G的Vth=4.45V±0.15V,NCP346SN2T1G的Vth=5.5V±0.2V;IN端输入阻抗(内阻)Rin典型值:V\(_{th}\)=4.45V时为55kW,V\(_{th}\)=5.5V时为60kW;CNTRL端输入高电平大于1.5V,低电平小于0.5V;OUT端输出高电平大于V\(_{cc}\)-1V,低电平小于0.1V;开关导通时间典型值为1.8ms;开关关断时间典型值小于1.0μs;工作环境温度范围为-40℃~+85℃。
应用电路
1.AC/DC
适配器供电电路
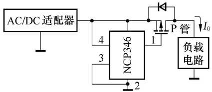
AC/DC
适配器有的稳压,有的不稳压,则可能在市电波动过大时产生过压使负载电路中的器件因过压而损坏。采用图3的电路,只要器件的极限电压大于NCP346的阈值电压,则电路可获得良好的过压保护。若负载电路工作电压为+5V,负载电路中的最大极限电压为5.5V,则可选阈值电压V\(_{th}\)=5.5V的过压保护器NCP346 SN2T1G。在电源电压小于V\(_{th}\)时,OUT输出接近地电平,P管的-V\(_{GS}\)≈5V,负载电路得电;一旦电源电压大于V\(_{th}\)时,OUT输出大于V\(_{cc}\)-1V,P管的-V\(_{GS}\)<1V,P管截止,负载电路失电,电路获得保护。

在此电路中,CNTRL端的功能不用,此端接地。在正常工作时,由于P管的导通电阻R\(_{DS(on)}\)较小,在P管上的压降很小,其损耗也不大。例如,选Si9435P沟道功率MOSFET,其V\(_{DS}\)耐压为-30V,I\(_{D}\)=±4.6V,R\(_{DS(on)}\)=0.10W(-V\(_{GS}\)=4.5V),-V\(_{GS}\)(th)=1.0V,则在负载电流为0.3A时,其P管上的压降为0.03V,其管耗P\(_{D}\)=9mW。
P管选择的原则:-V\(_{GS(th)min}\)≥1V;-I\(_{D}\)>I\(_{O}\)(负载电流),V\(_{DS}\)>V\(_{ccmax}\);R\(_{DS(on)}\)在正常供电时(-V\(_{GS}\)=3~5V时)其值较小为好。
2.简易充电器充电电路
用简易充电器充锂离子电池是极易造成过充而使电池损坏,即使充镍镉或镍氢电池也有可能因充电时间过长而造成过充。
采用图4的过压保护电路虽然不能成为性能良好的充电器,但至少可以保护电池使它不因过充而造成损坏。
充1节锂离子电池时,选用NCP346SN1T1G,若充4节镍镉或镍氢电池时,可选用阈值电压V\(_{th}\)=5.5V的NCP346SN2T1G。采用肖特基二极管的作用是用作阻塞二极管,防止充电器输出端短路而使电池经P管中的二极管形成回路。采用这种充电电路电池不能充满,仅仅是一种应急使用(NCP346与P管做在简易充电器中)。
阈值电压的提升
NCP346的V\(_{th}\)值是固定的(4.45V及5.5V),但外接两个电阻R1、R2时,可提升V\(_{th}\),提升后的阈值电压为V‘\(_{th}\),但V’\(_{th}\)一般小于15V。为简化计算,设R1<<R\(_{in}\)(R\(_{in}\)为原器件的内阻),一般采用R1=1/100R\(_{in}\)。R\(_{in}\)的典型值可在主要技术参数中找到。计算公式如下:
V‘\(_{th}\)=V\(_{th}\)(1+R1/R2+R1/R\(_{in}\))
因为R1<<R\(_{in}\),则R1/R\(_{in}\)这一项略去,V‘\(_{thh}\)=V\(_{th}\)(1+R1/R2)
因为R\(_{in}\)是已知的,原器件的V\(_{th}\)也是已知的,则可由上式求出R2值。
例如,V\(_{th}\)=5.5V,R\(_{in}\)=60000W(典型值),若V‘\(_{th}\)设为6V,R1取1/100R\(_{in}\),则R1=600W,可求得R2=6600W,R2可取标准阻值6.8kW。为提高V’\(_{th}\)的精度,R2可用10kW半可调电阻代替。这是因为R\(_{in}\)给出的是典型值,实际上它有较大的允差,计算出来仅是个估算值,V‘\(_{th}\)的允差较大,采用半可调电阻不仅补偿了电阻值的标准化后的阻值误差,并且也补偿了内阻的实际值与计算值的误差。
文/万嘉点
编者注:
NCP346的详细资料见www.onsemi.com/pub/collateral/NCP346-D.PDF。