光栅旋转控制电路又称地磁校正电路,有的资料还称之为“光栅倾斜校正电路”,目前正在被越来越多的新型彩色显示器使用。本文联系实际电路为大家介绍其相关原理和维修方法,文末给出了检修数据和维修实例。
为什么要设计光栅旋转控制电路
彩色显示器的光栅是电子束在行、场偏转电流的控制下按照指定的路线扫描而形成的。在理论上的理想状态,显示器的光栅应该是一个矩形。然而实际使用中,电子束在扫描的过程中不可避免地要受到地球磁场的影响,当移动显示器(如屏幕方向的改变等)时,电子束必定会在着屏时产生偏差,使光栅偏色或者倾斜。
地球磁场对电子束的影响主要来自于南北方向的水平分量和上下方向的垂直分量,而且磁场对电子束的作用力总是和磁场的方向互相垂直,因此,在整个北半球,垂直分量是垂直向下的,水平分量大致是由南向北的。与此相对应,垂直分量引起电子束水平方向的偏移,水平分量引起电子束在垂直方向上发生偏移。因此在北半球垂直分量总是使电子束向左偏移,如图1(a)所示。水平分量的影响却复杂得多,当屏幕向西放置时,电子束向上偏移,如图1(b)所示,屏幕向东放置时与此相反即向下偏移;当屏幕向北放置时,电子束的受力方向为逆时针旋转状,如图1(c)所示,光栅左低右高;屏幕向南时与此相反,为顺时针旋转状,光栅左高右低。

由此可见,由于垂直分量对电子束的影响总是向左,而且偏差大小也基本相等,故为了消除垂直分量对电子束的影响,可以采用静态会聚或色纯调整给予预补偿,实践证明,这种方法是很有效的。但对于水平分量的影响,由于上述影响的复杂性和种种因素的不确定性,彩显厂家不可能设计某种电路对其进行出厂时的预补偿,而只能采用针对某种具体情况的手动调整控制电路。因此,为解决这个问题,光栅旋转控制电路便应运而生了。
光栅旋转控制电路原理分析
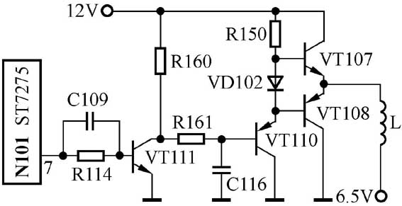
目前新型彩显中的光栅旋转控制电路大体上有两种,一种是以集成电路为核心组成的,一种是由分立元件组成的,以前者居多。但不管是哪一种,控制信号都是在人为的情况下由微处理器(CPU)发出的。为易于读者理解,这里以由分立元件组成的光栅旋转控制电路为例,分析说明其工作原理。图2是夏华17YAK彩显的光栅旋转控制电路。

由图可见,该电路主要由三极管VT111、VT110、VT107、VT108及阻容元件、二极管VD102和旋转控制线圈L组成。L的匝数为1匝,套在行场偏转线圈上并绕其一周。
当光栅受到地磁的影响而出现倾斜需要调整时,进入用户菜单,选中“倾斜校正(TILT)”选项,确认后按“左”或“右”键进行调整。调整时,微处理器N101(ST7275)的7脚光栅旋转控制端(ROTATE)输出占空比可变的PWM控制信号,经R114限流后,送至倒相放大器VT111的基极,使其集电极产生变化的电压,并加到VT110的基极。VT110、VT107、VT108组成推挽放大电路。当N101的7脚输出电压升高时,VT111的基极电压升高,集电极电压降低,使VT110的基极电压降低,VT110导通程度增强,其发射极电压下降,使得VT108导通(同时VT107处于截止状态)。此时旋转线圈L中电流的流向是:6.5V电源→L→VT108的发射极、集电极→地。L中的电流在其自身周围产生电磁场,进而影响行场偏转线圈周围的磁场,使显像管电子束在扫描时向左(逆时针)偏转,使得整个画面以屏幕中心为轴按逆时针旋转。同理,当N101的7脚的输出电压下降时,VT110的基极电压升高,集电极电压也升高,使VT108截止、VT107导通,此时L中电流的流向是:12V电源→VT107的集电极、发射极→L→6.5V电源,通过L产生的电磁场,控制显像管中的电子束向右(顺时针)偏转,使整个画面按顺时针方向旋转。
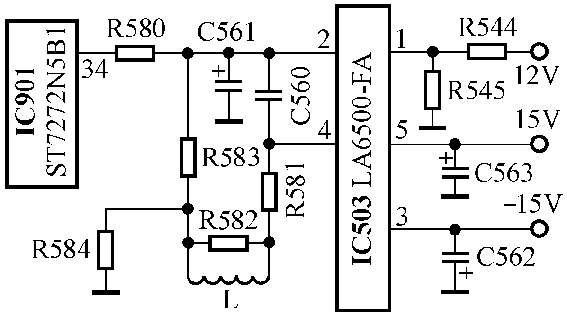
另一种光栅旋转电路采用集成电路控制,使电路显得更加简单。图3是索尼CPD-200SF彩显的相关电路,IC503(LA6500-FA)是核心元件。该集成电路采用正负电源(15V)同时供电(5脚接+15V,3脚接-15V)。当需要旋转光栅时,CPU IC901(ST7272N5B1)的旋转控制端34脚输出可变的PWM信号,加到IC503的控制输入端2脚,2脚电压的大小决定了IC503的输出端4脚电压的极性和大小,从而控制了旋转线圈中电流的方向和大小,达到了旋转光栅的目的。其作用原理与前面相同,此处不再赘述。

检修中的参考数据
由分立元件组成的旋转控制电路,因为线路和元件直观可见,所以检修也比较容易,只要注意CPU的ROTAT控制输出端电压是否有变化,而且各个三极管的相应管脚是否有对应的变化即可,限于篇幅,这里不再给出具体的各个检修数据了。重要的是采用集成电路的光栅旋转电路,由于采用的集成电路不同(目前大约有七八种),而且内部的元件不可见,因此,检修数据显得尤其重要。这里给出常见的4种光栅旋转控制集成电路检修参考数据,具体见表1~表4,表中数据均是在800×600的分辨率下用FM-47型万用表测得。

故障检修实例
一台索尼CPD-200SF彩显,光栅严重向左下端倾斜,屏幕的四个角都出现了三角形的暗区。
分析与检修:
根据故障现象,判断光栅旋转控制电路异常。先进入菜单进行调整,发现调整时光栅的方向只有微弱的变化,不能调至正常。测量微处理器IC901的旋转控制输出端34脚电压为3.4V,不正常。但考虑到这是一个可变的电压,而且刚刚进行过调整,遂再次进行调整,使之调到正常的2.3V,据此排除了CPU损坏的可能,而且为下一步检测光栅旋转控制电路的其他数据提供了正常的输入电压(IC901的各脚参考电压值见表1)。
测量光栅旋转控制集成电路IC503(LA6500-FA)的控制端2脚电压,为0.2V,和正常值(1.4V)差别很大,输出端4脚也和正常值(0.8V)相差很大。调整光栅的倾斜度,测量这两个点的电压基本不变。根据其中的控制和被控的关系,在假定IC503本身完好的前提下,决定先检查IC503的2脚外围及其有关电路。经检查,R580(12kW)未有变值现象,R583、R584以及C560均正常,电路板的铜箔之间也无任何杂物,但将C561拆下测量时发现其严重漏电。更换一只1μF/50V的电解电容后,开机查看,光栅得以大幅度的校正,但是左下端仍然有稍微的倾斜。重新进入菜单,调整光栅的倾斜度,将光栅调至完全正常。此时测量IC901的34脚为2.1V。这个电压和参考数据2.3V略有差别。
小结与启发:
从此例检修中我们还可看出,由于制造地和使用地的差异,以及该电路选用元件参数的离散性,所谓的参考数据也只是大体上的数据,不是绝对的。即便是同一种机型,为了达到最佳的光栅校正,其相同引脚的电压值也会有所差别。同时,这种差别也反过来验证了设置该电路的意义所在。
文/华雷广