STR-G5653/STR-G5623/STR-G8656
系列厚膜集成块是三肯公司继STR-F6454、STR-F6656、STR-F6658系列厚膜集成块之后又推出的新型开关电源厚膜集成块。该系列厚膜块内含20kHz的振荡器、大功率开关调整管(MOS型场效应管)和相应的控制电路,其工作方式类似于STR-F6454、STR-F6656、STR-F6658系列厚膜块,就电路结构来看, STR-G系列厚膜块比STR-F系列厚膜块组成的开关电源更简单,更便于维修。
STR-G5653/STR-G5623/STR-G8656
三者引脚功能完全相同,STR-G5653/STR-G5623厚膜块输出功率较小, 约120W, 通常应用于21英寸及其以下小屏幕尺寸纯平/超平彩电开关电源。STR-G8656厚膜块输出功率较大, 约200W, 通常应用于25英寸及其以上大屏幕尺寸纯平/超平彩电开关电源,代换时, STR-G5653、STR-G5623可以相互代换, STR-G8656可以替换STR-G5653/STR-G5623,但STR-G5653 / STR-G5623不能替换STR-G8656。
在长虹彩电中,该STR-G厚膜块广泛用于CN-18机芯、二合一(TV + DVD)彩电,本文以长虹PF2991E大屏幕纯平彩电开关电源为例,介绍其工作原理与检修。
工作原理
一、整流滤波及消磁电路
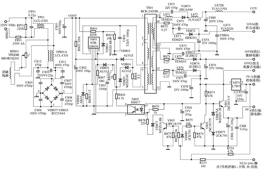
长虹PF2991E大屏幕纯平彩电开关电源,实际电路如附图所示,交流220V市电经XP803,保险管FP01后进入由RP01、CP01、TP01、C812、C811组成的第一道抗干扰电路,50Hz的市电可顺利通过该电路,但对于其他高频干扰信号,该电路呈高阻状态,并且CP01、C811、C812可以旁路掉高频干扰脉冲。
220V交流市电经第一道抗干扰电路后,分两路:一路送入RP801及消磁线圈组成的自动消磁电路,在开机瞬间完成自动消磁动作;另一路经互感滤波器TP801A后送入VD807~VD
810、C806~C809、C805组成的桥式整流及滤波电路,将交流220V电压变成约300V的脉动直流电压,送入开关变压器T801的1脚。
二、开关稳压电路
整流滤波得到的300V直流电压一路经开关变压器T801的1-4绕组送到厚膜块N801的1脚(内部大功率开关管D极);另一路经R802降压后加到N801的4脚,同时对C802进行充电。随着C802的充电,N801的4脚电压开始上升,当N801的4脚电压上升到15.5V以上时,N801内部振荡电路开始启动,并输出一脉冲加到内部开关管G极,N801内开关管开始导通,开关电源被启动。
2.电源的二次供电
开关电源启动后,在开关变压器T801初级1-4绕组上将产生一自感电压,同时在6-7绕组上产生一互感电压。该电压从6脚输出经R804限流、VD803整流、C802滤波,得到32V电压,向N801的4脚提供持续的工作电压。N801(STR-G5653/STR-G5623/STR-G8656)的4脚供电电压范围较宽,可工作在15.5 ~ 37.5V之间。
3.电源的稳压过程
本机开关电源无复杂的稳压控制电路,STR-G5653/STR-G5623/STR-G8656系列厚膜块4脚既是电源供电端又可作为误差电压输入端,该电源稳压控制过程设计得非常巧妙和简单。
厚膜块N801的4脚与5脚均可作为误差电压输入端。当4脚作为误差取样电压输入端时,要求其输入电压为32V,偏差应小于0.2V。若选用此方式实现稳压,误差电压取样点通常选择在开关变压器原边绕组,这就要求开关变压器T801的6-7绕组对开关电源的负载检测极为灵敏,开关电源各次级输出电压的高低能精确地反应在该绕组上。
当5脚作为误差电压输入端时,要求4脚输入电压必须小于28V。若选用此方式实现稳压,则误差电压取样点可选择在开关电源次级+B电压端。本机开关电源中,选用STR-G8656的4 脚作为误差取样电压输入端。
当开关电源被启动后,在T801的6脚得到的互感电压,经R804限流、VD803整流、C802滤波,得到32V电压,送到N801的4脚。当由于某种原因使电源各次级输出电压降低时,T801的6脚得到的感应电压也将随之降低,经VD803整流、C802滤波,送入N801的4脚的32V电压也将相应降低。N801的4脚内部误差放大电路检测到该电压降低后,控制电路将发出指令,使N801内部振荡电路滞后翻转,开关管滞后截止,其导通时间增长,输出电压回升到正常值。反之,当开关电源各次级输出电压升高时,送入到N801的4脚的32V电压也将升高,N801内部振荡电路提前翻转,开关管提前截止,其导通时间缩短,使升高的输出电压降低到正常值。所以,T801的6-7绕组不仅可以为电源厚膜块N801的4脚提供二次供电,还能为N801的4脚内部误差电压放大器提供误差取样电压。
4.延迟导通电路
该电路由VD804、VD805、R805、C803、VD802组成,在N801内部开关管截止期间,C804与开关变压器T801初级1-4绕组将发生谐振,所产生的谐振电压由于互感作用,在6-7绕组上产生一互感电压。该电压从T801的6脚输出,经R804限流、VD804整流并反向击穿VD805后,再经R805对C803进行充电,同时又经VD802加到N801的5脚,使N801内开关管继续保持截止状态,经放电一段时间后,待N801的1脚电压下降到门限电压(0.73V) 以下时,N801内部开关管才开始导通,这样便达到延迟导通的目的。
三、保护电路
1.过流保护
过流保护电路由R808、R807组成,当某种原因造成N801内开关管漏极电流显著增大时,流过检测电阻R808的电流也相应增大,在R808上的压降将进一步增大。该电压经R807送入N801的5脚,使5脚注入电流迅速上升,N801的5脚内部电路迅速输出控制命令,调整开关管的导通时间,使其导通时间迅速缩短,开关管漏极电流迅速回到允许范围内,从而达到了过流保护的目的。
2.过压保护
过压保护是通过检测市电整流滤波后的300V直流电压的高低来实现的。在电路中R803、R801、VD801组成过压保护电路。当市电220V电压异常升高时,经整流滤波的300V电压也将随之升高,经R803、R801分压后的电压也随之升高。该升高的电压将VD801反向击穿后加到N801的5脚,使N801的5脚电压迅速升高。N801内部将立即截断送入内部开关管G极的开关脉冲,整个开关电源停止工作,从而实现了过压保护功能。
厚膜块N801(STR-G8656)的4脚也具有过压保护功能。当某种原因使该脚电压上升到37.5V以上时,其内部过压保护电路启动,送入内部开关管G极的开关脉冲被截断,以实现过压保护功能,但实际应用中,还未发现由外部元件导致该脚内部过压保护电路动作而出现故障的先例。
四、开/待机控制电路
开/待机控制电路由R876、R877、V803、VD877、R878、N802、VD880、R875、R874、V802、R233、R234及N210的64脚内部电路组成。机器正常工作时,N210的64脚内部对地近似呈短路状态,即该脚输出低电平,此时V803、VD877、N802、VD880、V802均处于截止状态。
当机器接收到待机指令时,N210的64脚内部对地近似呈开路状态,5V待机控制电压一路经R876加到V803 的b极,V803饱和导通,VD877因正端接地而被反向击穿,光耦器N802的1、2脚内光电二极管导通,其3、4脚内光敏三极管随之导通,经VD803整流、C802滤波后的电压一路经R806、N802的4、3脚加到N801的5脚,使该脚电压上升,并提前上升到门限电压0.73V,N801内部开关管提前截止,其导通时间将缩短至一半左右,开关电源各次级输出电压均降至正常值的一半左右。与此同时,5V待机控制电压另一路经VD880、R875加到V802的b极,V802 由截止转为饱和导通状态,V801的b极电压将由此被拉低到0.7V左右,其发射极将无电压输出。由于该电压供N210内部行振荡电路使用,所以,此时,行振荡电路停止工作,整个行扫描电路随之停止工作,整机的待机功耗进一步减小。
当机器再次接收到开机指令时,N210的64脚内部又转入对地近似短路状态,V803、VD877、N802、VD880、V802同时截止,开关电源各次级输出上升至正常值,V801发射极输出9V电压,行扫描电路再次被启动,整机处于开机状态。
五、各次级输出电路
在PF2991E彩电中,开关变压器T801向负载提供四组电压:第1组经VD871整流、C889滤波,得到135V电压,供行输出级及+32V电压产生电路;第2组经R871限流、VD873整流、C876滤波,得到16VH电压,供行激励级使用;第3组经VD872整流、C874滤波,得到16VA电压,供伴音功放集成块N603(TDA8944J)使用;第4组经R872限流、VD874整流、C878滤波,得到16VC电压。该电压分三路:第一路向关机静音电路提供电压;第二路经V801、VD875为核心组成的电子稳压电路稳压得到9V-1电压,供N210内部行振荡电路使用;第三路经三端稳压器N871(L7805CV) 稳压得到5V-1电压,该5V-1电压供存储器N230及微控制系统使用。
常见故障的检修
1.开关电源各次级输出全无(保险管被烧黑)
若出现保险管被烧黑的现象,说明电源存在严重短路情况,此时可采用测滤波电容C805正端是否对地短路的方法进行检修。
若C805正端对地已短路,则采用逐一断开N801的1脚、C805正端、C804的方法,检查这几个元件是否击穿短路。在检查中若发现C805、C804击穿短路,一般更换同型号元件及保险管,整机即可恢复正常。若发现N801的1脚内部电路击穿短路,请不要立即更换厚膜块N801和保险管FP01并通电试机,应先检查N801的2、3脚间二极管VD806及5脚外接电容C514是否击穿短路。当检查VD806、C514完全正常后,方可更换新的N801和FP01,否则,新换的N801和FP01在通电瞬间可能再次被损坏。
若C805正端对地未短路,则在路检查测量VD807~VD810,C806~C809其中之一是否击穿短路;CP01、C810~C812是否击穿短路;消磁电阻RP801是否性能变坏,致使开机瞬间RP801阻值仍停留在冷机值(18W)。
2.开关电源次级输出全无(保险管完好,电源各次级输出电压均为0V)
测N801的1脚是否有300V左右电压,若无300V电压,则说明220V交流输入端至N801的1脚间存在开路现象。此时主要查TP01、TP801A引脚是否虚焊;开关变压器T801的1、2、3、4脚是否虚焊。
测N801的4、5脚电压,通常情况下将有下列几种情况:第一种N801的4、5脚电压均为0V,此时先测4脚对地是否短路。若短路,则应查N801的4脚本身是否对地击穿,电容C802、二极管VD803是否击穿短路。若未短路,则只需检查启动电阻R802是否开路。第二种N801的4脚电压低于启动电压值15.5V且稳定不变,5脚电压低于1V。此时,断开光耦器N802的3脚或4脚,通电。若电源恢复正常,则判定故障在N802本身。实际维修中N802的3、4脚间严重漏电或击穿短路较多。若断开光耦器N802的3、4脚后,故障依旧,则应重点检查启动电阻R802是否阻值变大,C802是否失容。若R802、C802均正常,则表明厚膜块N801内部电路损坏;第三种N801的4脚在11~15.5V间反复跳变,5脚电压低于1V。此时,表明厚膜块N801基本正常,检查对象应在开关电源次级+B电压输出端,查VD551、C561(图中未画出)是否击穿短路,T801的17脚内部绕组是否匝间短路。第四种N801的4脚在11~15.5V间反复跳变,5脚远远高于正常值1.9V,达4.9V之多。这表明故障是由过流保护电路所引起的,只需重点检查过流检测电阻R808是否阻值变大或完全开路,一般即可排除故障。
3.开关电源各次级输出电压低,但稳定不变
若出现电源各次级输出电压均低的故障,只需检查:开/待机控制电路和过流保护电路。具体判断及检修步骤如下:
第一步,断开光电耦合器N802的3脚或4脚,通电测开关电源各输出电压。若开关电源各输出电压均上升为正常开机值,则判定故障在开/待机控制电路。焊回N802的3、4脚,断开N802的1脚或2脚或短路1、2脚,通电。若电源各次级输出上升至正常工作值,则判定光电耦合器N802正常,否则应判定光电耦合器N802损坏。恢复所有断开电路,用镊子将V803的b、e极短路。若电源各次级均恢复正常,则应判定N210的64脚内部电路损坏;若用镊子短路V803的b、e极后,电源各次级电压仍旧,则应判定故障在V803或VD877。
第二步,检查过流保护电路,该电路中只需检查过流检测电阻R808 、反馈电阻R807阻值是否变大即可。实际维修中以R808阻值变大极为常见。
4.开关电源各次级输出电压均高
由于采用STR-G5653 / STR-G5623 / STR-G8656的开关电源无复杂的稳压控制环路,所以本机开关电源极少出现输出电压高的故障,在维修中,若确遇到开关电源输出电压高的故障,则只需检查限流电阻R804是否开路、开关变压器T801的6、7脚是否虚焊和二极管VD803是否不良或开路。维修时,最好选用质量上乘的同型号二极管代之。若上述元件均正常,则相继代换开关变压器T801,厚膜块N801即可排除故障。
5.开关电源各次级输出电压均低,且在不停跳变
断开光电耦合器N802的3脚或44脚,通电,若开关电源各次级输出电压均上升至开机电压值,应判定开/待机控制电路存在故障,采用前面所介绍的方法检查N802、VD877、V803等元件是否正常。若断开光电耦合器N802的3脚或4脚后,故障依旧,应检查过流保护电路各元件,如易损件R808,若正常,再考虑代换N801本身。
6.电源带载能力弱
此时会出现无论市电220V偏低或正常,伴随伴音加大或屏幕图像较亮,光栅都有收缩现象。若市电220V基本正常,则判定故障在过流保护电路,应重点检测电阻R808阻值是否变大。若市电220V较低时,则判定故障在延迟导通电路,应重点检查该电路中VD804、VD805、VD802、R805是否存在开路现象。
附表给出STR-G856厚膜集成块的引脚功能及维修参数数据,供检修时参考。
文/何金华
