各种家用电器所使用的遥控器实在太多,不用时闲置在那里,利用率不高,在家用遥控电路小制作中,再来几个红外线编码遥控或无线电遥控,无形中又多了几个遥控器。虽红外线编码遥控或无线电遥控性能优越,抗干扰能力强,但如能借助VCD、DVD或彩电、音响的红外线遥控发射器和红外线一体化接收头构成的遥控系统对家中小电器实施控制,稍加注意和妥善解决相互干扰的问题,确有经济实惠,方便实用的优点。请看下列几个经优化设计后的红外线遥控调光调速电路。
一、红外线遥控无级调光电路
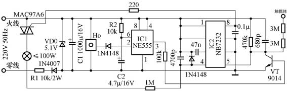
红外线遥控无级调光电路如图1所示,电路由红外线接收电路、NE555时基电路和NB7232无级调光调速电路组成。利用由Ho红外线接收头构成的接收电路控制NE555构成的施密特触发器的翻转,从而对触摸调光集成电路NB7232的5脚进行控制,最终借助双向晶闸管调节灯泡两端的交流电压实现灯泡的开关和无级调光。

NB7232采用CMOS工艺,与CS7232、SM7232、BA2103完全一致,可直接替换。工作电压范围为3~12V,典型工作电压为5V,工作电流为400μA,具有调光和调速的功能,且对亮度或速度有记忆。一般可通过触摸、按键、遥控的方式来实现。用遥控的方式通常是通过控制5脚接低电平或6脚接高电平来改变8脚的输出脉冲,从而改变双向晶闸管的导通角来达到对灯泡的调光或风扇电机调速的目的。当5脚为低电平的持续时间为32~332ms时,控制电路呈开关状态;当5脚为低电平的持续时间大于332ms时,控制电路呈调光或调速状态。
由于红外线接收电路和时基电路NE555的接入,增加了电源的负荷,R1太大,电源电压太低,在选取图2所示的红外线接收头中的第1种或第2种时(第1种和第2种接入电源的阻抗相近),R1选取20kW,输出电压才为4.1V,电路无法工作。图1中R1选取10kW,输出电压可达5.1V,电路工作正常。当C1太小,滤波效果必差,红外线接收头Ho工作不稳定,难以实现电路功能。试验中发现,在选取图2所示的红外线接收头中的第1种或第2种时,C1选取220μF就能使电路工作正常,而第3种红外线接收头,C1要求1000μF左右,灯泡工作才能稳定,而且手接近第3种红外线接收头时,出现连续调光或灯光闪烁不定的现象,说明第3种红外线接收头对电源的稳压性能要求稍高且抗干扰能力稍差。所以在制作中,尽量选择前两种。三种红外线接收头的三个引脚分别是电源的“+”、“-”极和信号输出(out)极,电极位置各有不同,图2中所标符号供制作中参考。在接通电源后,红外线接收头Ho的输出端为高电平,遥控键按下,Ho接收到遥控信号后,输出的负脉冲使C2放电,IC1的2、6脚下降到Vcc /3(Vcc≈5V)以下的低电平。刚接通电源时,IC1的2、6脚电平升至2 Vcc /3以上的高电平,3脚便输出0电平,VT截止,NB7232调光电路不工作;按下遥控键,IC1的2、6脚电平一旦下降到Vcc /3,3脚便输出高电平,VT饱和,NB7232的5脚接地。点按遥控键,使VT饱和的时间在332ms以内,有开、关效果;长时间按遥控键,使VT饱和的时间在332ms以上,有调光效果,松开按键,亮度锁定。电路中R2、C2参数的选取也不可小视,由于NE555的暂态时间由R2与C2决定,R2·C2常数太大,充电太慢,NE555的2、6脚电平升至2Vcc/3的时间太长,使NE555的3脚保持高电平的时间过长,致使灯泡连续调光,调光结束虽能锁定亮度,但操作遥控键不能达到关灯的目的。C2太小,容抗太大,遥控键按下、接收头输出负脉冲时,C2放电不彻底,使NE555的2、6脚无法降到稳定的低电平,致使电路不能稳定翻转,出现灯光不停闪烁而无法调光的现象。电路中双向晶闸管可根据负载功率大小来选择,如97A6(约1A)、TLC336A(约3A)、BT136-500D(约6A),选择时注意触发电流小于25mA为宜。R1取10kW、2W的金属膜电阻,其他电阻用1/8W碳膜电阻便可,VD0用5.1V/1W的硅稳压二极管,红外线接收头用图2中的任意一个,用第1种或第2种时,C1选取220μF,非电解电容选择瓷片电容,其他元器件参数无特殊要求。图1中的火线、零线的接入位置要求是对触摸功能而言,利用遥控或按键控制5脚或6脚的电平来实现调光无此要求。
二、红外线遥控无级调速电路
1.手动调速电路
把图1中的灯泡改为小于100W的电风扇,在AC220V输入端并入470V的压敏电阻,也能对电风扇实施开关控制和调速控制,美中不足的是风扇叶高速旋转的惯性致使调压与调速存在一定的时间差,造成调速大小无法把握。在图3的电路中,风扇电机与受继电器开关控制的15W指示灯并联能解决这一问题。考虑到节能,不让指示灯长时间耗电,用两组转换触点的继电器控制调速(K1的闭合)的同时,还能通过K2的闭合而点亮灯泡,根据灯泡的亮度来把握速度的大致情况。K1断开,调光结束,速度锁定,K2也断开,灯光熄灭。调节时注意长按遥控键观察指示灯灯光是由强变弱还是由弱变强,若不能达到自己所需的速度,松开按键再按下,灯光便会朝着原来相反的方向变化,定能捕捉到你所需要的最大或较小的速度。点按遥控键,起开关作用;长按遥控键,起调速作用。图3中的Rv选择470V、100A的压敏电阻,以防电机产生的感应电压过大击穿双向晶闸管。R1取39kW、1W的金属膜电阻,C3为耐压400V的CBB聚丙烯电容,继电器选择“SONGLE”牌两组转换触点的12V直流继电器(接入电源有极性要求),触点参数为5A、240VAC、30VDC。继电器的触点K1、K2对电路的影响极小,无接入电阻,开关动作干净利落,又可对两部分的电路有效地隔离。电路中C2过小,继电器不能稳定吸合,可听到继电器触点吸合、释放循环跳变的声音;R2·C2过大,继电器长时间不能释放,电机出现连续调速现象。

2.自动调速电路
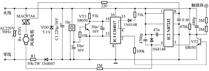
炎热的夏季,小孩晚上睡觉,吹一夜的风扇很容易感冒,应用图4的电路可在一定程度上解决上述问题。在天气多变的夜晚,小孩睡觉时吩咐其按下遥控器的任意按键,风扇风速便会由大变小再由小变大连续循环,达到自然风的效果,凉爽不伤身,驱蚊作用也不错。

电路主要由红外线接收头Ho构成的接收电路、十进制计数/分配器CD4017以及NB7232无级调光调速电路组成。风扇选择功率小于100W的台扇或吊扇。R1取10kW、2W的金属膜电阻,其他电阻用1/8W碳膜电阻便可,VD0用5.1V/1W的硅稳压二极管,红外线接收头用图2中的第1种或第2种,以便C1选取220μF/16V,体积较小,其他非电解电容取瓷片电容。
电路中利用遥控键按下约2秒后,IC1的14脚从0电平跳变到高电平时,IC1的2脚状态才改变一次。借助NB7232调光调速电路对双向晶闸管实施控制来改变风扇电机两端的交流电压,达到调速的目的。刚接通电源时,IC1的15脚复位端的电位为0,红外线接收头Ho的输出端为高电平,VT1饱和,14脚为0电平,2脚输出为0,VT2截止,调速电路不工作。当遥控键按下约2秒后,IC1的14脚跳变到5V左右的高电平,2脚输出高电平,VT2饱和,IC2的5脚接地,风扇进入连续调速的自然风状态。松开按键,虽14脚的电位变为0,但2脚状态保持高电平不变,连续调速的状态锁存。当遥控键再一次按下约2秒后,IC1的14脚又跳变到5V左右的高电平,2脚输出低电平,VT2截止,此时,风扇的速度锁定。注意在接通电源的情况下,不想使用风扇时,不能关断电源,只能将风扇电机两端的电压调到较低或最低(30V左右),使风扇不转便可。
电路设计的美中不足是不能实现关断。虽接通电源后,遥控键不按下,电路不工作,但一旦遥控键按下,电路开始工作后无法关断。不过,在晚上睡觉时不关断也符合实际情况的需要。平时要关断,将风扇电机两端的电压调到较低或最低致使风扇不转便可。
(文/段传正)