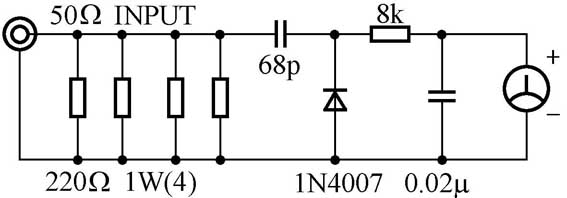
很多初学者到户外进行QRP TX技能实验时都要解决许多平时没有遇到的问题,问题中最多的是:明明所有元件都是工作的,但就是信号没有发出去。用什么办法帮助他们找到问题的原因呢?这需要一台RF功率表。RF功率表用于测量设备输出功率。下面这个简单的装置就可以测定他们的发报机到底向外发射了多大的功率。电路如附图所示,是由4个220W/1W的电阻并联成一个50W/4W的假负载,用来接收发报机的大部分功率,其他的元件构成功率检测电路。打开发报机,并用万用表的DC电压挡测量,再把所得到的电压值,代入如下的公式即可算出功率值:Power= V2/50。

该电路最高的测量值为5W,在这数值上二极管还可以正常工作。全部元件在安装时尽可能靠在一起,并用金属盒来屏蔽。为了减少误差最好用成品的DV表头来代替万用表。
(兰远告)