海尔彩屏彩智星Z1000型手机具有外放MP3的功能,使用者可以随时下载MP3到手机上,而且不用耳机就可以听MP3音乐,MP3音乐和录音内容可以设为手机铃声,本文将为您简单介绍与该功能有关的电路原理及维修方法。
相关电路原理
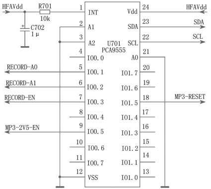
1.MP3录音通道控制电路
MP3录音通道控制电路由U701(PCA9555)控制芯片组成,电路如图1所示。PCA9555芯片采用24脚贴片式封装,其1脚为中断控制,第2脚、第3脚为地址线(该机接地),第4脚为输入/输出端口(该机未用),第5脚~第7脚为录音控制信号端,第8脚为输入/输出端口(该机未用),第9脚为MP3的2.5V电压控制,第10脚、第11脚为输入/输出端口(该机未用),第12脚为接地,第13脚~第17脚为输入/输出端口(该机未用),第18脚为MP3复位端,第19脚、第20脚为输入/输出端口(该机未用),第21脚为地址线,第22脚为时钟端,第23脚为数据端,第24脚为芯片供电正。

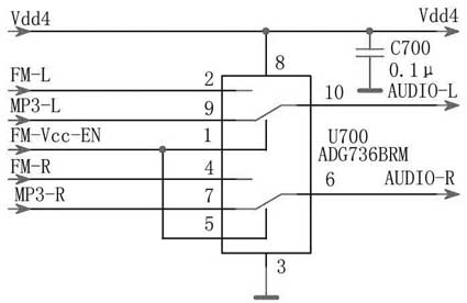
2.调频立体声接收、MP3放音通道选择电路
调频立体声接收、MP3放音通道选择电路由U700(ADG736BRM)电子开关芯片组成,电路如图2所示。通过FM-Vcc-EN控制信号实行调频立体声接收、MP3放音通道的转换。

3.MP3录音通道选择电路
MP3录音通道选择电路由U702(ADG704BRM)录音控制芯片组成,电路如图3所示。通过RECORD-A0、RECORD-A1、RECORD-EN录音控制信号,实行对MP3录音通道的选择。

典型故障实例
1.MP3既不能录音也不能放音
重点检查输入U1000芯片的MP3-1V8、MP3-2V5、MP3-3V3供电是否正常,如果异常,应检查相关的Q1003、Q1000 是否存在不良,C1033、C1032、C1022、C1029、C1031、C1025是否存在漏电。否则重焊或更换U1000芯片~U1002芯片。
2.MP3不能录音
重点检查U702录音芯片是否存在不良,C730耦合电容是否存在虚焊或不良,否则重焊或更换U1000芯片~U1002芯片。
关于海尔彩智星Z1000型手机全面详细的维修资料,读者可参考即将出版的2004年《无线电》合订本。
(文/周立云 胡月芬)