松下M17﹑M18﹑M19机芯彩电的派生机型很多,各机型的功能差异也很大。从电源电路来看,M17﹑M18机芯彩电的电源电路基本一致,除个别元件的编号和型号参数有区别外。M19机芯只是主电源电路与M17﹑M18机芯基本上相同,而电脑遥控电路﹑待机电路和保护电路与它们的差别较大。本文根据这三种机芯彩电的电源电路的同异特性,分析这三种电源电路的特点。这三种电源电路的共同特点如下:
①采用双电源供电电路,主电源(也称大功率供电电源)为行扫描电路﹑伴音电路和通道电路提供电源。电脑遥控和待机电源电路(也称副电源电路)主要为遥控电路和待机电路提供电源。
②主电源电路均采用的是STRM
系列他激式开关电源厚膜集成电路,内部均有大功率绝缘栅场效应管,其主要优点是开启和关断损耗小,可以工作在较高频率上,发热较低,而高频内阻较小。
③开关电源的初级为热底盘(带市电),次级(主板地线)不带市电,使用安全可靠。
④三种机型彩电电源电路均设有开机冲击电流限制电路,机内均没有总电源开关,插上电源插头后,机内遥控电源始终有电。下面我们从单元电路入手,对这三种电源电路做进一步地分析。
一、主电源电路
由于M17﹑M18﹑M19机芯彩电的主电源电路是基本一致的,所以本文以M19机芯彩电的主电源电路为例介绍其工作原理。
1.启动电路
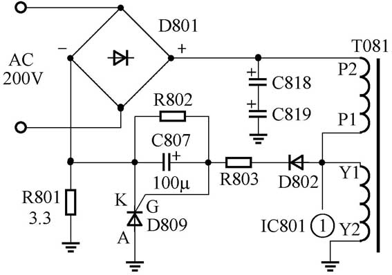
当电源继电器的RL801开关闭合时,市电220V经整流桥D801整流和电容C818﹑C819滤波产生300V左右的直流电压加至开关电源变压器T801的初级,作为主电源供电,见图1。为了防止开机时冲击电流过大,该电源加有开机冲击电流限制电路见图2。其工作原理如下:在开机瞬间,开关电源变压器T801的Y1-Y2绕组的电压为0V,D802截止,晶闸管(可控硅)D809的G﹑K 两极间电压为0V而截止。D801整流产生的大电流对电容充电,其电流路径是:AC220V→D801正极→大电容→地→R801的地端→R801的另一端→D801的负极,因为R801的阻值较大,为3.3W,因而可有效的限制开机电流。开机电源正常工作后,T801的Y1-Y2绕组上产生感应电压,对电容C807(100μF)充电,充电时间常数等于R803×C807=3.3(kW)×100(μF)=0.33(s),C807上的电压使晶闸管D809导通,这时整流电流不再经过R801,而经过D809的A﹑K极返回整流桥D801的负极,即在正常开机状态下,D809将R801短路,防止R801产生功耗,因此,R801仅在开机瞬间起作用。


开关电源厚膜集成块IC801的5脚为电源Vcc端。开机后,电源处于启动状态时(见图3),供电路径为:AC220V →D808→R804→R805→C811滤波,向IC801的5脚供电,D823为稳压管。开关电源进入正常工作后,开关变压器T801的Y1-Y2绕组的感应电压经D802和C811整流滤波,形成21.2V的稳定电压,给IC801的5脚供电。IC801的1﹑2脚内是绝缘栅大功率场效应管。其中1脚是场效应管的漏极D,2脚是场效应管的源极S。D极接在T801的初级绕组,S极经两个0.22W电阻(分别是R809﹑R810)到地。5脚内接有启动电路(START)和过压保护电路(OVP)。6脚内接振荡器(OSC),且振荡器的频率和方波宽度受6脚外电路的控制。控制6脚的电压就能控制开关管的导通时间,而达到稳压的目的。开关电源正常工作时,IC801的5脚电压应为21.2V。5脚电压低于15V时会停振;超过24V时内部电压保护电路会启动,也会使IC801停止工作。IC801的4脚内电路有两个功能:一是过流保护功能,当场效应管的源极电流流经R809∥R810,在上面产生压降,经R811﹑R812分压后加到4脚。当开关管电流过大时,R809∥R810上的压降升高,4脚电压超过4脚内的基准电压时,内部比较器输出高电平,切断开关管的驱动脉冲,使开关电源停止工作,不会因过流烧毁IC801;二是延迟导通功能。开关管由导通转变为截止后,T801初级绕组中储存的能量通过次级绕组向负载供电。T801中储存的能量释放完毕时,次级所接各整流二极管由导通变为截止。与此同时,电源厚膜集成电路内的场效应管的D极产生一个尖峰电压。若场效应管在此瞬间立即由截止转为导通则开启耗损较大。因此应延迟一段时间,待D极电压降低(波谷)时,再让场效应管开启导通。这将显著降低开关管(场效应管)的功率损耗,降低IC801的温度,提高开关电源的功率。开关管的导通延迟时间由D804﹑R807﹑C808﹑R812决定。开关管截止时,Y1为正,Y2为负。D804﹑R807向C808充电到高电压。开关变压器T801能量释放完毕时,Y1-Y2绕组上正脉冲电压消失,C808通过R812放电。当C808上电压下降到某一数值时,IC801的4脚电压低于4脚内1NH比较器的基准电压,使振荡器的输出变为高电平,经驱动电路加到开关管的G极(栅极),开关管由截止变为导通。适当选择C808﹑R812的数值,就可使开关管在D极电压最低时导通,减低开关管的开启耗损,提高开关电源的效率。
2.稳压电路
开关电源由D831﹑C833整流产生+140V电压,在供行扫描电路作电源的同时,向下加到输出电压取样放大电路IC802的1脚,误差电压从2脚输出(见图3)。当+140V电压升高时,IC802的2脚电压降低。光电耦合器D807内发光二极管发光变强,光敏三极管内阻变小,IC801的6脚电压升高,使开关管导通时间变短,使+140V电压稳定不变,反之则相反。当开关电源稳压失控时,会造成开关管过流或Y1-Y2绕组上电压过高,经C815﹑R813加到IC801的7脚,使内部比较器输出高电平,关断开关管的驱动电路,使开关电源停止工作,避免开关管损坏。同时在IC801的内部还设有温度过高保护电路(TSD)。当IC801因功耗过大,温度超过145℃时,TSD电路工作,开关电源停止工作。
除了主电源电路基本相同之外,在电脑供电﹑待机电路和电源保护电路上,M17和M18两种机芯的差别不大,但M19机芯的这部分电路有较大差别。特别是M19机芯的电源保护电路部分比前两种更复杂完善,且多为双重保护。当机器出现异常时,保护电路会可靠工作,不会使故障扩大。
3. 遥控电源电路
这是一种小功率开关电源,见图4。只要电视机电源插头一插入市电插座,该开关电源就开始工作,不受电视机面板上电源开关的控制。其中D873是压敏电阻,当市电过高时,其电阻值变小,直至把保险丝管F801烧断,使故障不致扩大。R881为限流电阻,D883和C887构成半波整流电路。IC881(MIP0210 SYI TV)和T881构成简单的开关电源电路。通电后开关电源工作,由D890﹑C891整流滤波产生9V电压,一方面供给5V稳压电源块,向CPU供电。另一方面经R892加到D891﹑D892,当9V电压升高时,D891﹑D892中电流增大,光电耦合器D884中发光二极管电流变大,光敏三极管内阻变小,T881的T2-T1绕组上电压经D883﹑C887整流滤波,为D884内光敏管供电,光敏管内阻变小时,其e极电流变大,经R884加到IC881的控制脚1,使IC881导通时间变短,维持次级输出的+9V电压稳定不变。
二、待机控制与保护电路
(一)M19机芯的待机电路和保护电路
1. 待机电路
正常开机时CPU的33脚为+5V(见图5),经R857﹑R856﹑R854加到Q852的b极,Q852导通,继电器RL801闭合,市电220V加至主开关电源,给全机行﹑场扫描电路供电。关机时CPU的33脚为0V,Q852截止,RL801断开,全机处于待机状态。
2. 电源保护电路
(1)市电整流电路异常的保护
当主开关电源的市电正常时,C818﹑C819的中间电压应为整流电压的一半。即当市电为220V时,C818正极电压为+270V,C819的正极(C818的负极)为+135V,厚膜块IC801的5脚应为21.2V。Q805的e极接在21.2V上,b极经R837和D827接135V,此时Q805截止,不影响电路正常工作。当C819击穿等原因造成C819正极为0V时,D827﹑Q805导通。Q805的c极输出为高电压,分两路:一路加至Q803的b极,使Q803导通,使IC801的5脚21.2V高电压经Q803﹑D822﹑R846引到IC801的4脚,使IC801停振。第二路直接加到稳压保护管D821的负极,D821击穿导通,经R843加到光电耦合器D819使之导通,这时Q852的b极变为0V,Q852截止,RL801断开,市电被切断。当整流输出电压过高时,C819的正极电压也会升高,经R817﹑R818分压后,击穿D820,引起Q803导通,IC801停振。同时D821和D819导通,也会引起Q852截止,RL801断开,从而切断市电。
(2)行过压保护
行输出管Q552的c极有逆程电容C555﹑C567。行输出级正常时,两电容分压的逆程脉冲幅度低,D554截止,不影响电路正常工作。但当+140V行电源电压过高时或其他原因引起行逆程脉冲幅度升高时,有可能击穿行管。此时C555﹑C567上分得的电压也升高,并使D554击穿导通,经R567﹑D553加到CPU的6脚,引起保护关机。同时经R865→R859→D859→Q856的b极,使Q856导通,Q852截止,RL801释放,主开关电源断电。
(3)+12V﹑+25V电源的欠压保护
三极管Q861的e极接+8V电压,D861的负极接+25V电压,D863的负极接+12V电源。正常工作时,两个二极管截止,Q861也截止,不影响电路的正常工作。但当+25V或+12V降低或为0V时,D861﹑D863将导通,Q861随之导通,c极输出高电压,经R864﹑D862加到CPU的6脚,引起CPU保护关机。同时还经R865﹑R859﹑D859加到Q856的b极,引起Q856导通,Q852截止,RL801释放,主开关电源断电。
(4)X射线保护
当行输出级脉冲电压过高时,行输出变压器T501的5脚输出的显像管的灯丝电压也过高,经D565﹑C572整流滤波及R569﹑R568分压,使D566击穿导通,引起Q858导通,Q852截止,RL801断开,市电被切断,主开关电源停止工作。
(5)行过流保护
行过流时,R557(0.22W)上的压降升高,引起Q590导通,D591击穿导通,Q856导通,Q852截止,主开关电源断电。
(6)场过流保护
当场输出电流过大或C454击穿漏电时,R454上电压过高,Q856导通,Q852截止,主开关电源断电。
(7)+140V过压保护
当+140V电压异常升高时,R831上分压增大,D832击穿导通,Q856导通,Q852截止,主开关电源也断电。
由以上分析可见,松下M19机芯彩电副电源较为简单,但保护电路却极为复杂而且完善,有的还是双保护,因而当出现故障时,不致大面积损坏元件。
(二)M17和M18机芯的待机电路和保护电路
与M19机芯相比,M17和M18机芯彩电的保护电路要简单得多。下面以M18机芯为例进行分析,具体电路如图6所示。
1. 待机电源电路
市电220V经小型变压器T802变压后,经D851~D854桥式整流,C850滤波,经Q850﹑Q851﹑D856、D858稳压后,输出10.6V电压,作为整机待机电源。插上电源,该电压经S1008﹑R1085﹑R1086点亮LED(D1004),发橙光。按下电源开关S1008,主电源12V经D1006﹑R1080加到D1004,绿色LED被点亮,同时,Q1003由于高电平而饱和,D1004中的红色LED熄灭。遥控关机后,CPU的33脚输出低电平,Q852截止,RL801释放,主开关电源断电,Q1003截止,待命电源经R1081提供给D1004,红色LED被点亮。
2. 保护电路
R809﹑R810为过流检测电阻(M19机芯也有),当负载电流正常时,R809﹑R810由于阻值很小(0.22W),压降几乎为0V,不影响电路正常工作。一旦负载加重,其压降通过R811加到IC801的4脚,使主电源停止工作。当输出电压过高时,IC801的5脚电压升高,IC801内的过压保护电路OVP动作,电路停振。R801为瞬时电流限制电阻(M19机芯也有),作用同M19机芯一样,不重复介绍。如果由于某种原因使市电整流的+300V电压过高时,C819两端电压升高,经R817和R818分压,使D820击穿导通,Q803导通,这时+16.5V电压加到IC801的4脚,为高电压,IC801停振。与此同时,高电压一旦超过D820﹑D821的稳定值,光电耦合器D819导通,Q852截止,继电器RL801释放,切断主电源的供电电路。当+140V输出过高时,经R830﹑R831分压后的电压将超过D832的稳压值,D832导通,Q856导通,Q852截止,RL801释放,切断主电源的供电电路。当行扫描逆程脉冲电压过高时,经C555和C567分压﹑C567上电压升高,经R564﹑R565分压后的电压击穿D554,CPU的33脚输出低电平,Q852截止,RL801释放切断电源供电回路。
由以上分析可知,M19机芯的副电源电路用的集成电路较多,且保护电路十分复杂,维修难度较大,而M17﹑M18机芯的副电源用的多是分立元件。它的保护电路与M19机芯相比是要简单得多了。从维修角度来说,检修难度相比较而言是要简单一些了。
(文/杨位顺 刘大为)