TEA2261沙巴电源系统保护电路
由TEA2261组成的开关电源,为欧洲风格的沙巴电源,属于它激式并联型开关电源。在国产和进口彩电中得到广泛的应用,如:熊猫C64P1、C74P1、2528、2929,乐华MC-15A,雷霆MC-15A,康艺MC-15AA,牡丹64C1,长虹CN-5机芯的N2516、N2918等彩电的开关电源均采用了TEA2261。本文以熊猫2528为例,介绍TEA2261沙巴电源系统保护电路的原理与维修。其他采用TEA2261的电源系统保护电路,均可参照此文检修。
一、开关电源工作原理
该机电源主要由初级的TEA2261和次级的稳压、待机、保护电路构成。TEA2261内部包含软启动电路、振荡电路、脉冲发生电路、逻辑电路、去磁检测电路、双极功率驱动电路等开关电源基本电路,还设有完善的过流限制、过载检测、过压、欠压保护电路。TEA2261各脚功能和参数见表3。

1.主电源电路
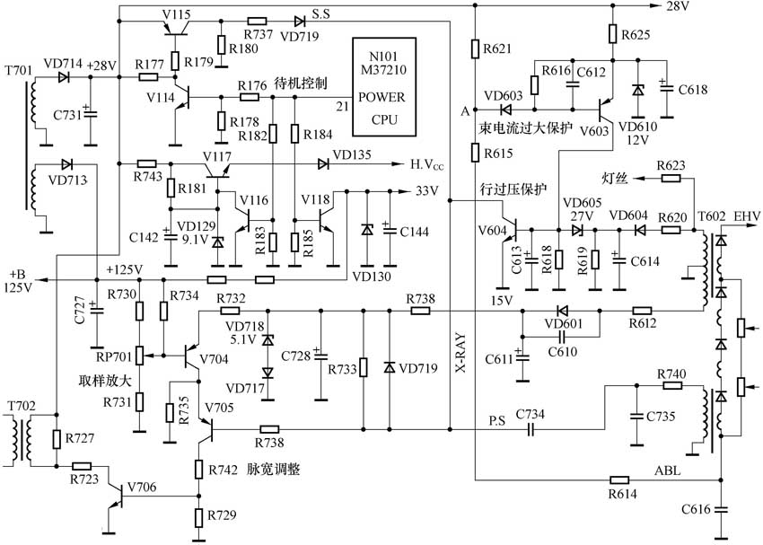
该机的电源系统初级振荡与保护电路见图5,次级稳压与保护电路见图6。市电整流滤波后在电容C707上形成约300V的电压,此电压一路经开关变压器T701的初级2-7绕组加到开关管V701的集电极;另一路经R703降压、全桥中的VD701半波整流、C713、C712滤波向TEA2261的16、15脚提供10.5V左右的工作电压。TEA2261的内部振荡电路启动工作,振荡频率由TEA2261的10脚外接振荡定时电容C714和11脚外接的振荡定时电阻R716决定。TEA2261的9脚外接软启动电容C715,其作用是使14脚输出的开关脉冲占空比逐渐增大。该脉冲经C716耦合、VD708~VD710电平降低后送到开关管V701的基极,开关管工作在开关状态,在开关变压器T701各绕组产生感应电压,经各自的整流滤波电路输出。其中9-10绕组的感应电压经VD706整流、C713滤波产生的12V电压,替换下启动电路为TEA2261的16、15脚供电。

2.稳压电路
TEA2261开机时以脉冲调宽方式调整输出电压,14脚输出的激励脉冲受2脚输入的脉冲宽度控制,且与其成正比。输入到TEA2261的2脚的脉冲宽度变宽,V701导通时间延长,电源输出电压升高;输入到TEA2261的2脚的脉冲宽度变窄,V701导通时间缩短,电源输出电压降低。
稳压电路由误差放大管V704、脉宽调整管V705、脉冲放大管V706和耦合变压器T702组成(见图2)。调宽脉冲取自行输出变压器T602行逆程脉冲,经R740、C735组成的积分电路形成行频锯齿波,再经C734、R738送到V705的基极,经V705、V706放大后,经变压器T702耦合,将调宽脉冲送到TEA2261的2脚。V704为误差放大管,控制V705的放大状态,达到脉冲调宽的目的。行脉冲经VD601、C611整流滤波后的15V电压,通过R738和稳压管VD718为V704的发射极提供5.8V稳定的基准电压,而V704的基极与R730、RP701、R731 取样电路连接,V704的导通程度受取样电路的控制。+B电压升高时,V704的基极电压也升高,其导通程度下降,V705发射极电压下降,放大倍数下降,集电极输出的脉冲宽度变窄,输入到TEA2261 的2脚后,控制14脚的激励脉冲宽度也变窄,输出电压降下来;反之+B电压下降时,V704导通程度增强,V705集电极输出的脉冲变宽,输入到TEA2261 的2脚后,控制14脚的激励脉冲变宽,输出电压升上来。调整取样电路的RP701可改变V704的导通程度,达到调整开关电源输出电压的目的。
3.待机控制电路
该机的待机控制电路较复杂,微处理器N101(M37210)的开关机控制端21脚对三个电压进行控制:一是通过R182、V116、V117控制行振荡电源电压;二是通过R184、V118控制33V调谐电压;三是通过R176、V114、V115控制脉冲调宽电压。待机时微处理器的开关机控制端21脚变为高电平,V116导通,将V117基极电压短路而截止,切断行振荡电源,行扫描电路停止工作。V118导通将33V调谐电压短路。V114导通集电极为低电平,V115也导通,集电极输出高电平。该电平通过R737、VD719加到V705基极,使V705截止。稳压脉宽调整电路无脉冲注入到TEA2261的2脚,TEA2261依靠自身振荡工作于间歇振荡状态。由6脚内部的误差放大电路对T701的9-10反馈绕组经VD712、C723整流滤波后的电压进行检测和稳压,维持开关电源输出电压基本不变,但其带负载能力大大下降,工作于轻载状态。
另外,该机还辅助设立了V703振荡频率控制电路和V702待机截止控制电路。V703的基极与TEA2261的6脚相连接。刚开机时,开关变压器9-10 绕组的感应电压经VD712整流对C723充电后,输入到TEA2261的6脚,电压较低,V703截止,TEA2261的振荡频率由10脚、11脚外接的C714、R716决定。当C723上的电压充足后,TEA2261的6脚电压升高,V703饱和导通,将R719与R716并联,使TEA2261的振荡频率上升,进入正常状态。V702的基极与TEA2261的软启动控制端9脚相连接,开机状态时9脚的电压低于1.0V,V702截止;待机时9脚电压高于1.5V,V702导通,向3脚送入高电平,使开关管提前截止,进入待机轻载状态。
二、保护电路的构成
该电源不但具有TEA2261内部的保护功能,还利用次级的脉宽调整电路设计了行输出过压保护、束电流过大保护。其保护电路分两部分:一是以TEA2261为核心的初级保护电路;二是以脉宽调整电路为核心的次级保护电路。
1.以TEA2261为核心的初级保护电路
(1)过流保护 TEA2261的3脚是过流检测输入端,对开关管V701的发射极电阻R708上的电压降进行检测。当开关管出现过流时,流过R708时产生的电压降增加,通过R741、R722分压加到TEA2261的3脚。当3脚电压大于0.6V时,TEA2261内部的逻辑处理电路使14脚输出的开关脉冲占空比减小,以限制开关管V701的过流。若3脚的电压超过第一个阈值0.9V,则TEA2261内部逻辑处理电路阻断14脚输出的开关脉冲,达到过流保护的目的。
(2)过压、失压保护 TEA2261的16脚不但是低压电源供给端,也是保护检测端,其内部设有过压、欠压保护电路。当16脚电压超过15.7V时,内部过压检测电路输出控制信号到逻辑处理电路,切断14脚的激励脉冲。当16脚电压低于7.4V时,内部欠压检测电路输出控制信号到逻辑处理电路,也切断14脚的激励脉冲。
(3)重复过载保护 当TEA2261的3脚电压大于第一个阈值0.9V时,过流保护电路向8脚外接的电容器C719充电,14脚的驱动脉冲被切断,但在下一个振荡周期即可恢复输出。当充入C719上的电压高于第二个阈值2.55V时,TEA2261将彻底切断14脚的激励脉冲输出。这种保护方式为“重复过载保护”。如果C719所充电压达到第二个阈值之前,过流保护消失,则C719将放电,开关电源恢复工作。
2.以脉宽调整电路为核心的次级保护电路
该电源的TEA2261设计为脉宽调整稳压状态,当TEA2261的2脚失去调整脉冲时,电源的带负载能力将大大下降,输出电压就会降低。该机巧妙地利用了该电源的这一特点,设计了保护电路。
(1)行输出过压保护电路 此电路由取样电路V604和稳压管VD605组成。对行输出变压器的灯丝电压进行检测。行输出电压正常时,灯丝电压经VD604、C614整流滤波后的直流电压低于VD605的稳压值27V,VD605和V604截止,对脉冲调整电路不产生影响。当行输出脉冲幅度过高时,灯丝电压经VD604、C614整流滤波后的直流电压也升高。当超过27V时,将VD605击穿,V604获正电而饱和导通,将脉宽调整电路V705基极的行逆程脉冲对地短路,同时V705、V706也进入饱和状态,TEA2261的2脚失去调整脉冲,带负载能力下降,输出电压就会降低,达到保护的目的。
(2)束电流过大保护电路 此电路由V603及其外围电路构成,通过VD603对ABL电路R621、R615相接的A点电压进行检测。28V电压经R625降压、C618滤波、VD610稳压向V603的发射极提供稳定的12V电压。当显像管亮度正常时,束电流在R621上的电压降较小,A点电压高于12V,V603截止。当显像管亮度过大、束电流过大时,束电流在R621上的电压降增大。当A点电压降到低于12V时,V603导通,集电极输出的高电平加到V604的基极,V604饱和导通,将脉宽调整电路V705基极的行逆程脉冲对地短路,TEA2261的2脚失去调整脉冲,输出电压降低,达到保护的目的。
三、保护电路的检修
1.观察故障现象,配合电压测量确定故障部位
由于以TEA2261为核心的初级保护电路在执行保护时,都是切断TEA2261的14脚激励脉冲,此时开关电源无电压输出。以脉宽调整电路为核心的次级保护电路在执行保护时,切断TEA2261的2脚调宽脉冲,使带负载能力下降。如果行扫描电路仍然维持工作,则会造成开关电源输出电压下降。检修时,可根据指示灯的变化和测量开关电源输出电压,判断故障范围。
(1)指示灯始终不亮,开关电源无电压输出 这是开关电源未进入工作状态,故障在以TEA2261为核心的开关电源电路。常见为保险丝管熔断、市电整流滤波电路故障、16脚外围的启动电路故障、TEA2261内部损坏等。
(2)指示灯亮后熄灭,开关电源输出电压上升后降到0V 这是以TEA2261为核心的初级保护电路执行保护所致。常见为开关电源负载电路、整流滤波电路短路、漏电,稳压电路发生故障引起电源输出电压过高,TEA2261的3脚过流取样电阻R708阻值增大引起误保护等。
(3)指示灯亮而不灭,开关电源输出电压接近正常值,但三无 如果V117无行振荡电源电压输出,未进入开机状态,则故障在以微处理器为核心的待机控制电路。如果V117有行振荡电源电压输出,但整机仍然三无,则故障在行扫描电路中。
(4)指示灯亮而不灭,开关电源输出电压下降开机后有高压建立的声音,输出电压下降 造成此故障的原因:一是以脉宽调整电路为核心的次级保护电路执行保护,切断了TEA2261的调宽脉冲,TEA2261处于自由振荡状态,带负载能力下降,输出电压降低;二是行输出电路发生短路、漏电故障,电流过大,引起输出电压下降,但还未达到TEA2261过流保护的程度。
2.解除保护,确定故障范围
由于以TEA2261为核心的初级保护电路大多在集成电路内部,无法解除保护,只能对以脉宽调整电路为核心的次级保护电路采取解除保护的方法。具体解除保护的方法是:
(1)解除束电流过大保护方法有二:一是将检测管V603的基极与发射极短路;二是切断V603集电极与V604基极之间的连接。
(2)解除行输出过压保护方法是拆出稳压二极管VD605,断开灯丝电压与检测电路V604基极的连接。
解除保护后,开机测量开关电源各路输出电压,观察故障现象。如果输出电压正常,电视机声光图恢复正常,则是断开的故障检测、保护执行电路元件变质,引起的误保护。如果电视机存在光栅、图像、伴音故障,则是与其相关的电路引起的保护,重点检测相关的功能电路。
3.故障实例
例1:
开机三无,红色指示灯亮后即灭。
分析与检修:
红色指示灯先亮,然后熄灭,说明开机瞬间开关电源已进入工作状态,然后退出工作状态,判断是开关电源TEA2261进入保护状态。查开关电源开机的瞬间有电压输出,然后降为0V。测量可能造成TEA2261过流的负载电路,对地电阻均正常,检查脉冲调宽稳压电路元件,也未见异常。最后重点检测TEA2261各脚电压和对地电阻,发现3脚开机后的电压达到0.7V,高于正常值,随后电源进入保护状态。检查与3脚电压有关的开关管V701发射极电阻R708,发现阻值由正常时的0.15W增大到2.2W,造成TEA2261的3脚电压升高,引起误保护。更换R708后,故障排除。
例2:
有时开机图像和伴音正常,有时三无,红色指示灯亮后即灭。
分析与检修:
能开机时,虽然有图像和伴音,但光栅明显偏大,测量开关电源输出电压偏高,由正常时的125V升高到135V左右,调整取样电路的RP701后,输出电压恢复正常,未再出现三无故障,但收看半年后,故障再次出现,此时RP701已调到尽头。发生三无故障时,电源输出电压降到0V,判断是稳压电路故障引起的TEA2261过压保护,对可能造成过压保护的取样电路、脉冲调宽电路进行检测,发现取样电路的上偏流电阻R730阻值增大,由正常时的71.5kW增大到90kW左右,且不稳定。造成取样放大管V704导通程度增加,V705导通时间延长,输入到TEA2261的脉冲宽度增加,开关电源输出电压增高,迫使TEA2261进入过压保护状态。更换R730后,输出电压恢复正常,光栅过大的故障也同时消失,未再发生保护故障。
例3:
收看中有时突然发生光栅缩小,图像暗淡现象,红色指示灯亮。
分析与检修:
停机时测量开关电源输出电压降到70V左右,测量稳压电路V704、V705各极电压均偏低,用示波器观察T702无调宽脉冲。引起脉冲信号消失,一是脉冲调宽电路故障,二是次级保护电路进入保护状态。测量保护电路的V604的基极电压,为0.7V,说明已进入保护状态,对保护电路元件进行检测,未见异常,采用解除保护的方法,先断开束电流过大保护电路V603集电极与V604基极的连接,开机仍然保护,判断故障在行输出过压保护电路中。当断开稳压管VD605后,开机不再保护,且声光图均正常,测量电源和行输出电压也未见异常,判断是保护电路元件变质引起的误保护,而引起误保护的关键部件是稳压管VD605,拆下VD605测量,有漏电现象,其稳压值已降到20V左右,且不稳定。用27V稳压管更换VD605后,故障排除。
例4:
指示灯亮,但光栅缩小且抖动。
分析与检修:
停机时测量开关电源输出的+B电压为102V左右,检查行输出电路电流为500mA,在正常范围内,说明开关电源输出电压降低不是负载较重引起的。检查稳压脉宽调整电路电压均偏低,用示波器观察V705基极,无行逆程脉冲波形。向前检查行逆程脉冲输入电路,发现积分电路的C735击穿,将行逆程脉冲对地短路,引起TEA2261无激励脉冲输入,造成开关电源工作于轻载状态,带负载能力下降,引起电源输出电压降低。更换C735后,故障排除。
由于篇幅所限,本文只介绍两种电源系统保护电路的检修。从上述介绍中不难看出,由分立元件构成的开关电源保护电路比较简单,由厚膜电路或集成电路构成的开关电源保护电路,大多设在厚膜电路或集成电路内部,检修时往往无从下手,只能通过对引起过流、过压保护电路的外部取样电路、稳压电路、负载电路进行检测,方能排除保护故障。而开关电源次级的保护电路,与本文介绍的分立元件保护电路类似,可参照该文维修。
编后话:有关彩电保护电路的探讨到此结束了,笔者想通过上述五种保护电路的介绍,为读者维修彩电保护电路故障提供参考和启迪。
(文/孙德印 孙铁刚)