二、开/关状态的参数选择
晶体管工作于开/关状态取决于电路结构、参数以及输入信号的幅度。
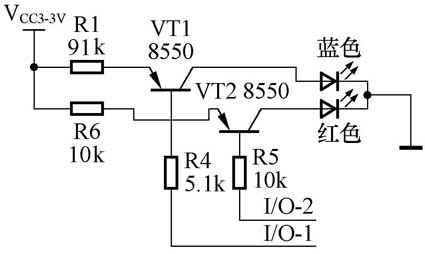
图6是某公司便携式VCD机F19的线控器LED背光灯原理简图(按键扫描、LCD显示等电路从略),其中I/O_1和I/O_2是线控器上绑定芯片GR2003的两个输出控制端。

LED背光灯颜色转换是靠软件控制实现的。GR2003通过IC—SDA、SCL端与主板MCU、SPCA716通信。无论是在主机上或是线控器上,一旦有按键短接,SPCA716就会发出指令通知GR2003从I/O_1和I/O_2输出信号控制VT1、VT2开/关,从而实现LED背光灯颜色转换。I/O_1=I/O_2=“1”时,VT1、VT2截止,I/O_1=I/O_2=“0”时,VT1、VT2饱和导通。由于蓝、红灯的正常工作压降不同(红灯比蓝灯压降大),所以,限流电阻R1和R6也不一样,但是灯亮时,回路的电流差不多相同,约十几毫安。
图7是笔者设计的LED渐亮渐灭电路。

工作原理(注:无虚线框内部分):按任意键(电路未画出),GR2003从I/O输出“低电平”,C1通过R3放电,电压下降。同时,V\(_{CC3}\).3V经R1、VT1的发射结、R2又对C1充电,并且充电电流从小到大,直到稳定状态——通过R2流进C1的电流与通过R3流进C1的电流相等。这个过程中,三极管基极电流从无到有、从小到大,三极管从截止→放大→饱和导通,因此,我们能看到LED背光灯逐渐点亮的全过程(稳定时电容C1维持某一定电压)。1~2秒种后,I/O口恢复“高电平”,这时I/O口和VCC3.3V分别经各自的支路对C1充电。可以想象:VCC3.3V经R1、VT1的发射结、R2对C1充电电流将会从大到小、从有到无,三极管从饱和导通→放大→截止,因此,我们又会看到LED背光灯逐渐熄灭的全过程。计算分析如下:
设V\(_{CC3}\).3V=3.2V,I/O=“0”时,三极管饱和导通,R1两端压降V\(_{R1}\)=0.12V,于是,V\(_{C1}\)=(V\(_{CC3}\).3V-V\(_{R1}\)-V\(_{EB}\))×R3/(R2+R3),I\(_{B}\)=(V\(_{CC3}\).3V-V\(_{R1}\)-V\(_{EB}\))/(R2+R3)。设三极管发射结压降V\(_{EB}\)=0.7V,代入数据,得V\(_{C1}\)≈1.59V,I\(_{B}\)≈79μA。由于I\(_{B}\)较小,若要三极管饱和导通,一定要选择β值较大的!
另外,如果电路中再加上虚线框中的部分,按任意键I/O=“0”,电容经低阻通路R4、VD1快速放电,三极管在很短时间内从截止经放大状态过渡到饱和,LED给人以立即就点亮的感觉。稳定后C1的电压约为0.8V,所以,3秒种后,I/O口再次恢复为“高电平”,电容充电到VCC3.3V所需时间更长,因此,LED背光渐灭过程持续时间比以前更长。
三、放大状态和开/关状态的转化
图8是某公司便携式VCD机P_V\(_{DD}\)转换成2.5V的电路原理图,V\(_{CC2}\).5V是SPCA716内部解码的电压。插入外接电源时,电池BATT的负极(连CN1的2脚)被弹起,电池开路,所以,外接电源P_V\(_{DD}\)对系统供电。机器启动后经DC-DC变换器(具体电路未画出)输出3.2V主电压,其中一路经R1输入到三极管VT1基极,根据前面类似的分析过程,β值很大时,基极电流较小,因此,它基本上等于主电压,发射极输出电压约2.5V,所以,VT1工作于放大状态——发射结正偏、集电结反偏。

不插外接电源,电池BATT的负极通过CN1接“地”,电池形成回路对系统供电。若电池电压为2.5V,那么,V\(_{CC2}\).5V约为2.3V!为什么?因为三极管饱和导通时V\(_{CE}\)≈0.2V,系统若要正常工作,VT1输出电压必定要下降。
再来看基极,当VCC2.5V=2.3V时,基极电压约为3.0V(正常工作时,发射结压降约为0.7V),因此,流经R1的电流(基极电流)约为4.3mA,假设三极管β=100,那么,4.3mA的基极电流放大后足以使发射极输出430mA,实际上,此时,发射极只有65mA左右的电流输出,因此,基极、射极电流不再维持线性关系,所以,三极管工作于饱和状态——发射结正偏、集电结也正偏。
若电池电压为2.2V,那么,VCC2.5V将约为2.0V。同理可以计算出:流经R1的电流(基极电流)约为10.6mA,此时,三极管深度饱和。
(葛中海)