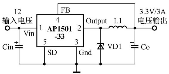
高效3A开关稳压器AP1501
AP1501是台湾ANACHIP(易亨半导体)公司生产的3A开关稳压器。
特点:
AP1501有3.3V、5V和12V三种固定电压及可调多种输出形式,型号后缀的数字表示输出电压值:AP1501-33的稳压值为3.3V,AP1501-50的稳压值为5V,AP1501-12的稳压值为12V,AP1501-ADJ为可调输出。AP1501有TO220-5L(后缀名为T5)、TO220-5L(R) (后缀名为T5R)和TO263-5L(后缀名为K5)三种封装形式。
应用范围:
AP1501特别适合车载DVD、车载音响、LCD/LCM等需要大电流供电的电子产品使用。AP1501可以直接替换LM2576、LM2596。
编者注:
AP1501的详细资料见http://www.anachip.com。
高压EL灯驱动器SP4403
SP4403是Sipex公司生产的一款高压EL灯驱动器。其输入电压为直流1.8~6V,输出为交流高压,专用于驱动LCD、便携式数字处理器等背光照明高压EL灯驱动电路。
特点:
SP4403可提供160Vp-p以上的电源电压,特别适用于驱动冷光片灯。它仅需外接一个470μH的电感来产生高压,外接一个电阻就可以调节振荡器的频率,停机状态的电流小于110nA。SP4403内部包括一个DC/AC变换器,它可以产生最高约220Vp-p的交流输出电压驱动需要高压供电的EL灯管。SP4403有8引脚μSOIC和SOP-8两种封装形式。
应用范围:
SP4403可广泛应用在PDA、寻呼机、手机及其他需在光线较弱的场合使用且采用LCD屏幕的手持式小功率的便携式产品中。
编者注:
SP4403的详细资料见http://www.sipex.com。
高速3V放大器OPA360
OPA360是德州仪器公司推出的小型SC70封装的高速3V放大器。它的增益为6dB,具有双极点数模转换器(DAC)重建滤波器和关断功能。
特点:
OPA360可与视频处理器(这些处理器包括TI 的数字媒体处理器)中的嵌入式双极点数模转换器(DAC)兼容。OPA360允许嵌入式视频DAC电路与其进行直流(DC)耦合。
OPA360内部的DAC重组过滤器电路可以有效去除带外(5MHz)的采样伪迹。在关断模式下,静态电流可低于5μA,能够大幅降低功耗并进一步延长电池使用寿命。
应用范围:
OPA360采用2mm×2.1mm的SC70-6 封装,很适合应用在3V供电的数码相机、照相手机、机顶盒和视频游戏等便携式产品的视频分量输出电路中。
编者注:
OPA360的详细资料见http://focus.ti.com/lit/ds/symlink/opa360.pdf。
大功率立体声D类功放驱动电路IR2011S
IR2011S是IR公司推出的高速栅驱动器集成电路,是专为100~1000W的D类音频功放电路而设计的驱动电路。
特点:
IR2011S内部有完善的保护电路(包括过压和过电流保护),还有输出直流电压保护电路,能避免输出端的直流电压损坏扬声器。
IR2011S为额定200V、低侧MOSFET驱动集成电路,采用8引脚DIP或SO-8封装,最高额定环境温度为125℃,比额定值仅为85℃的同类器件更胜一筹。
应用范围:
IR2011S适用于输出功率大于100W的各种音频功率放大器中。IR公司采用IR2011S设计的一款D类音频放大器专用功率厚膜电路,型号为IRAUDAMP1,IRAUDAMP1是一个完整的模拟输入D类音频功率放大器电路,在负载阻抗为4W时的峰值输出功率为500W+500W(在1kHz/100W/4W下THD+N=0.008%,在350W/1kHz/4W下效率高达93%),工作电源的电压范围为±(25~60)V。
编者注:
IR2011S的详细资料见http://www.irf.com/technical-info/refdesigns/iraudamp1.pdf。

