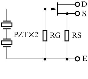
热释电红外传感器是一种能检测人体发射的红外线并转换成输出电信号的传感器,利用它可组成防入侵报警器或各种自动化节能装置。其中敏感元件的输出电压极其微弱,而输出阻抗极高,故在传感器内部由偏置厚膜电阻(RS)及场效应管构成变换阻抗及放大信号电路,如图1所示。热释电红外传感器在配用菲涅尔透镜后,灵敏度大幅提高,检测距离可由2m增加到12m左右,目前正广泛运用于自动照明、电动门、自动消防水龙头等领域。

实际电路分析及改进
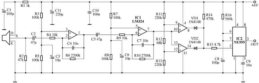
1.高低通放大器
原传感器由高低通放大器、电压比较器、控制电路组成,见图2,其中IC1由廉价的通用四运放LM324构成,用其中两个运放组成高、低通放大器。按图2所示参数计算,总放大增益为第一级与第二级放大器增益之积。即Av=Av1×Av2=(R6/R4)×(R10/R9)=59400合95.5dB。
因为放大倍数过大容易引起运放电路的输出波形失真且产生自激振荡,所以取R6为200kW,将R10改为1MW,使Av=2000合66dB,比较符合实际应用,能保证电路可靠工作。
2.电压比较器
LM324另外两个运放组成电压比较检测窗口,用R3、R5、R7、R8将高、低通放大器的3、5脚均置为3V,即1/2VCC。当人体发射的红外线被传感器检测到时,传感器产生的微弱电压信号经过放大,传送到LM324的10、13脚时,可测量出幅值为5V的正弦波,因此无论输入信号是正半周还是负半周,两个比较器中必有一个输出为低电平,使IC2的2脚由高电平跳成低电平,以便控制延时电路工作。
当人体发射的红外线没有被传感器检测到时,由静态电路可知,R11、R12、R13将窗口电压上、下限分别设为3.4V和2.6V,即9脚偏置为3.4V,12脚偏置为2.6V,同时3V直流信号加到LM324的10、13脚。此时,电压比较器输出端8、14脚均为低电平;而IC2的2脚原来经R14上拉电阻设置为高电平,则VD1、VD2都导通,将IC2的2脚钳位成低电平。在图2中NE555为单稳态触发器,2脚一旦经下降沿脉冲触发,定时器就工作,3脚就输出高电平。但由于人体红外线并没有被传感器检测到,为何会最终输出高电平进而驱动继电器等后级电路单元一直工作呢?显然该电路处于非正常工作状态。

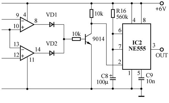
对电压比较器以后的部分进行了修改,电路如图3所示。将两二极管倒向,在其后加一开关三极管,用以控制延时电路。当人体红外线被检测到时,若信号位于负半周,上、下比较器输出电平恰相等,即8脚输出低电平,14脚输出高电平,VD2导通;若信号位于正半周,13脚电平高于12脚所加的2.6V比较电压,下比较器由14脚输出低电平,VD2截止;此时因9脚电平低于10脚,上比较器输出高电平,VD1导通,其高电平使得开关管饱和导通,将IC2的2脚拉成低电平,致使延时电路工作。可见,只要人体红外线被检测到,无论信号位于正、负半周,两比较器中必有一个输出为高电平,通过开关三极管控制延时电路工作。
3.控制电路
如图3所示,在比较器后加一个开关三极管,整个电路处于可靠工作状态,输出电流大,能驱动执行电路工作。

选用NE555单脉冲触发器作为延时电路IC2(延时时间t=1.1R16×C8≈60s),主要有两个作用:一是在自己进入检测区后提供一个关掉检测器的时间;二是为自己离开检测区提供一段非报警延时时间。延时电路工作时将使继电器吸合,进而控制更大的继电器接通小电动机、电磁阀等工控系统执行电路。
IC2的2脚在无触发时保持高电平,当有检测信号时,出现下降沿,使NE555的3脚输出高电平控制信号,可驱动电磁继电器、模拟电子开关、光耦合器等工作。以自动报警系统为例,设计的执行电路见图4。OUT输出高电平时其后三极管饱和导通,射极转为高电平。继电器工作,开关闭合,报警器响起。当然如果要用于自动门、电动电梯等,后面还要接电动机。
热释电红外传感器在日常工作生活中被广泛运用,如与各型专用集成电路(如CS9803GP)配套使用,则外围电路更简单,安装调试更方便,工作更加稳定可靠。
(雷威 李伟)