升压式DC/DC变换器的特点是输入电压低、输出电压高,适用于便携式电子产品。可减少电池数,减小体积及重量。若DC/DC变换器IC中没有开关管,则此IC称为DC/DC控制器。它可以根据需要的负载电流大小来配置不同功率的开关管,应用更为灵活。本文介绍一款性能优良的DC/DC控制器S-436,它适用于中、小型便携式电子产品,也适用于其他电子设备作辅助电源。
S-436输出固定电压,有5V及12V两个品种,其型号分别为S-43605及S-43612。若在固定输出电压的电路上另加两个电阻,可以构成输出电压可设定的电路。
主要特点及技术参数
工作电压低:5V输出的器件输入1V即可工作;12V输出的器件输入1.8V左右即可工作。最大工作电压10V。采用CMOS工艺生产,功耗低,其典型值为5μA。输出电压初始精度为±3%。电压调整率典型值为30mV(5V输出)、100mV(12V输出)。输出电压温度系数:±0.38mV/℃(5V输出)、±0.91mV/℃(12V输出)。振荡器工作频率为30kHz(5V输出)、24kHz(12V输出)。封装形式为小尺寸贴片式SOT-89-5封装。工作温度范围为-40℃~+85℃。
管脚排列与功能
外围元器件及工作原理
S-436的内部结构及外围元器件如图2所示。其内部由振荡器、控制电路、基准电压源、误差放大器及确定输出电压的电阻分压器组成。外围元器件有储能元件电感器L、堵塞二极管VD、输出电容器C\(_{OUT}\)及开关管(双极型NPN三极管,或图2右边的N沟道功率MOSFET)。

振荡器工作时控制电路输出一定占空比的脉冲,经驱动器驱动外接的开关管导通或关断。当开关管导通时,V\(_{IN}\)经电感器L、开关管到地形成电感电流i\(_{L}\)(i\(_{L}\)大小与导通时间t\(_{on}\)有关),开关管关断时,i\(_{L}\)为最大(L\(_{pk}\))。电感器L中储存能量。开关管关断时,输入电压V\(_{IN}\)叠加电感器L中的感应电势经二极管V\(_{D}\)向输出电容器C\(_{OUT}\)充电,C\(_{OUT}\)端的电压高于V\(_{IN}\)的电压。此输出电压经5脚反馈到内部电阻分压器,经分压后输入误差放大器,与基准电压比较后由误差放大器输出控制电压给控制电路,改变了控制电路输出脉冲的占空比,使输出电压V\(_{OUT}\)稳定在一定范围。二极管V\(_{D}\)起单向导通作用,在开关管导通时,不使C\(_{OUT}\)上的电荷向开关管放电。
元器件选择
1.输入电容CIN及输出电容C\(_{OUT}\)
图2中没有输入电容器C\(_{IN}\),若增加C\(_{IN}\)则可降低输入电源的阻抗并稳定输入电流,改善转换效率。一般C\(_{IN}\)取10μF。输出电容器C\(_{OUT}\)的容量与输出电流大小有关,一般取20μF~47μF(输出电流大时取值大)。并且要求其等效串接电阻(ESR)小。这不仅影响在输出电容器上的损耗,并影响输出纹波电压大小。采用贴片式钽电解电容器不仅比贴片式铝电解电容器尺寸小,其ESR也低,在低温时稳定性也好。所以C\(_{IN}\)、C\(_{OUT}\)可采用贴片式钽电解电容器。
贴片式多层陶瓷电容器(MLCC)的ESR极小,如果在贴片式钽电解电容器上并联一个1~2μF的MLCC,则C\(_{OUT}\)的ESR更小,对提高转换效率及减小纹波电压十分有效。
近年来开发出有机半导体铝固体电解电容器(OS-CON),其性能比钽电解电容更好。采用10μF(OS-CON),其滤波效果比47μF钽电解电容还好,其ESR甚低,但价格较高。
2.电感器L
电感器L在本电路中可采用47μH~68μH。要求其直流电阻小于1W。采用“工”字形铁氧体磁芯,用φ0.3mm漆包线绕制贴片式电感器。可满足本电路的要求。其47μH~100μH的直流电阻值为0.2~0.4W。一种68μH的电感器其尺寸为φ8×5.5mm(高)。
3.二极管VD
振荡器频率约30kHz,二极管VD不能采用1N4000系列。为减小二极管上的损耗,采用正向压降V\(_{F}\)小的肖特基二极管1N5817或1N5819。1N5817主要参数:V\(_{R}\)=20V、I\(_{F}\)=1A、V\(_{F}\)=0.3~0.6V。1N5819的V\(_{R}\)=40V,其他参数与1N5817相同。在输出电流大时(如I\(_{OUT}\)=400mA),可用两个二极管并联。
4.基极电阻R\(_{b}\)
在用双极型晶体管作开关管时,需接一个基极电阻R\(_{b}\)。R\(_{b}\)大小与输出电流I\(_{OUT}\)及晶体管的放大倍数β有关。一般在180~470W之间选取(输出电流I\(_{OUT}\)大、β小,R\(_{b}\)取小一些)。开关管的β值取150左右时,I\(_{OUT}\)在500mA左右,Rb取200~300W。
5V、12V输出电路实验
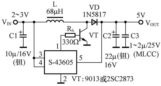
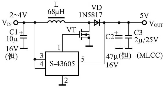
笔者采用S-43605器件及双极型三极管(小功率NPN管9013、中功率管2SC2873)及中功率N沟道MOSFET MTD3055做了5V输出电路实验和用S-43612及MTD3055做了12V输出电路实验。用双极型三极管作开关管的电路如图3所示,用MOSFET作开关管的电路(5V)如图4所示,12V的如图5所示。实验结果见表2。



从表2可见,采用不同的开关管可满足中、小型便携式对输出电流的需要,输出电压精度优于±4%。考虑到工作温度范围,输出电流要适当减小。电源要采用的充电电池数见表3。
2SC2873是SOT-89封装,其管脚排列见图6,MTD3055是DPAK封装,其管脚排列见图7。在MTD3055输出电流较大时,可利用印制板的敷铜层来散热,如图8所示。



由S-43605及S-43612组成的DC/DC变换器效率为65%~70%。
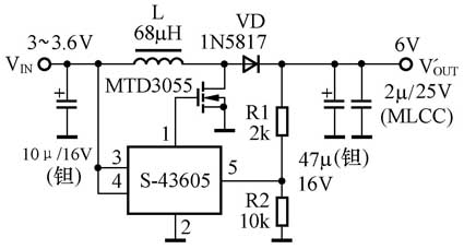
输出电压可设定电路
输出电压可设定电路如图9所示。输出电压V'\(_{OUT}\)与原输出电压V\(_{OUT}\)及R1、R2的关系为:

V'\(_{OUT}\)=(1+R1/R2)V\(_{OUT}\)采用S-43605,R2=10kW,若要求V'OUT=6V,可按上式计算R1=2kW。由上式可知,V'OUT只能大于VOUT。按图9实验:空载时V'OUT=6.10V,VIN=3.0V~3.5V时,IOUT=300~500mA(V\(_{OUT}\)≥5.75V)。
S-43612用作辅助电源
S-43612用作辅助电源如图10所示。主电源用低压差线性稳压器(LDO)输出5V/1A(其额定输出可达1.5A),S-43612作辅助电源,输入电压为5.0V,输出电压12V/50mA。采用此电路,电路简单、转换效率高。

几种开关管的主要参数见表4。
有关S-436的供货信息可与本刊2004年第6期第66页新新电子有限公司联系。
(方佩敏)

