本文介绍的彩色显示器主电源的两种启动电路,与一般的机型有着明显的不同。如果对这两种启动电路不了解,维修与此有关的故障是很困难的。笔者将分析这两种特殊启动电路的原理,并总结在实践中遇到的故障实例。
两种特殊的启动电路
该机启动电路的特殊性在于主电源的启动不是由整流电压直接来完成,而是由副电源输出独立的启动电压来驱动开关管进入工作状态。启动电压由副电源的三端脉宽调制功率集成电路TOP-223Y控制,由开关变压器T902的2-4绕组来输出的。电路原理为(有关电路见图1):
按下电源开关后,由整流电路产生的300V直流电压分两路同时加至主、副电源。一路加至主电源开关变压器T901的8脚,通过8-1绕组送到主电源场效应开关管VT902(2SK2847)的漏极,为其提供工作电压;另一路加至副电源开关变压器T902的5脚,经5-6绕组加至三端脉宽调制功率专用集成电路IC903(TOP-223Y)电源端,IC903内部自有的启动与振荡电路使副电源开始工作,T902的4-2绕组感应的交流电压经VD914整流、C927滤波后,再经控制管VT903(KTA1275)加到IC901(KA3843B)的7脚,为IC901提供启动与工作电压。IC901工作后,由其6脚输出脉宽可调的脉冲电压,经R921加至开关场效应管VT902的栅极,主开关电源振荡工作。
从上述原理可以看出,由于副电源本身就是一个稳压系统,所以它提供给主电源的启动电压(也即IC901的工作电压)自开机的那一瞬间起就是稳定的,而且对IC901而言,没有启动电压与工作电压的转换。这一点与一般彩显有着明显的区别。
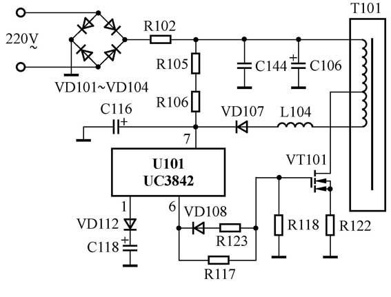
该机主电源启动电路的最大特点是软启动电路的特殊设计,与一般机型的软启动明显不同。原理如下(有关电路见图2):按下电源开关后,300V的整流电压经启动电阻R105、R106对电解电容C116充电。当C116正极电压达到16V以上时,U101(UC3842)的7脚内部的基准电压发生器产生5V的电压,并由8脚输出,U101内部的振荡器工作,从6脚输出脉宽可调的脉冲电压,经R117送至开关管VT101的栅极,使其进入工作状态。该机软启动的原理与特殊性,就在于对6脚输出脉冲的特殊控制上。
在启动电压刚一建立的时刻,U101的1脚输出的电压通过VD112对C118充电。1脚是U101内部误差放大器的输出端,它决定了6脚输出脉冲的占空比。在充电的初期,1脚电压为0V,6脚电压也为0V。随着充电的不断进行,1脚电压逐渐升高,6脚的脉冲电压也不断升高,最后C118充电完成,1脚电压固定在3.2V,6脚电压也输出稳定的脉冲,提供给开关管的栅极。这样设计的目的就是为了减缓开关管进入工作状态的时间,从而保证开关管与稳压电路同时开始工作,避免了在开机的瞬间稳压电路尚未工作时开关管就立即进入工作状态,消除了此时有可能发生的开关管失控而导致自身过激励损坏甚至连带烧坏相关负载电路的隐患。维修实践表明,这种软启动电路的作用是明显的。
特殊启动电路故障检修实例
例1:
LG/FB795B彩显 故障现象:开机后无任何反应,电源指示灯不亮。
分析与检修:
根据故障现象,判断主电源有问题的可能性很大。开机,测量主电源的12V、15V、85V、198V、-16V输出端均为0V,而副电源的5V、6.3V都正常。测量主电源各路输出端对地电阻正常,说明主电源各路负载无短路现象。根据本机电路的特点,造成主电源不工作的原因有3个:一是主电源本身有故障,二是副电源用于启动主电源工作的电路异常,三是CPU将主电源错误地锁定于关闭状态。
根据上述思路,首先在开机后测量主电源核心元件IC901(KA3843B)的启动端7脚电压为0V。此脚电压为0V,主电源肯定不能进入工作状态,由此可基本排除主电源自身故障的可能。测量CPU IC102(MC68HC05BD32B)的主电源关闭控制端17、18脚电压均为4.3V,正常(该两脚在关断模式下均为低电平0.1V),说明主机送来的信号以及CPU都是正常的,因此应重点检查主电源的启动电路。
从该机启动电路的原理可以看出,此时应该重点检查T902的4脚至IC901的7脚之间的电路(见图1)。开机测量VD914负端电压为17V,属正常,但测得VT903的发射极电压不到0.1V,不正常。检查VT903外围有关元件,发现其发射极供电电阻R935在路电阻过大,拆下测量,证实已断路损坏。该电阻的阻值为1W,功率为1/2W。更换一只功率为1W的1W电阻,彩显恢复正常。
小结:
由于R935断路,使副电源产生的启动电压不能送至VT903,因而VT903的集电极无正常电压输出,IC901的7脚得不到启动电压,使得主电源无法进入正常工作状态。
例2:
日立PC-DC3556彩显 故障现象:同例1。
分析与检修:
根据故障现象,推断主电源有问题的可能性很大。首先测量主电源的各路输出,均只有微弱的电压,接近于0V。测量整流输出端电压为298V,正常。断开主负载,接入假负载,重新测量各路输出电压,无任何变化,确认主电源有故障。从理论上讲,主电源的过压、过流保护电路和振荡电路出现故障造成这种现象的可能性最大。测量U101(UC3842)的启动和供电脚7脚电压为16.5V,正常,然而断开主电源的过流和过压保护可控硅VT102(图中未画出)后,故障无任何改变。对主电源的振荡电路进行仔细检查后也没发现任何问题,直至代换了U101,故障仍然存在。
考虑到本机特殊的启动电路对开关管的控制关系,决定检查启动电路(见图2)。围绕软启动电路对开关管的控制原理,在7脚启动电压正常的情况下,由于U101已经换新,重点检查1脚和6脚外围电路。测量1脚只有零点几伏的电压,6脚电压几乎为0V。鉴于1脚对6脚的决定作用,仔细检查1脚外围元件,发现电容C118严重漏电,接近击穿。更换一只同型号电解电容,故障排除。
小结:
由于C118漏电击穿,开机后U101的1脚电位没有一个从低到高的充电过程,而是被钳位于低电平,使得6脚无正常的脉冲信号,开关管不能正常工作,造成了本例故障。
(华雷广)

