长虹彩电部分机型常出现一些通病(故障),使机器不能正常工作,经检查发现这些故障往往不是元器件的损坏造成的隐患,而是由原设计或调试存在问题所致。笔者根据经验和实践,针对这些通病提出改进方案,供读者参考。
1.长虹精显王背投60Hz、DP4368、DP5168、DP5188、DP6188等机型,无论在AV或TV状态下都会出现屏显字符拖尾(冒火)现象。
原因分析:
该故障是由于出厂时所设定的加速极电压偏低所致。
改进方案:
需重新调整好加速极电压,具体操作:首选进入维修调整状态,使用随机附带的K8G型遥控器,将音量关至“0”,然后同时按下遥控器的“静音MUTE”键和背投彩电面板上的“菜单MENU”键。若屏幕上显示红色的“S”字符,则表示已经进入维修状态。在维修状态的第二个菜单“TDA8843调试菜单”,按压遥控器的“绿色”键进入该菜单“G·WHITE·POINT·ADJUST”选项中的参数“AKB”,将原来的“1”设置为“0”。调好后按压一下遥控器上的“菜单”键,将数据进行保存,退出维修状态后将亮度、色饱和度和对比度关到最小,此时可能会出现黑屏并伴有回扫线。然后分别调整红、绿、蓝加速极电位器,直到屏幕上红、绿、蓝回扫线刚好消失为最佳。如果看不到红、绿、蓝回扫线,可以按下“菜单”键,此时屏幕上会有红、绿、蓝字符显示,以此来观察三只投影管的工作状态,再按压遥控器上的“画质”键选择到“鲜艳”状态。最后进入维修状态,将“AKB”参数恢复为原设置的“1”,并退出维修状态,将亮度、色饱和度和对比度恢复正常即可。至此就完成了对该机型背投彩电加速极电压的调整。
2.长虹H29K60、H25K60(CN-12D机芯)彩电部分机型出现音量关小时有较大的交流噪声,在静音状态或者音量较大时无此故障出现。
原因分析:
该故障是BBE板(重低音板)的接地不良易受干扰所致。
改进方案:
将BBE板的背面接地点与电阻JS08的任一端用一裸导线相连,将JW12的任一端与距离最近的散热片接地脚也用一裸导线相连,去掉电阻RW02、RW03(67kW/0.125W)。同时,裸导线的连接应尽量短,以免对机内产生干扰。本故障仅发生在BBE板号为JU7·820·1590-1的彩电中。
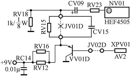
3.长虹G29E6、G29E8型彩电(CN-11机芯)出现在AV状态下有声无图,TV状态下图像正常的故障。
原因分析:
本机所使用的电子转换开关NV01 HEF4505的11脚(2·AV·IN),因外部输入的静电电流过大而损坏,引起这种故障。
改进方案:
长虹G29E6和G29E8型彩电使用了两种不同印制板号的PCB板,要分别对其进行不同的改进方案以增加保护和限流。具体方法:
① 印制板号为JU7·820·1382A的彩电操作是:取消背焊的瓷片电容103E;在RV12的两端并焊一只规格为RT-13-0.166W-100W的碳膜电阻(RV16),见图1。

②印制板号为JU7·820·1382B的彩电操作是:将JV01D的跨脚线取消,改装规格为CD-71-50V-3.3μF的无极性聚酯电容CV15;在CV09的正端和JV01D与VV01D相连的e极之间背焊一只电阻RT14-0.25W-1kW(RV15);在RV12两端背焊一只电阻RT13-0.166W-100W(RV16),见图2。

4.长虹精显王背投(75Hz)HP4368、HP5168、HP5188、HP6188提高整机可靠性与地域适应性。
原因分析:
扫描板中的稳压二极管VD702、VD704、电阻R701(1.2kW/0.125W)容易损坏并引发多种故障。
改进方案:
将扫描板上的电解电容C446由规格为CD11-250V-10μF改为CD15-250V-47μF(C446取值不要随意更改),去掉跨脚线W404。使用CD15-250V-47μF是多次实验而得出的最佳值,低于该值将起不到改进的作用,大于该值将会出现开不开机的故障。
5.长虹PF2986彩电(CH-16机芯),开箱一个月后出现换台时好像有撕纸一样的“嘶嘶”声,2秒钟后正常。
原因分析:
由于E2PROM(24C08)存储器性能不良或易受到外界干扰所引发的该故障。
改进方案:
原机中的E2PROM(24C08)存储器由美国ATMEL(阿特美尔)公司的AT24C08改为美国SIMIC(意微法)公司的ST24C08,同时将R741、R742由470W/0.125W改为500W/0.125W,取消C717、C718。更换经过工厂烧录过或拷贝好的存储器,也可以用空白存储器装上后,按照长虹公司下发的关于IC总线调试数据的资料,使总线数据调整至正常状态即可。
6.长虹精显王背投(60Hz)DP4388.DP5188接收TV信号时,屏幕上出现几条约一指宽的黑色干扰带,输入AV信号时则无此故障。
原因分析:
机内窜入了高频脉冲干扰信号所致。
改进方案:
①将原机存储器ST24C08的8脚VDD电源外接一只规格为CD121-35V-100μF的电解电容的正极上,电解电容的负极就近接地。
②将N501 TDA9332H(三基色、扫描信号集成块)的5脚(FLASH快速检测信号输入端)外接一只10nF/63V的瓷介电容,电容另一脚就近接地。
③用一裸导线将固定投影管的金属支架接地。
④检查高压分配盒中接插件是否完好,以防止打火。
⑤将存储器ST24C08的5脚(SDA总线数据输出端)和6脚(SCL总线时钟输出端)各自外接一个规格为4N7的瓷片电容,电容另一端就近接地。
7.长虹H21K60、G2138(K)、G2132彩电(CN-12D机芯)出现开机后机内有异常啸叫声的故障。
原因分析:
开关电源部分有高频脉冲干扰。
改进方案:
将光电耦合器VD515由原机装的日本夏普公司产品TLP621改为国产的HS817C;在三极管V553(C1815)的b极和c极之间背焊一只型号为C553A-CL1-50V-0.8A-56PJ的瓷介电容(C553A),电容容量值可以适当增大,但最大不能超过100pF,以图像不出现干扰为最佳。改进后电路见图3。
8.长虹第一代普通背投(50Hz)51PT18A、51PT28A、61PT18A的部分机型出现反射镜移位现象。
原因分析:
2001年7月之前生产的该系列背投中均使用的是木制反射镜固定支架,由于部分木制材料没有达到技术要求而导致反射镜移位。
改进方案:
对此可以向长虹产品营销管理本部所属的长虹售后服务中心备件仓库或者向长虹各地分公司的维修中心申领金属制的反射镜固定支架进行更换,就可以排除该故障。
(唐辉)