三极管既包括双极型晶体管(BJT),又包括场效应管(FET),而场效应管按结构又可分为结型(JEFT)和绝缘栅型(IGFET)两种。绝缘栅型场效应管绝大多数是由金属氧化物半导体构成的FET型场效应管(MOSFET)。
双极型晶体管是电流控制型,用基极的较小电流控制集电极较大的电流(或电压)。场效应管是电压控制型,用栅-源极的较小电压在半导体内产生沟道来控制漏极较大的电流(或电压)。本文主要以双极型晶体管为例,讲解三极管工作于放大和开/关状态时电路结构的设计与外围元器件参数的选择。
大家知道,三极管有三种工作状态:截止、放大和饱和。在模拟电子电路中主要分析、研究三极管处于放大状态时的输入/输出特性。晶体管放大状态的基本特征是:发射结正偏、集电结反偏。截止和饱和状态是研究数字电路的主要内容,它主要分析三极管工作于开/关状态的输入/输出特性。晶体管饱和(导通)状态的基本特征是:发射结正偏、集电结也正偏。
一、放大状态的参数选择
1.电流传输的参数选择
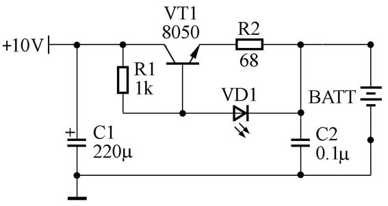
图1是无绳电话子机充电座原理图,+10V是外接适配器电压。充电座有两个金属弹片,一旦把手机(电池在手机内部)放入充电座,其电路连接如图1所示。下面简单介绍电路原理:VD1为磷砷化镓鲜红发光二极管,正常工作时压降为2.0~2.2V,而VT1(8050)发射结压降约0.65V,因此一旦把手机放入充电座,发光二极管正常工作时(发光),R2(68Ω)的压降为1.35~1.55V,流过R2(68Ω)的电流约20mA。所以,本电路是利用发光二极管和三极管发射结之间压降的差值作为稳定电压,然后加一个电阻R2组成恒流源,因此该电路是恒流充电电路,改变R2的阻值就会影响充电电流。比如:R2=33Ω时,充电电流约为40mA。

那么,电阻R1的大小应如何选择呢?
图1中流过R1的电流一路供给VT1基极,另一路供给发光二极管VD1,因此R1的选择,既要保证VT1正常工作,又要满足发光二极管的适当亮度。假设某一时刻电池电压为2.5V,取发光二极管压降为2.0V,这时VT1基极的电压为5.5V,流过电阻R1(1kW)中的电流约5.5mA(计算表明:电池的总充电电流应该为流过电阻R2和发光二极管的电流之和)。
假设VT1的直流放大倍数为β=100,那么,当其发射极输出20mA的电流时,基极所需提供的电流很小(约0.2mA),因此,流经R1的电流的绝大部分都流过VD1。根据经验值,5.5mA的电流对于普通发光二极管来说是偏小了点,一般来说10mA的电流比较合适,所以,R1的理想选择可以定在470~680Ω。
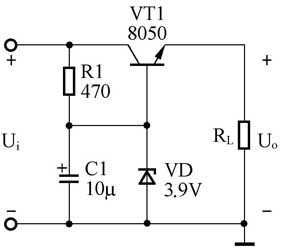
图2是一个三极管稳压电路的原理图。输入电压Ui一方面加在VT1集电极,另一方面经R1加在稳压管VD的负极,所以VT1的基极电压就是稳压管VD两端的电压Vz,根据图中参数可知:Vz=3.9V,因此,三极管VT1发射极输出电压约为3.2V,即供给负载的电压约为3.2V。

下面再谈谈电阻R1的选择。图2中流过R1的电流一路供给VT1基极,另一路供给稳压二极管VD,因此,R1的选择,既要保证VT1正常工作输出满足负载需要的电流,又要满足稳压管正常工作于陡降区。如果R1太大,流过VD的电流很小甚至没有,则稳压管稳定的电压偏小,所以输出电压Uo达不到设计要求;反之,如果R1太小,流过VD的电流太大,当输入电压升高时,流过VD的电流会更大,可能超过稳压管的最大功耗PZmax,从而损坏稳压管。现举例说明。
假设U\(_{i}\)=6.5V,V\(_{z}\)=3.9V,则R1两端电压约2.6V;若VT1的直流放大倍数为β=100,那么,当要求输出最大电流约100mA时,基极最小电流为1mA。当然,我们并不知道R1多大合适,首先预设R1=1kW,理论计算流过R1的电流约为2.6mA,于是,流经稳压管的电流只有1.6mA,根据经验值,这个电流不足以使稳压管工作在陡降区,所以,输出电压偏低且不稳定。因为一般稳压管需要5~20mA的电流才能工作在陡降区。
若预设R1=22Ω,则流过R1的电流约为118.2mA,于是,稳压管分得的电流有117.2mA,这时稳压管的功耗P\(_{Z}\)=117.2mA×3.9V≈0.457W。若稳压管的最大功耗P\(_{Zmax}\)=0.5W,电路工作在临界状态,当输入电压稍稍增大就可能超出最大功耗,甚至烧掉稳压管,导致电路故障。
从上面的分析中可以看出:电阻R1不能太大,否则,不足以提供基极所需电流,输出电压偏低且不稳定;也不能太小,否则,稳压管的功耗增大,电阻的功耗也增大,需要大功率电阻,这无疑增加了电源的损耗,器件发热严重且工作也不安全,另外,采用大功率电阻也不经济!因此,实际电路中R1=470Ω是一个比较理想的参数。当然,若U\(_{i}\)=5.0V,R1=470Ω就偏大了,读者可自行分析。
顺便说一句,在部分音响电路中采用类似图2的电路,区别仅在于该类电路中没有稳压管,因此就不是稳压电路,而变成了电子滤波器。当R1、C1取合适的参数,可以很好地滤去输入电源的纹波干扰(低频、大幅度纹波只能适当减小,不能真正滤除),因为三极管基极的电压比较稳定,所以输出的电压也相当稳定——比基极低一个PN结压降!三极管处于放大状态。
图3是步步高电子公司F系列(F7、F9、F11、F15)便携式VCD机3.3V转2.5V的电路原理图。P_VDD3是系统DC-DC变换电路产生的直流电压,虽然标称为3.3V,实际上一般在3.12~3.26V;VCC2.5V是SPCA716内部解码的电压,最大工作电压为2.5V,实际上一般保证在1.85~2.25V即可;如果低于1.85V,系统工作的可靠性将很难保证,电压高一些当然好,但是,整机的功耗会相应增大,这在便携式产品中是最忌讳的。
由于P_V\(_{DD3}\)电压很稳定,由R29和R129分压后固定住VT2的基极电位,于是,三极管发射极就能输出需要的电压值。实测一组参数:P_V\(_{DD3}\)=3.14V,R29两端压降为330mV,V\(_{B}\)=2.81V,I\(_{E}\)=65mA。计算得:IR29=1.5mA,I\(_{R129}\)≈1.27mA,因此,I\(_{B}\)≈0.23mA,由I\(_{B}\)和I\(_{E}\)可以反求出三极管的β约为282。
也许有读者要问:R29和R129是如何定出的呢?是根据电路的输入/输出条件!首先,本电路输入电压(3.14V)、输出电流基本一定(60~70mA),考虑系统的功耗,设定输出电压为V\(_{CC2}\).5V=2.10V(电压升高时,电流相应增加)。其次,根据三极管输出特性曲线,我们可以知道:当三极管输出电流较大时,发射结电压也较高,这里设定V\(_{BE}\)=0.7V,于是就可以得出三极管基极V\(_{B}\)=2.8V。也就是说,我们把问题转化为用两个电阻对输入电压(3.14V)分压,使中点电压约为V\(_{B}\)=2.8V即可。
那么,究竟取哪一种组合比较合适呢?这里就需要知道三极管的一个重要参数——直流放大倍数β,由β和输出电流求出IB,然后,假定流过R29、R129的电流相等(假定认为从R29分出、流入三极管基极的电流比较小,暂可忽略不计),记为I\(_{总}\),当I\(_{总}\)≥5×I\(_{B}\)时,求出I\(_{总}\)的最小值,再结合输入电压求出R29、R129的值,最后考虑I\(_{B}\)的影响,对参数作适当调整。即便如此,参数还是有多种选择,比如图3中,取R29=100,R129=1kW也一样可以,只不过正常工作时流经R29、R129到“地”的电流增大一点而已!
当然,若负载所需电流更大,比如几百毫安以上,用电阻分压固定基极的方法已不可取,这时可以用小功率三极管集电极(NPN型)去控制中功率三极管(PNP型)的基极来实现,如图4所示。
小结:(1)大电流工作时,晶体管基极电阻的选择要根据电路的输入/输出条件具体问题具体分析,且不可照搬照抄。同样的电路结构与参数,放在不同的输入/输出条件下,就不一定适用。(2)大电流工作时,晶体管基极的控制电阻一般比较小(几百至几千欧姆),以便满足三极管在大电流输出时基极所能提供的必要的驱动电流。(3)当需要更大的电流时,一般不再用电阻网络的分压方式控制,而转用间接方式——通过(小功率)三极管控制大功率晶体管的输出。
2.电压传输的参数选择
前面讲述的几个例子中,晶体管都工作于放大状态且输出的电流较大,所以,我们叫它电流传输(由于同时也有电压输出,所以晶体管有一定的功率输出能力,因此,也可以叫功率传输)。下面讲述的内容主要侧重于信号处理、变换、放大等方面,电流不再是讨论的重点,而电流在输出阻抗上产生的电压变化却成为研究的主要对象。
图5是一种典型的射极偏置电路,它是交流放大器中最常用的一种基本电路。晶体管是NPN型,它起电压放大作用(也有电流放大作用)。为使它工作于放大状态,其发射结必须正偏,集电结必须反偏。因此,电源+5V经Rb1、Rb2和Re给发射结以正偏,提供偏置V\(_{BE}\)和I\(_{B}\);电源+5V还经R\(_{c}\)和R\(_{e}\)给集电结以反偏,提供偏置V\(_{CE}\)和I\(_{C}\)。Rc是集电极电阻,它把晶体管的I\(_{C}\)的变化转化为V\(_{CE}\)电压的变化,并传给负载。C3被称为射极旁路电容,用于消除R4对交流分量的影响,使放大倍数不致于下降;对直流相当于开路,所以不会影响静态工作点;对交流接近于短路,因此,对交流而言可看成发射极直接接地。
近似估算电路的有关参数:
(1)静态工作点
因为:V\(_{B}\)=Rb2×V\(_{CC}\)/(Rb1+Rb2),而I\(_{C}\)≈I\(_{E}\)=(V\(_{B}\)-V\(_{BE}\))/Re,I\(_{B}\)=I\(_{C}\)/β,假设β=200,以图中参数,计算得:V\(_{B}\)=2.0V,I\(_{C}\)≈I\(_{E}\)=1.167mA,I\(_{B}\)=I\(_{C}\)/β=5.83μA,V\(_{C}\)=5-R\(_{c}\)×I\(_{C}\)=2.43V。
(2)电压放大倍数
由于计算过程比较复杂,在此只给出结果:rbe=200+(1+200)×26/1.167≈4.68kW,则Av=-β×Rc/rbe=-94(倍)。
(3)参数的选择
也许有读者要问:Rb1、Rb2、Rc、Re和R\(_{L}\)是依据什么得来的呢?是根据电路的输入/输出条件和想要达到的电性能指标要求,比如:输入电阻R\(_{i}\)、输出电阻R\(_{o}\)、交流电压放大倍数A\(_{u}\)、静态工作点等。
输入电阻R\(_{i}\)——对前级电路而言,本级电路的输入电阻就是前级的负载,输入电阻越大,对前级的吸纳电流越小,影响也越小,反之亦反。
输出电阻R\(_{o}\)——对后级电路而言,本级电路的输出电阻就是信号源内阻,输出电阻越大,输出电流的能力越小,带负载能力也越小。
因为,R\(_{i}\)=Rb1//Rb2//r\(_{be}\)(具体计算过程从略),所以,若希望输入阻抗高些,就要选择阻值较大的Rb1和Rb2;若希望输出阻抗小、带负载能力强,就要求Rc小些(Ro=Rc),然而,由Av=-β×Rc/r\(_{be}\)知,Rc小致使放大倍数Av也变小。另外,当Rb1、Rb2和Re选定后,I\(_{C}\)基本已定,改变Rc将严重影响静态工作点,除非特别原因。一般来说,集电极静态工作点应设置在电源电压的中点,使放大后的信号在中点电平上、下有相等的摆动幅度,防止输出信号较大时,单边提前削波失真。因此,集电极电阻Rc的选择务必全面考虑、统筹兼顾。
这个电路完全可由场效应管构成。场效应管与晶体管相比,最大的特点是组成的放大电路输入阻抗很高,在输入高阻抗的场合采用场效应管放大电路作输入级。
小结:
(1)小信号放大电路中,基极所需偏置电流很小,所以,晶体管的基极偏置电阻一般都设置得比较大,一般从几千欧姆至几百千欧姆。(2)小信号放大电路中,发射极电阻(部分电路中没有发射极电阻)、集电极电阻的选择要兼顾静态工作点、输出电阻和电压放大倍数,一般为几千欧姆。(3)小信号放大电路中,为了获得较高的电压放大倍数,一般对三极管的参数有一定的要求,如较高的β值、低噪声、频率特性好等。
(葛中海)