本仪器采用廉价的ICL7107型单片3位半A/D转换器,使用铂热电阻传感器。通过定量计算,其非线性校正精度高达0.0147%(0.0294℃),优于
ICL7107本身的分辨力和准确度。本设计不加任何运放,利用单片A/D转换器本身的功能,实现测温、设定、控温,且测温和控温精度均达到0.1℃(0.1mV)。本仪器电路简捷,设计巧妙,工作可靠,具有很高的性能价格比。
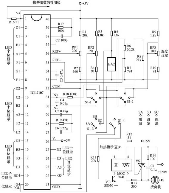
一、工作原理
本仪器由A/D转换器、非线性校正、温度设定、温度控制及电源等几部分组成,电路见附图。下面着重介绍非线性校正电路。

为了便于计算,铂热电阻选用BA2型,其电阻—温度关系曲线呈凸形非线性特性。
1.显示部分
由ICL7107组成的数字表头,其输入电压VIN、基准电压VREF、显示读数之间有如下关系(N即是显示读数,又是直读结果):
V\(_{IN}\)=V\(_{IN}\)+-V\(_{IN}\)-式①
V\(_{REF}\)=V\(_{REF}\)+-V\(_{REF}\)-式②
N=\(\frac{V}{_{IN}}\)V\(_{REF}\)×100.0 式③
由式③可知,当输入电压一定时,显示读数N与基准电压V\(_{REF}\)成严格的反比关系。本电路的V\(_{REF}\)+为一固定电压(可调), V\(_{REF}\)-由BA2上产生的压降经R6、R7分压而获得。随着温度升高,传感器上的压降V\(_{Rt}\)↑、V\(_{REF}\)-↑,使V\(_{REF}\)↓,从而读数N变大。即温度升高,A/D转换灵敏度逐步提高。选择适合的分压比,可使BA2的温度—电阻凸曲线与V\(_{REF}\)的凹曲线刚好相反,从而可获得很高的线性补偿。
由ICL7107组成的电压表头,其最高分辨力为0.1mV即(0.1℃),最高分辨力为11999=0.05%。
本仪器的非线性校正误差均大大优于ICL7107本身的指标(0.294倍)。
笔者曾做过试验,供电电压在3.5~12V变化时,显示结果无任何变化。因此本仪器只用普通7805、7905电源稳压模块,不需用较贵的专用基准电源块。
2.控温部分
当V\(_{IN}\)≥0,符号位POL端(20脚)输出高电平,当V\(_{IN}\)≤-0.0000V时,POL端(20脚)输出低电平。由于电路本身可分辨出±0.1mV(即±0.1℃)的差动电压。本仪器正是利用电路的这一特性,在“控温”挡,ICL7107被作为比较电路使用,其控温精度高达0.1℃(0.1mV),远比一般运放要高,且电路十分简单,工作亦非常可靠。
二、元器件选择与调试
元器件选择:
要选择温度系数小的电阻,考虑到价格因素,用RJ14即可满足一般需要;要选择适当的R6、R7(R8=R6+R7)。这是本仪器测控精度的关键器件;表头电容可选用聚苯乙烯或聚四氟乙烯电容;RP1、RP2、RP3要选用温度系数小的精密多圈电位器。RP3为温度设定电位器,安装在仪器面板上;要选用优质的BA2传感器。
调试步骤:
用精密电阻箱代替BA2接入电路;开关置“测温”位,电阻箱调至 100.00Ω,调RP2,使N=0.0;电阻箱调至158.21Ω,调整RP1,使N=150.0。到此调整即告结束。
若BA2是优质品,接入电路一般不需重新调整。如果BA2质量欠佳,可将BA2置于0℃冰水混合物中,调整RP2,使N=0.0,再将BA2置于100℃沸水中,调整RP1,使N=100.0 。
当表头V\(_{IN}\)为正值时VT1导通,VS亦导通,加热负载接通市电;当VIN出现负值时,VT1、VS截止,切断加热器。在实际控温过程中,除第一次控温因热惯性的原因使温度上冲外,以后控温精度均能在±0.1℃范围内。
在控温时,表头显示的温度值为设定温度与实时温度的差值,而不是实际测量温度。当表头显示为0℃时,表示实时测量温度值与设定值相等。
(文/张芹 张俭)