CS9803GP是为热释电红外传感器配套设计的专用集成电路,采用CMOS工艺制造。在降低成本的同时,可以显著提高产品的可靠性,可广泛应用于照明控制、电机和电磁阀控制、防盗报警等领域。
管脚排列与引脚功能
CS9803GP采用DIP16封装,引脚排列如图1所示,与WELTREND公司生产的WT8072兼容,可以直接代换。

CS9803GP工作电压为4.0V~5.5V(DC),工作电流小于1mA。外接有硫化镉(CDS)传感器,白天抑制输出。输出可驱动继电器或晶闸管。内置两级运放,增益可调。控制时间可调。内置稳压输出3.1V,直接驱动PIR。内部集成过零检测电路,交流电源同步触发,消除对电网的污染。CS9803GP主要电气参数如表1所示,各引脚功能如表2所示。


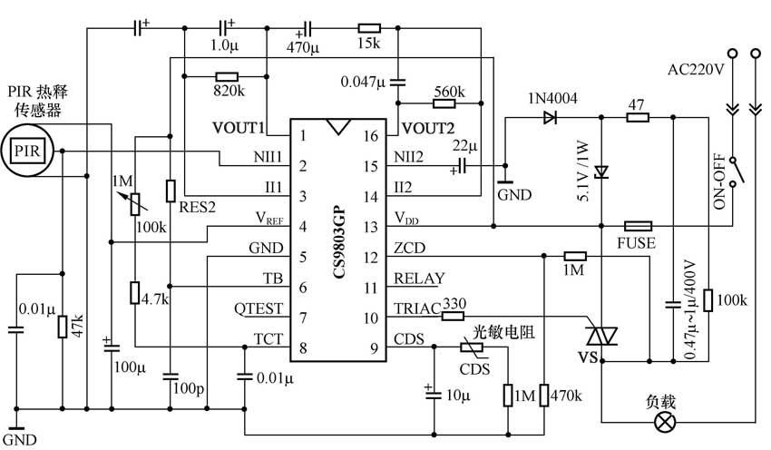
应用电路
CS9803GP的典型应用电路如图2所示。PIR传感器输出的信号经CS9803GP内部放大,如果判断有触发信号,运放输出高电平。这时候计时检测电路开始计时,计满一定内部时钟周期,跳变为高电平(可避免误触发)。CDS接内部施密特触发器,白天CDS阻值低,施密特反相器输出为低电平,抑止输出;天暗则相反,施密特反相器输出为高电平。过零检测电路在交流电源过零时产生过零脉冲。在1、2、3脚同时为高电平时,输出控制器输出一正脉冲,控制外电路。6脚所接R、C决定IC内部时钟,f=(1±20%)/(1.1RC)。VS触发时间宽度为2/f。8脚所接R、C决定IC内部定时器的周期,调节R、C可以调整输出控制的时间长短,根据实际应用要求而定。PIR与IC引线越短越好,以免引入噪声干扰。

需要注意的是,该电路采用阻容降压,应选用正品电路,注意安全,可适当增加保护元器件或电路。
(文/广文 张玉光)