当今的消费者对于移动与便携设备的要求越来越高——更小的外形、更长的电池寿命、更佳的音响效果等等。设计者们为满足消费者的需求,正在积极寻求用高效率器件替代普通的线性放大器。虽然A类、B类、AB类放大器在音频领域应用已经相当长的时间,但D类放大器能在所需效率与失真之间提供平衡,因而成为更好的一个选择。
A类放大器
A 类放大器(图1)对音频波形的两个半周使用相同的晶体管。在这种结构中,输出晶体管总是有电流通过,即使没有输入信号,输出晶体管也不会截止。纯A类放大器效率非常低,即使没有音频输出也会产生大量热量。流经输出晶体管的直流电流与满功率情况下通过扬声器负载的驱动电流相当。许多人认为A类放大器的声音好于其它类型的放大器,这在某些方面可能是正确的。其效率η= P\(_{OUT}\)/ P\(_{SUPPLY}\)= (1/2)(V\(_{CC}\)I\(_{Q}\)/ 2V\(_{CC}\)I\(_{Q}\)) = 25%。

A 类放大器的特性是高保真与低效率。高保真意味着除了幅值以外,输出信号在各个方面都与输入信号非常相像,即它们有相同的形态与频率。某些情况下,输出信号与输入信号之间可能会有一个相位差(一般是180°),但仍然能非常好地复制原信号。如果输出信号在形态或频率上与输入信号有差异,信号就失真了。

B 类放大器
B 类放大器(图3)在波形的每个半周分别使用不同的晶体管进行放大。纯B类放大器一般不用于音频领域。在B类放大器中,会有少部分波形出现失真。我们知道,要使一只双极性晶体管导通,需要在基极与发射极间施加大约0.7V的电压。在纯B类放大器中,输出晶体管没有被偏置在导通的工作状态。这意味着位于0.7V窗口中的那部分波形不会被准确放大。波形每个半周(正半周和负半周)的输出晶体管都有一个0.7V 的不导通区域(图4)。波形的失真部分叫做交越失真。信号中的这一失真是不希望出现的(与原信号相比)。图5 显示的是交越失真的形状。B类放大器的效率 η= P\(_{OUT}\)/ P\(_{SUPPLY}\)= (V\(_{CC}\)2/ 2R\(_{L}\)) / (2V\(_{CC}\)2/ πR\(_{L}\)) = 78.5%。



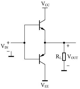
AB 类放大器
A 类放大器效率低,不利于节能。B 类放大器则会造成信号失真,不适用于音频放大器。AB 类放大器(图 6)则是较佳的折衷方案。AB 类放大器是有恒定小偏置电流流过输出晶体管的 B 类放大器。这样可以消除交越失真。由于输出晶体管总是处于导通状态(即使没有音频输入信号时),所以总是有少量偏置电流通过。与纯A类放大器不同的是电流量大小不同。纯A类放大器的输出晶体管在没有音频信号时也要承受大量电流。纯B类放大器的输出晶体管在没有输入信号时则没有电流通过。
AB 类放大器的效率比A类放大器高很多,且没有B类放大器的失真问题。AB类放大器的效率可高达 65%。
D 类放大器
这是由一个H桥和一个负载组成的开关式放大器(图7)。负载包括扬声器阻抗和一个无源滤波器。H桥控制通过扬声器的电流,LC 滤波器则过滤开关噪声。为了更好地说明为什么这种方式比传统线性放大器更适合于移动或便携设备,我们必须查看各种结构的优劣之处。
美国国家半导体公司生产的无滤波器D类放大器LM4667(图8)是全差分输入输出,用创新的调制器代替了LC 输出滤波器。由于节省了输出滤波器,从而降低了元件数量,简化了电路设计,且减小了电路板面积。LM4667 用Delta-sigma调制技术处理模拟输入信号,与传统的脉宽调制方式相比,降低了输出噪声和总谐波失真THD。
图9为D类放大器与AB类放大器效率比较曲线,上方的曲线是D类放大器的效率,下方的曲线是AB类放大器的效率。可以看到,满功率输出时两者的效率很接近(AB 类约65%,D类约88%),只有23%的差别,但在实际应用中,多数时间里放大器的输出处于1/3到1/2功率,此时AB 类放大器效率仅为30%~40%,而D 类放大器则有80%以上。巨大的效率差(40% 以上)意味着无用功率(产生热量)和降低电池的寿命。
总结
1.A 类放大器效率低,但是具有高保真效果。
2.B 类放大器一般不用于音频领域,因为B类放大器波形的一小部分会发生交越失真。落入0.6V窗口中的波形不能被准确地放大。
3.AB 类放大器效率比A类放大器高得多,并且没有B类放大器的失真问题。
4.D 类放大器的效率很高。效率的提高可以转化为更低的系统成本、更低的工作温度、更低的供电电压以及更低的功耗。AB 类放大器的实际工作效率为30%~40%,而D 类放大器的效率可轻易达到80%。
(文/郭俊杰 美国国家半导体亚太区应用工程师)