目前有一部分进口彩色显示器设有交流输入自动切换电路。维修实践表明,这部分电路故障率较高。由于该电路为特殊电路,加之维修资料缺乏,故维修有一定的难度。
什么是交流输入自动切换电路
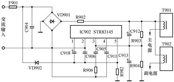
众所周知,世界各国所使用的交流电网电压是有所不同的,如有的为110V,有的为220V,还有的为127V等。国外一些显示器生产商为了占领更多地区的市场,使他们的产品能够适应世界不同地区的交流电网电压,在机器的电源电路中增加了交流输入自动切换电路,使用时不需手动切换,彩显可自动地识别当地的电网电压,并自动切换到与此相适应的整流模式(桥式整流或者倍压整流),给开关电源提供300V左右的直流供电电压。该电路的作用相当于一只电子开关,当电网电压高于某设定值(一般取145V)时,电子开关是断开的,电路处于普通桥式整流状态;当电压低于145V时,电子开关接通,电路处于倍压整流状态,从而保证了在不同的电网电压下(如110V),开关电源的整流输入端都有足够的直流电压。交流输入自动切换电路在电源中的位置如图1所示。

交流输入自动切换电路的原理
这里以比较典型的LG FB795B彩色显示器为例,说明交流输入自动切换电路的工作原理,有关电路请参阅图2。

由图可见,电路的核心器件为STR83145(元件编号为IC902),它的5脚是输入电压检测端,2、3脚接内部的电子开关。交流输入电压经VD902半波整流后,在电容C906的两端形成电压,当输入的交流电压高于145V时,该电压经5脚检测后的电压也较高(即高于驱动内部电子开关动作的设定值),不符合使电子开关接通的条件,因此开关是断开的,即2、3脚呈开路状态。此时的整流电压经电容C912、C913(均为470μF/250V)直接串联后滤波,在C912的正极得到约300V的直流电压,供给主副电源使用。可见,当输入的交流电压低于145V时,如果仍然由C912、C913直接串联滤波,就会使整流电压输出远远低于300V,影响主副电源的正常工作。
当交流输入电压低于145V时,IC902的5脚电压较低,达到了使内部电子开关闭合的条件,即IC902的2、3脚接通。在交流电的正半周期间,充电路径为:整流桥的一只二极管→R902→C912→IC902的3脚→IC902的2脚→交流电的输入端,此时C912上充有约145V的电压,其极性为上正下负;在交流电的负半周期间,充电路径为:整流桥的一只二极管→C913→IC902的3脚→IC902的2脚→交流输入端。此时在C913上也充有约145V的电压,其极性也为上正下负,这一电压与C912的电压叠加,在C912的正极得到了接近300V的直流电压。根据这一电路可使整流电压叠加的原理,有的资料称它为“倍压整流电路”。可见,由于这一电路的作用,使得彩显在交流市电为110V的地区,也能在C912的正极得到足够高的整流电压,达到了使用要求和设计目的。
另外,从原理分析可以看出,该电路不但能够自动适应不同的交流输入电压,还有一个重要作用,就是能够使彩显在交流输入的大范围内进行稳压。事实证明,该彩显在交流电压降为90V左右时,仍可正常使用。
故障检修实例
一台LG FB 795B彩色显示器,联机无显示,电源指示灯不亮。
分析与检修:从故障现象看,怀疑电源电路有问题。拆机查看,保险丝烧断发黑,机内并无其他明显的烧坏痕迹。根据经验,常规检查消磁电阻、整流桥和滤波电容,均正常。但发现限流电阻R902(0.39Ω/3W)断路,主电源开关管VD902(2SK2847)击穿,电阻R938(0.22Ω/2W)断路,行输出管Q503(2SJ306)击穿,副电源电路的主要元件未见损坏。从以上损坏的情况来看,由于行输出管和电源开关管同时击穿,行输出管损坏引起电源开关管烧坏的情况较少,而电源开关管损坏后引起输出电压过高导致行输出管击穿的情况较多,首先判断主电源出现过压故障的可能性较大。
对主电源的稳压电路进行检查,没发现问题。考虑到该机交流输入自动切换电路的存在,常规检查该电路各元件未见明显损坏,在路测量IC902的2、3脚之间的电阻值较大(不为0Ω),故初步判断该机故障由电源开关管自然损坏引起。将上述所有损坏的元器件换新后,正待试机,忽然想到还有一个隐患没有排除。虽然在静态下IC902的2、3脚内部的电子开关没有接通,但是如果在加上220V交流电压以后由于某种原因而接通,必将造成整流输出端电压高达600V左右,进而造成元器件损坏。为此,笔者采用了断开主、副电源输入端的方法进行试机,开机后实测整流电压为598V,立即关机。由此判断,本机故障的根源正在于交流输入切换电路。
对该电路的所有元件进行仔细检查,均良好,代换关键元件C906(4.7μF/450V)后,开机测量整流电压仍为598V。怀疑IC902不良,更换一只STR83145再次开机,复测整流输出变为正常的300V。把断开的主、副电源的输入端复原,与主机连接后试机,一切恢复正常。结合以上检修过程分析,本故障的最终原因应是IC902的5脚内部的检测电路不良所致。
由于IC902的5脚内部检测电路不良,在220V交流输入的情况下,检测电路由于故障而检测到的电压较低,达到了内部电子开关动作的条件,IC902的2、3脚接通,整流方式变成了倍压整流,滤波电容C912、C913上所充的直流电压叠加,达到了598V。如此高的电压进入电源的输入端,引起上述一系列元件的损坏。
大量的维修实践表明,集成电路STR83145本身的故障率较高,而且损坏后较易造成较多的元件烧毁。我国的市电电压为统一的220V,因此,当本电路出现故障后完全可以把STR83145焊下不用,其他不用做任何改动,使整流方式恒为桥式整流状态,即可根除此类故障,达到一劳永逸的效果。但在电压起伏较大的地区,该电路出现故障后应积极予以修复。
(文/华雷广)