名机马兰士7前级放大器是大家公认的最靓声电子管前级之一,原机价格昂贵,即便是仿制品,整机价格也不便宜。对于喜欢动手的读者来说,自己动手仿制名机,既能从中找到动手的乐趣,又能对名机的一些特点有所了解。下面介绍仿制方法。
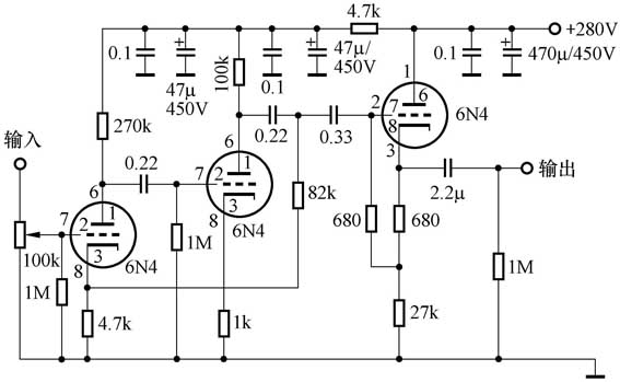
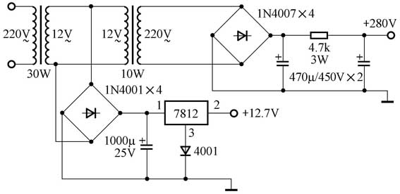
仿制电路见图1,该电路图从各种资料上均可查到,原图中使用的是美国产12AXT双三极电子管,仿制时可用国产6N4和欧州产ECC83双三极电子管代替,6N4的参数见附表。电源电路见图2,如用6N4和ECC83,电路要改动,稳压块应改为7806。图中使用了两只拆机E型变压器,第一只次级12V经整流后由三端稳压器7812稳压供电子管灯丝。由于灯丝电压为12.6V,所以在三端稳压器3脚(公共端)串了1只二极管以提高输出电压,使输出端有稳定的12.7V输出电压。另一只变压器次级交流12V与前面变压器次级12V并联,初级输出供电子管高压,滤波电路使用了简单的CRC滤波电路,效果也非常好。整流电路印制板见图3。主电路印制板见图4,印制板采用全对称设计,元件排列整齐美观,一目了然。图5为6N4管脚排列图。




仿制名机从元件的选择到机箱的制作都应该一丝不苟。电阻以HLOCO电阻为首选,虽然不是最靓的电阻,但音色秀丽,价格适当是首选的原因,也可选用国产军用“大红袍”电阻,效果也很好。滤波电容选用ELNA或红宝石均可,耦合电容以wimaMKP为首选,6N4电子管应选用顶级的,应注意同一只管里两个三极管的一致性。音量电位器选用ALPS蓝壳步进式电位器。电源变压器虽然选用普通E型变压器,但在做好屏蔽后效果一样不错。
机箱的制作也非常重要,外形尺寸见图6。前面板和左右侧板用名贵的胡桃木加工,背板是采用铝合金窗料加工的,铝合金打孔比较容易。机箱采用外露式,安装电子管座的底板采用0.8mm的镜面不锈钢板,电路板管座支撑悬于箱内。开机后,电子管灯丝发出的橙红色光经镜面不锈钢的反射十分漂亮,给人以美的享受。

如对视觉要求更高的朋友,可在底板上靠前面两边适当位置安装两只6E2荧光管。6E2是电平指示管,带状荧光条会随着音乐上下跳动。电路板上电阻从正面安装,电容由于体积较大直接从铜箔面焊接。灯丝电源采用φ1mm的漆包线悬空连接。本机只要元件选择正确一装即响。有兴趣者不妨一试,通过自己的辛勤劳动,品味一下名机带来的音乐神韵。
(文/田凯)