CXA2089Q集成电路的功能与CXA2069Q相似,也是新型的大规模电子开关集成电路,采用48脚扁平封装,具备5组复合视频信号输入,3组Y/C信号输入,2组复合视频信号输出,2组Y/C信号输出;5组L/R声道音频信号输入,2组L/R声道音频信号输出;兼容S1和3路S2协议;内置Y/C混合电路和宽带视频放大器(20MHz);音频静噪可通过设定外部引脚电压来实现;整个信号的切换过程完全由I2C总线控制。该集成电路主要用于一些主流的高档大屏幕彩电中,充当TV/AV切换电路。它除了可方便地实现内外视频和内外双声道音频信号的切换外,还可方便地实现外部S端子Y/C信号与机内Y/C分离电路所分离的Y/C信号之间的切换。目前,使用该集成电路的彩电有:LG的RF-02RA等机芯的等离子电视机。
工作原理
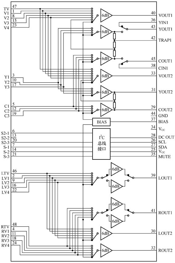
CXA2089Q内部电路框图如图1所示。由于CXA2089Q具有多路的输入和输出功能,在实际使用时,为了降低编程的难度,厂家一般只是根据实际的需要而有选择地加以开发。因此,CXA2089Q在实际的应用电路中,有些引脚未被采用。

TV/AV切换电路的主要任务是完成TV信号和AV信号的选择,并将选择输出的信号送至下一级处理电路。下面以LG MT-42PZ41V机型的等离子电视机为例进行分析,其电路简图如图2所示,引脚功能及实测电压如附表所示。


CXA2089Q的15、16和18脚为SCART1(针式插孔1)信号输入端子。由SCART1输入的复合视频信号加在15脚,双声道音频信号分别加在16脚和18脚。8、9和11脚为SCART2(针式插孔2)信号输入端子,由SCART2输入的复合视频信号加在8脚,双声道音频信号分别加在9脚和11脚。S端子(第一路)的Y信号加在CXA2089Q的3脚;C信号加在5脚,左右两路声道音频信号分别加在2脚和4脚。
该机型未设TV、AV1、AV4输入功能,故47、1、23、22、24、46和48脚悬空未用。上述各路复合视频信号经CXA2089Q切换后,分两路输出:一路从33脚输出,经QP109射随后,送至SCART2端子,作为本机的复合视频信号输出;另一路从40脚输出,经QP107射随后,再送至下一级处理电路。经CXA2089Q切换后的Y信号从43脚输出,经QP105射随后,送至下一级处理电路;C信号从45脚输出,经QP104射随后,送至下一级处理电路。各路音频信号经CXA2089Q切换后,分两路输出:一路从30和32脚输出,再分别经QP111、QP110射随后,送至SCART2端子,作为本机的L、R声道音频信号输出;另一路从39和41脚输出,再分别经QP108、QP106射随后,送至音频信号处理电路,作进一步处理。
I\(^{2}\)C总线对CXA2089Q的控制
CXA2089Q的基本功能是切换信号,它能根据输入信号的类型来选择输出形式,还能对信号进行必要的放大、衰减或混合处理。CXA2089Q内部设有I\(^{2}\)C总线接口电路,用以控制CXA2089Q所实现的各种功能。
如果读者还要了解CXA2089Q的更详细的资料,请到
http://www.21icsearch.com/searchpdf/default.asp?admin=cxa2089q
网站上查询。
(文/林俊标)