R\(_{DS(ON)}\)的大小与V\(_{GS}\)大小有关,同时与I\(_{D}\)大小有关。型号为Si9933的P管其R\(_{DS(ON)}\)与-V\(_{GS}\)及-I\(_{D}\)的关系如图1所示。由图可以清楚地看出: -V\(_{GS}\)越大则R\(_{DS(ON)}\)越小; -I\(_{D}\)越大则R\(_{DS(ON)}\)越大。另一种-V\(_{DS}\)及-V\(_{GS}\)极限参数完全一样,-I\(_{D}\)都>3A。若-V\(_{GS}\)=2.7V,工作电流-I\(_{D}\)=2A时,图1中的R\(_{DS(ON)}\)约0.15Ω,而图2中的R\(_{DS(ON)}\)约0.06Ω(相差要一倍多1)。这使最大功耗P\(_{D}\)上要大一倍多(P\(_{D}\)=I\(_{D}\)\(^{2}\)×R\(_{DS(ON)}\))。


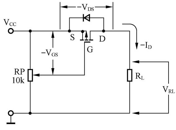
R\(_{DS(ON)}\)的测定电路如图3所示。图中测定的P管(N管测定电路与此相似)。V\(_{CC}\)及R\(_{L}\)应与原电路的V\(_{CC}\)及R\(_{L}\)一样,调电位器RP,使其-V\(_{GS}\)也与原电路一样。在这条件下测出R\(_{L}\)上的电压V\(_{RL}\),则可以求出R\(_{DS(ON)}\)的值。计算如下:

-V\(_{DS}\)=V\(_{CC}\)-V\(_{RL}\),-I\(_{D}\)=V\(_{RL}\)/R\(_{L}\),则R\(_{DS(ON)}\)=-V\(_{DS}\)/-I\(_{D}\)式中,V\(_{CC}\)是电源电压(可以测出)。
如果你有兴趣,按上述方法改变-V\(_{GS}\)值,测量相应的V\(_{RL}\)值,可进一步了解-V\(_{GS}\)与R\(_{DS(ON)}\)的关系。
(文/方佩敏)