高速1mA电流反馈放大器LMH6723/24/25
LMH6723/24/25是美国国家半导体公司生产的新型高速1mA系列电流反馈放大器。它们的区别是:LMH6723是单运放,LMH6724是双运放,LMH6725是四运放。
特点:
LMH6723/24/25功耗低(1mA)、输出电流较大(±110mA)、转换速率高(600V/μs),能确保便携式电子产品发挥较高的性能。
LMH6723/24/25除了支持 0.1dB 的增益外,还可提供较低的差分相位与差分增益,并可输出 100mA 的线性电流,确保驱动RGB视频线路时可以发挥其优异的性能。由于这三款放大器的性能优异,且电流只有1mA,并可在供电电压为4.5V~12V时正常工作,加上封装极为小巧,因此是各种便携式电子产品的理想放大器。

应用范围:
LMH6723/24/25适合应用在无线对讲机、电话连线闭路监视系统、模数转换驱动器和手提DVD以及其他要求速度高、功耗低的电子设备中。
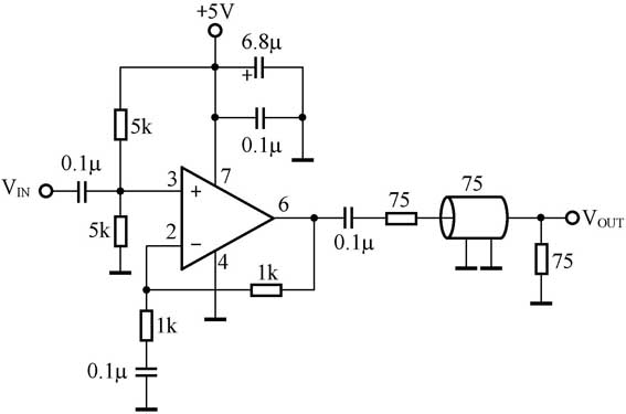
应用电路:
LMH6723/24/25的典型应用电路如图1所示。
编者注:
LMH6723/24/25的详细资料见http://www.national.com/pf/lm/lmh6723.html。
150 mA CMOS 线性稳压器LP3990
LP3990是美国国家半导体公司生产的150 mA CMOS 线性稳压器。
特点:
LP3990的输出电压可以预先设定在 0.8V~3.3V范围,最适合便携式及以电池供电的设备采用。这款芯片不但具有快速的负载瞬态响应,而且工作耗电量较少,可以说两方面的特性都能兼顾。由于LP3990 芯片无需设置电压基准的旁路电容,因此可以节省印制电路板的板面空间。
应用范围:
LP3990适用于蜂窝式移动电话、笔记本电脑、个人数字助理、MP3 播放器及其他便携式电子产品。此外,也适用于无线局域网 (LAN)、医疗器材及工业设备。
编者注:
LP3990的详细资料见www.national.com/pf/lp/lp3990.html。
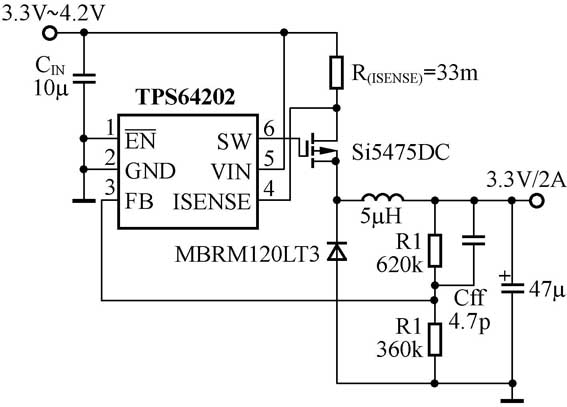
高效、大电流降压转换器TPS6420X
TPS6420X是德州仪器(TI)公司推出的异步直流降压转换控制器。TPS6420X系列产品主要有TPS64200、TPS64201、TPS64202、TPS64203 等型号,它们的区别如下表所示。

特点:
TPS6420X的静态电流仅20μA,同时具有95%的转换效率。能将1.8V~6.5V输入电源转换成最低1.2V的稳压电源,同时提供1A~3A的输出电流。TPS6420X可驱动外部P通道MOSFET,从而提高了应用输出电流的设计灵活性。
应用范围:
TPS6420X采用单体锂离子电池或双节/四节碱性、镍氢(Ni-MH) 或镍镉 (Ni-Cd) 电池供电的PDA、MP3播放器、数码相机、笔记本电脑及医疗和工业设备等。
编者注:
TPS6420X的详细资料见http://focus.ti.com/docs/prod/folders/print/tps64202.html。

