T931/T931A/T932是广东省中山市达华电子厂研制的新一代稳频型无线电发射/接收组件。它的内部采用表面安装技术,并选用了新型高频专用发射管。发射/接收距离、性能稳定度均明显优于同类产品。在计算机数据无线传送、遥控灯具、遥控闸门、遥控门铃以及高级遥控电动玩具等装置的使用中均有良好表现。下面介绍该组件的详细资料。
一、引脚排列
T931、T931A是发射电路,均采用塑壳安装,外形尺寸、引脚排列完全相同。只是T931为内藏发射天线,T931A为外接天线。T932是接收电路,无外壳,带接收软天线。T931/T931A/T932的实物照片如图1所示。

二、工作原理
接通工作电源后, T931或T931A的2脚送入的1V~5V、3kHz以下的数字脉冲信号经内部电路转换为高频无线电波,然后由天线发射出去。在一定距离内,T932接收到该信号后,经放大、解调整形,从其2脚输出还原后的调制信号,如图2所示。T931/T931A/T932的主要参数见表1。


三、典型应用电路
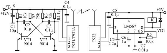
1.单稳遥控电路。应用电路见图3,这是一种非锁存电路。它采用简单的方波振荡器调制T931A载频电路,其单稳时间取决于发射按键S的接通时间。T932接收到指令信号并经解调、放大、整形后送入通用音频译码电路LM567进行译码,调整LM567的5、6脚间电阻R5使LM567振荡频率等于解调后的方波频率,则LM567的8脚电平由高变低,使继电器吸合。松开发射开关S,LM567的8脚恢复高电平,继电器释放,完成单稳遥控功能。该电路适合短时间工作的遥控装置,如遥控门铃、上下班打铃、电控锁、电磁阀、电动玩具等。

2.多路编/解码遥控电路。这种电路是采用8~12位地址对传送信息加密编码并可实现多路信息远距离遥控的一种实用电路,应用电路见图4。

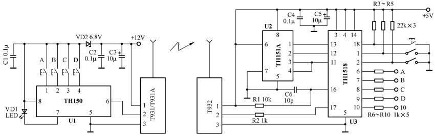
3.滚动码遥控电路。利用滚动码编解码电路TH150与T931、T931A/T932配合,可制作具有保密度极高、无法破解的无线遥控电路,应用电路见图5。

(文/刘中武)