普通万用表无法检测出晶振及遥控器的好坏,笔者设计了一个简单实用的晶振及遥控器检测电路。
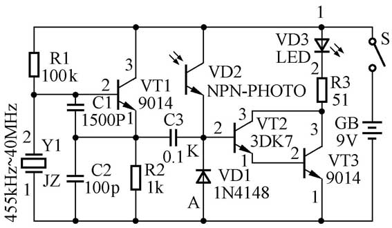
该检测电路如附图所示。R1、R2、C1、C2、VT1和待检晶振Y1构成一晶体振荡器电路。若晶振是好的,则振荡信号经C3耦合至达林顿管的基极,经检波放大驱动发光二极管LED发光; 若晶振是坏的(开路或短路),则LED不发光。VD2为一红外线接收三极管(从报废大软驱拆得),用红外遥控器在距离60mm内对准VD2按下功能键,若LED有明显的闪烁,则遥控器是好的,否则遥控器有问题。
对于晶振检测电路,减小C1和C2的容量可增大晶振频率检测范围的上限,反之可扩大下限值。在附图所示的参数下,测得在455kHz至40MHz范围内可准确检测晶振好坏。

对于红外遥控器检测电路,由于VD2的加入,某些型号的发光二极管(VD3)接通电源即发光,但在实施检测功能时,会看到发光二极管有明显的变亮或闪烁。此电路的缺点是不能检测频率点是否已经偏移。
此电路无需调试即可稳定工作。笔者将该电路安装在DT9250数字万用表内,给维修工作带来了很大的方便。
(文/祝海江)