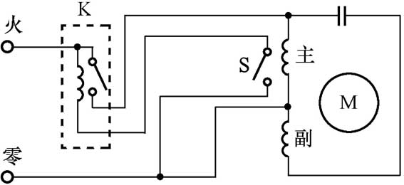
单相油浸式电容分相潜水泵(370~1100W)在江南地区使用很广,损坏也多,维修率高。笔者长期从事此类水泵维修,经过实践发现: 若增加一个简单的保护电路,可有效防止由于使用不当(如水泵未浸水空转、卡死等)导致电机烧坏的弊病。
电路如附图所示。图中K为220V小型中间继电器(有外壳的),电流6~10A,S为市售90℃恒温常闭开关。
注意事项:
(1)S紧贴电机主绕组安装并浸绝缘漆;(2)K买回后用AB胶封死外壳,防止浸水,对不用的常闭触点做好绝缘;(3)电路安装、检查无误后,可通电试验,再停机,堵死电机,约5分钟左右,恒温开关S应跳开,电机进入保护状态;(4)试验时一定要注意安全。
(文/熊谷新)
